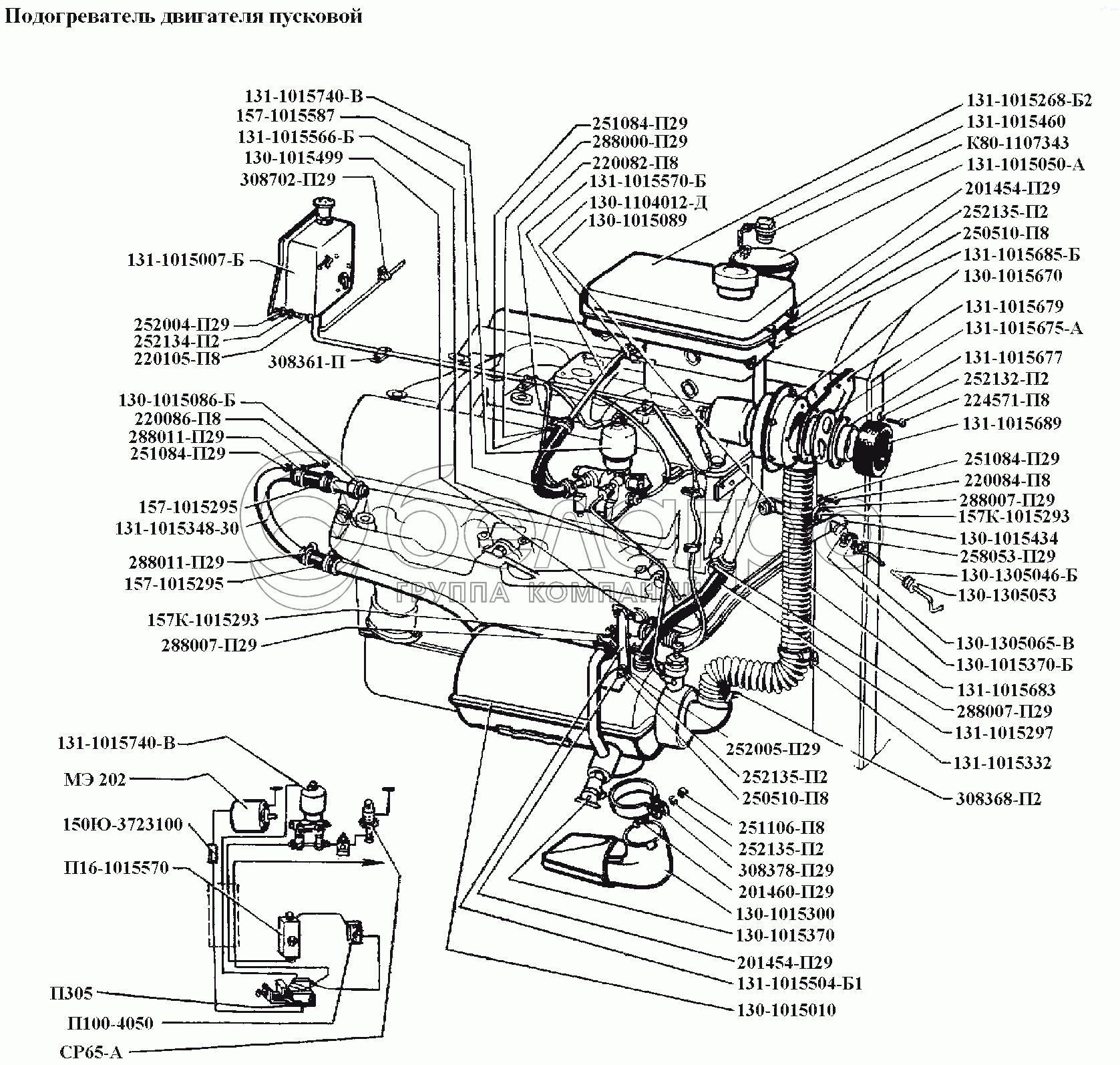
Каталог запасных частей к технике: ЗИЛ-431416. Двигатель\Подогреватель двигателя пусковой

zoom-in zoom-out enlarge shrink circle-right circle-left file-text2 info cart arraw right arraw left zoom out zoom in arraw maximize arraw minimize
130-1015670
150Ю-3723100
П16-1015570
П305
П100-4050
СР65-А
130-1015089
130-1104012-Д
131-1015570-Б
220082-П8
288000-П29
131-1015268-Б2
131-1015460
К80-1107343
131-1015050-А
131-1015685-Б
МЭ202
131-1015675-А
131-1015679
131-1015677
252132-П2
224571-П8
131-1015689
220084-П8
130-1015434
258053-П29
130-1305046-Б
130-1305053
130-1305065-В
130-1015370-Б
131-1015683
252005-П29
288007-П29
288007-П29
288007-П29
157-1015587
131-1015566-Б
130-1015499
308702-П29
131-1015007-Б
252004-П29
252134-П2
220105-П8
130-1015086-Б
308361-П
220086-П8
288011-П29
288011-П29
251084-П29
251084-П29
251084-П29
157-1015295
157-1015295
131-1015348-30
131-1015740-В
131-1015740-В
157К-1015293
157К-1015293
130-1015010
131-1015504-Б1
201454-П29
201454-П29
130-1015370
130-1015300
201460-П29
308378-П29
252135-П2
252135-П2
252135-П2
251106-П8
250510-П8
250510-П8
308368-П2
131-1015332
131-1015297
130-1015670
Вентилятор в сборе
В узле: 1
150Ю-3723100
Соединитель проводов в сборе
В узле: 1
П16-1015570
Спираль контрольная в сборе
В узле: 1
П305
Переключатель в сборе
В узле: 1
П100-4050
Выключатель в сборе
В узле: 1
СР65-А
Свеча в сборе
В узле: 1
130-1015089
Угольник котла подводящий
В узле: 1
130-1104012-Д
Кран топливного бачка в сборе
В узле: 1
131-1015570-Б
Трубка топливного бачка отводящая в сборе
В узле: 1
220082-П8
Винт
В узле: 2
288000-П29
Хомут
В узле: 2
131-1015268-Б2
Бачок топливный пускового подогревателя в сборе
В узле: 1
131-1015460
Пробка воронки с цепью в сборе
В узле: 1
К80-1107343
Прокладка фильтра подачи топлива
В узле: 1
131-1015050-А
Воронка наливная в сборе
В узле: 1
131-1015685-Б
Кронштейн крепления топливного бачка
В узле: 1
МЭ202
Двигатель вентилятора в сборе
В узле: 1
131-1015675-А
Решетка вентилятора предохранительная
В узле: 1
131-1015679
Кронштейн крепления вентилятора
В узле: 1
131-1015677
Патрубок вентилятора
В узле: 1
252132-П2
Шайба пружинная
В узле: 4
224571-П8
Винт
В узле: 4
131-1015689
Шланг вентилятора соединительный
В узле: 1
220084-П8
Винт
В узле: 8
130-1015434
Трубка котла подводящая в сборе
В узле: 1
258053-П29
Шплинт
В узле: 1
130-1305046-Б
Ручка управления краном
В узле: 1
130-1305053
Втулка стержня привода управления краном
В узле: 1
130-1305065-В
Вилка сливного крана
В узле: 1
130-1015370-Б
Кран сливной в сборе
В узле: 1
131-1015683
Шланг
В узле: 1
252005-П29
Шайба
В узле: 1
288007-П29
Хомут
В узле: 8
157-1015587
Шланг соединительный
В узле: 1
131-1015566-Б
Трубка топливная от электромагнитного клапана к котлу
В узле: 1
130-1015499
Тройник в сборе
В узле: 1
308702-П29
Скоба
В узле: 1
131-1015007-Б
Пульт управления пусковым подогревателем в сборе
В узле: 1
252004-П29
Шайба
В узле: 3
252134-П2
Шайба пружинная
В узле: 1
220105-П8
Винт
В узле: 2
130-1015086-Б
Штуцер котла отводящий
В узле: 1
308361-П
Скоба
В узле: 3
220086-П8
Винт
В узле: 4
288011-П29
Хомут
В узле: 4
251084-П29
Гайка
В узле: 14
157-1015295
Шланг соединительный отводящий
В узле: 2
131-1015348-30
Трубка котла отводящая в сборе
В узле: 1
131-1015740-В
Клапан пускового подогревателя электромагнитный в сборе
В узле: 1
157К-1015293
Шланг соединительный подводящий
В узле: 3
130-1015010
Котел в сборе
В узле: 1
131-1015504-Б1
Кронштейн крепления котла верхний
В узле: 1
201454-П29
Болт
В узле: 5
130-1015370
Кран сливной в сборе
В узле: 1
130-1015300
Лоток в сборе
В узле: 1
201460-П29
Болт
В узле: 1
308378-П29
Хомутик
В узле: 1
252135-П2
Шайба пружинная
В узле: 6
251106-П8
Гайка
В узле: 1
250510-П8
Гайка
В узле: 5
308368-П2
Хомут
В узле: 2
131-1015332
Держатель шланга
В узле: 1
131-1015297
Шланг наливной воронки соединительный
В узле: 1
Содержащиеся в справочниках-каталогах запасные части и детали не предлагаются к продаже, а носят исключительно информационный характер

Ваша заявка была отправлена. В ближайшее время наши специалисты с Вами свяжутся по указанному Вами телефону.

Представьтесь
Поле обязательно для заполнения
Ваш телефон
Введите правильный номер телефона
E-mail
Введите правильный e-mail
Тема
Тема
применяемость финансирование доставка цена, наличие другое сервис и гарантия
Время для звонка
08:00
08:00 09:00 10:00 11:00 12:00 13:00 14:00 15:00 16:00 17:00 18:00 19:00
19:00
08:00 09:00 10:00 11:00 12:00 13:00 14:00 15:00 16:00 17:00 18:00 19:00

Мы постараемся перезвонить в указанное время

Если вы не хотите ждать, то звоните нашим вежливым консультантам:

8 800 100-2-700
Подтвердите, что вы не робот
Подтвердите, что вы не робот
Спасибо!

Ваше сообщение успешно отправлено!

ЗакрытьПовторить попытку