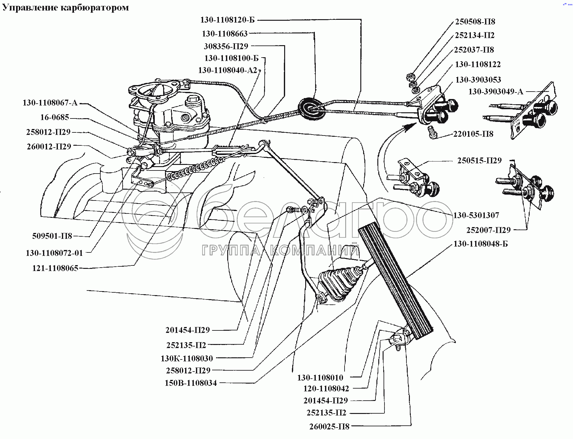
Каталог запасных частей к технике: ЗИЛ-431416. Система питания\Управление карбюратором

zoom-in zoom-out enlarge shrink circle-right circle-left file-text2 info cart arraw right arraw left zoom out zoom in arraw maximize arraw minimize
130-1108120-Б
252007-П29
130-1108048-Б
130-5301307
220105-П8
220105-П8
130-3903049-А
130-3903053
130-1108122
252037-П8
252134-П2
250508-П29
130-1108040-А2
130-1108100-Б
308356-П29
130-1108663
130-1108067-А
260025-П8
120-1108042
130-1108010
150В-1108034
130К-1108030
252135-П2
252135-П2
201454-П29
201454-П29
121-1108065
130-1108072-01
509501-П8
260012-П29
258012-П29
258012-П29
16-0685
130-1108120-Б
Тяга ручного управления акселератором в сборе
В узле: 1
252007-П29
Шайба
В узле: 2
130-1108048-Б
Накладка педали акселератора
В узле: 1
130-5301307
Уплотнитель тяги акселератора
В узле: 1
220105-П8
Винт
В узле: 2
130-3903049-А
Табличка кнопок управления указательная
В узле: 1
130-3903053
Таблица указательная кнопок управлении тягами воздушной заслонки и ручного газа
В узле: 1
130-1108122
Кронштейн крепления тяг
В узле: 1
252037-П8
Шайба
В узле: 2
252134-П2
Шайба пружинная
В узле: 2
250508-П29
Гайка
В узле: 3
130-1108040-А2
Тяга акселератора промежуточная в сборе
В узле: 1
130-1108100-Б
Тяга воздушной заслонки карбюратора в сборе
В узле: 1
308356-П29
Хомутик ленточный
В узле: 1
130-1108663
Втулка уплотнительная
В узле: 1
130-1108067-А
Ушко пружины
В узле: 1
260025-П8
Палец
В узле: 1
120-1108042
Кронштейн педали
В узле: 1
130-1108010
Педаль акселератора в сборе
В узле: 1
150В-1108034
Тяга педали акселератора в сборе
В узле: 1
130К-1108030
Валик акселератора с кронштейном в сборе
В узле: 1
252135-П2
Шайба пружинная
В узле: 4
201454-П29
Болт
В узле: 4
121-1108065
Пружина оттяжная
В узле: 1
130-1108072-01
Скоба
В узле: 1
509501-П8
Вилка
В узле: 1
260012-П29
Палец
В узле: 1
258012-П29
Шплинт
В узле: 4
16-0685
Зажим жилы троса тяги ручного управления акселератором
В узле: 1
Содержащиеся в справочниках-каталогах запасные части и детали не предлагаются к продаже, а носят исключительно информационный характер

Ваша заявка была отправлена. В ближайшее время наши специалисты с Вами свяжутся по указанному Вами телефону.

Представьтесь
Поле обязательно для заполнения
Ваш телефон
Введите правильный номер телефона
E-mail
Введите правильный e-mail
Тема
Тема
применяемость финансирование доставка цена, наличие другое сервис и гарантия
Время для звонка
08:00
08:00 09:00 10:00 11:00 12:00 13:00 14:00 15:00 16:00 17:00 18:00 19:00
19:00
08:00 09:00 10:00 11:00 12:00 13:00 14:00 15:00 16:00 17:00 18:00 19:00

Мы постараемся перезвонить в указанное время

Если вы не хотите ждать, то звоните нашим вежливым консультантам:

8 800 100-2-700
Подтвердите, что вы не робот
Подтвердите, что вы не робот
Спасибо!

Ваше сообщение успешно отправлено!

ЗакрытьПовторить попытку