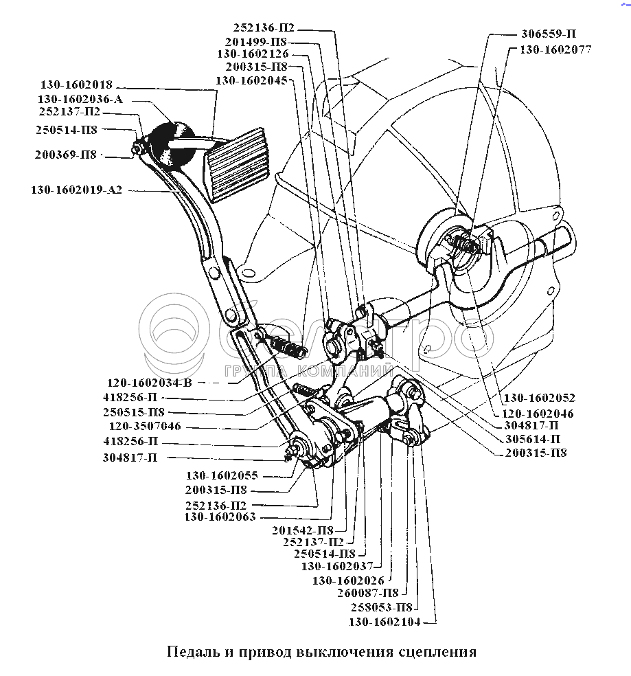
Каталог запасных частей к технике: ЗИЛ-431416. Сцепление\Педаль и привод выключения сцепления

zoom-in zoom-out enlarge shrink circle-right circle-left file-text2 info cart arraw right arraw left zoom out zoom in arraw maximize arraw minimize
120-1602046
120-1602034-В
250515-П8
120-3507046
418256-П
418256-П
201542-П8
260087-П8
258053-П8
130-1602055
130-1602063
130-1602037
130-1602026
130-1602104
305614-П
304817-П
304817-П
130-1602018
130-1602052
130-1602077
306559-П
130-1602045
200315-П8
200315-П8
200315-П8
130-1602126
201499-П8
252136-П2
252136-П2
130-1602019-А2
200369-П8
250514-П8
250514-П8
252137-П2
252137-П2
130-1602036-А
304817-П
Масленка в сборе
В узле: 2
304817-П* Масленка М10 (КГ1/8) 45 градусов (864009) Под заказ 5.21 р.
120-1602046
Вилка выключения сцепления
В узле: 1
120-1602034-В
Пружина оттяжная педали сцепления и тормоза
В узле: 1
250515-П8
Гайка
В узле: 1
120-3507046
Гайка тяги сферическая
В узле: 1
418256-П
Шпонка сегментная
В узле: 3
201542-П8
Болт
В узле: 3
260087-П8
Палец
В узле: 1
258053-П8
Шплинт
В узле: 1
130-1602055
Вал педали сцепления
В узле: 1
130-1602063
Кронштейн вала педали сцепления с втулками в сборе
В узле: 1
130-1602037
Пружина тяги
В узле: 1
130-1602026
Тяга выключения сцепления в сборе
В узле: 1
130-1602104
Рычаг вала педали сцепления в сборе
В узле: 1
305614-П
Шайба
В узле: 1
130-1602018
Верхняя часть педали сцепления
В узле: 1
130-1602052
Муфта выключения сцепления с подшипником в сборе
В узле: 1
130-1602077
Пружина оттяжная муфты подшипника выключения сцепления
В узле: 1
306559-П
Подшипник
В узле: 1
130-1602045
Рычаг вилки выключения сцепления
В узле: 1
200315-П8
Болт
В узле: 3
130-1602126
Фланец вилки с втулкой в сборе
В узле: 1
201499-П8
Болт
В узле: 2
252136-П2
Шайба пружинная
В узле: 5
130-1602019-А2
Нижняя часть педали сцепления
В узле: 1
200369-П8
Болт
В узле: 1
250514-П8
Гайка
В узле: 4
252137-П2
Шайба пружинная
В узле: 4
130-1602036-А
Уплотнитель педали сцепления
В узле: 1
Содержащиеся в справочниках-каталогах запасные части и детали не предлагаются к продаже, а носят исключительно информационный характер

Ваша заявка была отправлена. В ближайшее время наши специалисты с Вами свяжутся по указанному Вами телефону.

Представьтесь
Поле обязательно для заполнения
Ваш телефон
Введите правильный номер телефона
E-mail
Введите правильный e-mail
Тема
Тема
применяемость финансирование доставка цена, наличие другое сервис и гарантия
Время для звонка
08:00
08:00 09:00 10:00 11:00 12:00 13:00 14:00 15:00 16:00 17:00 18:00 19:00
19:00
08:00 09:00 10:00 11:00 12:00 13:00 14:00 15:00 16:00 17:00 18:00 19:00

Мы постараемся перезвонить в указанное время

Если вы не хотите ждать, то звоните нашим вежливым консультантам:

8 800 100-2-700
Подтвердите, что вы не робот
Подтвердите, что вы не робот
Спасибо!

Ваше сообщение успешно отправлено!

ЗакрытьПовторить попытку