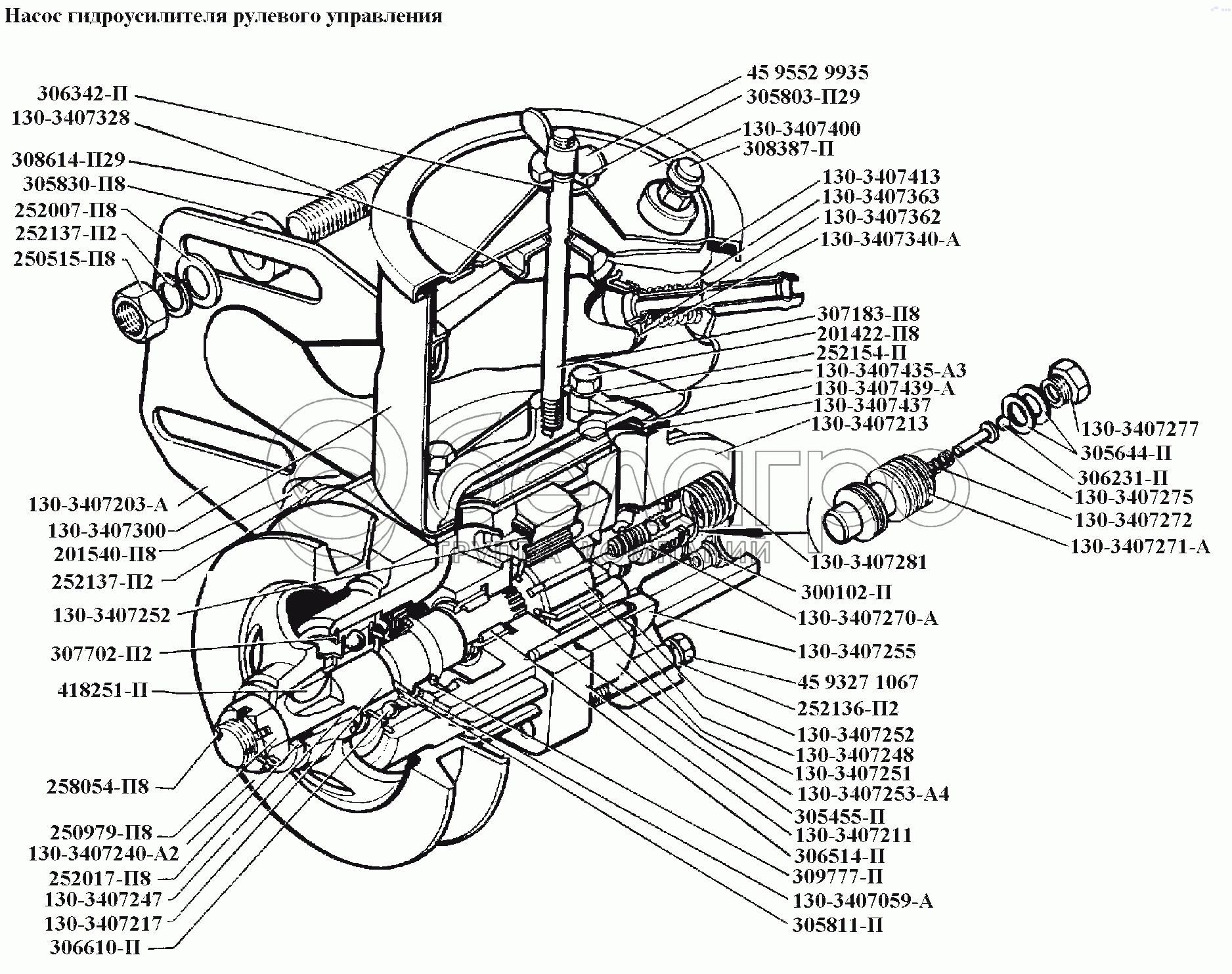
Каталог запасных частей к технике: ЗИЛ-431416. Управление рулевое\Насос гидроусилителя рулевого управления

zoom-in zoom-out enlarge shrink circle-right circle-left file-text2 info cart arraw right arraw left zoom out zoom in arraw maximize arraw minimize
130-3407340-А
252136-П2
45 9327 1067
130-3407255
130-3407270-А
130-3407281
300102-П
130-3407213
130-3407437
130-3407439-А
130-3407435-А3
252154-П
201422-П8
307183-П8
130-3407248
130-3407362
130-3407363
130-3407413
130-3407400
308387-П
305803-П29
45 9552 9935
130-3407277
305644-П
306231-П
130-3407275
130-3407272
130-3407271-А
250979-П8
130-3407328
308614-П29
305830-П8
252007-П8
252137-П2
252137-П2
250515-П8
130-3407203-А
130-3407300
130-3407252
130-3407252
201540-П8
307702-П2
418251-П
258054-П8
306342-П
130-3407240-А2
252017-П8
130-3407247
130-3407217
306610-П
305811-П
130-3407059-А
309777-П
306514-П
305455-П
130-3407211
130-3407253-А4
130-3407251
130-3407340-А
Труба фильтра в сборе
В узле: 1
252136-П2
Шайба пружинная
В узле: 4
45 9327 1067
Болт
В узле: 2
130-3407255
Диск насоса распределительный
В узле: 1
130-3407270-А
Клапан насоса перепускной в сборе
В узле: 1
130-3407281
Пружина перепускного клапана
В узле: 1
300102-П
Седло уплотнительное
В узле: 1
130-3407213
Крышка насоса
В узле: 1
130-3407437
Прокладка уплотнительная болтов крепления бачка насоса гидроусилителя руля
В узле: 2
130-3407439-А
Прокладка коллектора насоса гидроусилителя руля
В узле: 1
130-3407435-А3
Коллектор насоса
В узле: 1
252154-П
Шайба пружинная
В узле: 4
201422-П8
Болт
В узле: 4
307183-П8
Шпилька
В узле: 1
130-3407248
Ротор насоса
В узле: 1
130-3407362
Чашка фильтра
В узле: 1
130-3407363
Пружина клапана фильтра
В узле: 1
130-3407413
Прокладка уплотнительная крышки бачка насоса гидроусилителя руля
В узле: 1
130-3407400
Крышка бачка насоса в сборе
В узле: 1
308387-П
Клапан предохранительный в сборе
В узле: 1
305803-П29
Шайба
В узле: 1
45 9552 9935
Гайка-барашек
В узле: 1
130-3407277
Седло предохранительного клапана
В узле: 1
305644-П
Шайба регулировочная
В узле: -2
306231-П
Шарик
В узле: 1
130-3407275
Направляющая пружины
В узле: 1
130-3407272
Пружина предохранительного клапана насоса гидроусилителя руля
В узле: 1
130-3407271-А
Золотник насоса перепускной
В узле: 1
250979-П8
Гайка
В узле: 1
130-3407328
Фильтр заливной в сборе
В узле: 1
308614-П29
Шпилька
В узле: 3
305830-П8
Шайба
В узле: 3
252007-П8
Шайба регулировочная
В узле: 3
252137-П2
Шайба пружинная
В узле: 5
250515-П8
Гайка
В узле: 3
130-3407203-А
Кронштейн крепления насоса
В узле: 1
130-3407300
Бачок насоса в сборе
В узле: 1
130-3407252
Кольцо уплотнительное корпуса насоса гидроусилителя руля
В узле: 2
201540-П8
Болт
В узле: 2
307702-П2
Кольцо стопорное
В узле: 1
418251-П
Шпонка сегментная
В узле: 1
258054-П8
Шплинт
В узле: 1
306342-П
Кольцо уплотнительное
В узле: 1
130-3407240-А2
Шкив насоса
В узле: 1
252017-П8
Шайба
В узле: 1
130-3407247
Втулка шкива насоса
В узле: 1
130-3407217
Валик насоса гидроусилителя руля
В узле: 1
306610-П
Подшипник шариковый
В узле: 1
305811-П
Шайба
В узле: 1
130-3407059-А
Проставка насоса
В узле: 1
309777-П
Манжета
В узле: 1
306514-П
Подшипник игольчатый
В узле: 1
305455-П
Штифт
В узле: 2
130-3407211
Корпус насоса
В узле: 1
130-3407253-А4
Статор насоса
В узле: 1
130-3407251
Лопасть насоса
В узле: 10
Содержащиеся в справочниках-каталогах запасные части и детали не предлагаются к продаже, а носят исключительно информационный характер

Ваша заявка была отправлена. В ближайшее время наши специалисты с Вами свяжутся по указанному Вами телефону.

Представьтесь
Поле обязательно для заполнения
Ваш телефон
Введите правильный номер телефона
E-mail
Введите правильный e-mail
Тема
Тема
применяемость финансирование доставка цена, наличие другое сервис и гарантия
Время для звонка
08:00
08:00 09:00 10:00 11:00 12:00 13:00 14:00 15:00 16:00 17:00 18:00 19:00
19:00
08:00 09:00 10:00 11:00 12:00 13:00 14:00 15:00 16:00 17:00 18:00 19:00

Мы постараемся перезвонить в указанное время

Если вы не хотите ждать, то звоните нашим вежливым консультантам:

8 800 100-2-700
Подтвердите, что вы не робот
Подтвердите, что вы не робот
Спасибо!

Ваше сообщение успешно отправлено!

ЗакрытьПовторить попытку