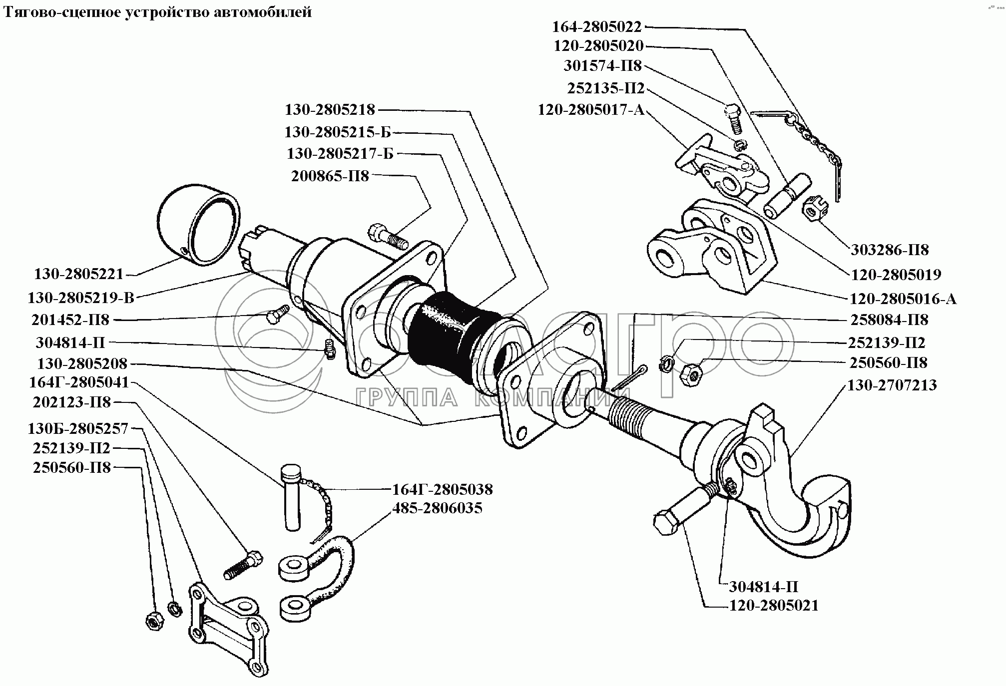
Каталог запасных частей к технике: ЗИЛ-431416. Устройство сцепное\Тягово-сцепное устройство автомобилей

zoom-in zoom-out enlarge shrink circle-right circle-left file-text2 info cart arraw right arraw left zoom out zoom in arraw maximize arraw minimize
130-2805217-Б
120-2805021
130-2707213
258084-П8
120-2805016-А
120-2805019
303286-П8
120-2805017-А
252135-П2
301574-П8
120-2805020
164-2805022
130-2805218
130-2805215-Б
130-2805221
200865-П8
485-2806035
164Г-2805038
250560-П8
250560-П8
252139-П2
252139-П2
130Б-2805257
202123-П8
164Г-2805041
130-2805208
304814-П4
304814-П4
201452-П8
130-2805219-В
130-2805217-Б
Фланец буфера буксирного прибора передний
В узле: 1
120-2805021
Ось защелки буксирного крюка
В узле: 1
130-2707213
Крюк буксирный в сборе
В узле: 1
258084-П8
Шплинт
В узле: 1
120-2805016-А
Защелка буксирного крюка в сборе
В узле: 1
120-2805019
Пружина собачки защелки буксирного крюка
В узле: 1
303286-П8
Гайка
В узле: 1
120-2805017-А
Собачка защелки буксирного крюка в сборе
В узле: 1
252135-П2
Шайба пружинная
В узле: 1
301574-П8
Болт
В узле: 1
120-2805020
Ось собачки защелки
В узле: 1
164-2805022
Цепочка собачки буксирного крюка со шплинтами в сборе
В узле: 1
130-2805218
Фланец буфера буксирного прибора задний
В узле: 1
130-2805215-Б
Буфер буксирного прибора
В узле: 1
130-2805221
Колпак гайки буксирного крюка
В узле: 1
200865-П8
Болт
В узле: 4
485-2806035
Серьга буксирного прибора
В узле: 1
164Г-2805038
Цепочка скобы буксирного прибора со шплинтами в сборе
В узле: 1
250560-П8
Гайка
В узле: 4
252139-П2
Шайба пружинная
В узле: 4
130Б-2805257
Кронштейн скобы буксирного прибора
В узле: 1
202123-П8
Болт
В узле: 4
164Г-2805041
Палец скобы буксирного прибора
В узле: 1
130-2805208
Корпус буксирного прибора с крышкой в сборе (комплект)
В узле: 1
304814-П4
Масленка
В узле: 2
201452-П8
Болт
В узле: 2
130-2805219-В
Гайка буксирного крюка
В узле: 1
Содержащиеся в справочниках-каталогах запасные части и детали не предлагаются к продаже, а носят исключительно информационный характер

Ваша заявка была отправлена. В ближайшее время наши специалисты с Вами свяжутся по указанному Вами телефону.

Представьтесь
Поле обязательно для заполнения
Ваш телефон
Введите правильный номер телефона
E-mail
Введите правильный e-mail
Тема
Тема
применяемость финансирование доставка цена, наличие другое сервис и гарантия
Время для звонка
08:00
08:00 09:00 10:00 11:00 12:00 13:00 14:00 15:00 16:00 17:00 18:00 19:00
19:00
08:00 09:00 10:00 11:00 12:00 13:00 14:00 15:00 16:00 17:00 18:00 19:00

Мы постараемся перезвонить в указанное время

Если вы не хотите ждать, то звоните нашим вежливым консультантам:

8 800 100-2-700
Подтвердите, что вы не робот
Подтвердите, что вы не робот
Спасибо!

Ваше сообщение успешно отправлено!

ЗакрытьПовторить попытку