Каталог запасных частей к технике: ЗИЛ-43272Н, 43273Н. Колонка рулевого управления

zoom-in zoom-out enlarge shrink circle-right circle-left file-text2 info cart arraw right arraw left zoom out zoom in arraw maximize arraw minimize
1
2
2
3
4
4
5
6
7
8
9
10
11
12
13
14
15
15
15
16
17
18
19
20
21
22
23
23
24
25
26
27
27
28
29
30
31
32
33
34
35
36
37
38
39
40
41
42
42
43
44
45
45
46
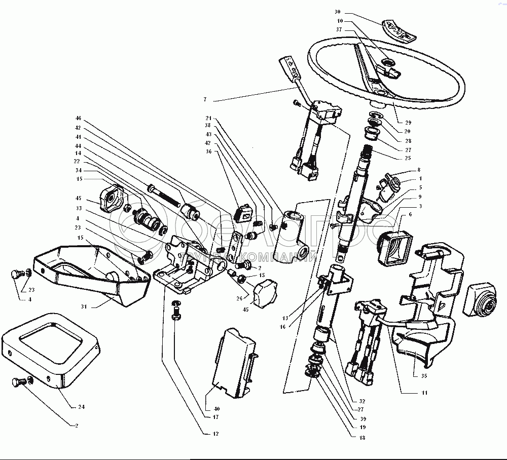
4331-3444010-02
Колонка рулевого управления в сборе
В узле: ---
252132-П2
Шайба пружинная
В узле: ---
4331-3444213
Уплотнитель
В узле: ---
252135-П2
Шайба пружинная
В узле: ---
1
220050-П29
Винт
В узле: 1
2
201678-П29
Болт
В узле: 1
3
201676-П29
Болт
В узле: 1
4
201674-П29
Болт
В узле: 1
5
4331-3444200-10
Корпус запорного устройства с замком в сборе
В узле: ---
5
4331-3444202
Корпус запорного устройства
В узле: 1
6
4331-3709105
Чехол защитный переключателя
В узле: 1
7
4331-3709058-10
Переключатель стеклоочистителя 9912.3709
В узле: 1
8
4331-3708500-11
Выключатель стартера
В узле: 1
9
53012-3444203
Хомут запорного устройства
В узле: 1
10
303094-П29
Гайка
В узле: 1
11
4331-3709060-10
Комбинированный переключатель света 1112.3769
В узле: 1
12
220102-П29
Винт
В узле: 1
13
250464-П29
Гайка
В узле: 1
14
489309-06
Кольцо упорное
В узле: 1
15
250517-П29
Гайка
В узле: 1
16
252133-П2
Шайба пружинная
В узле: 1
17
291676-П29
Болт
В узле: 1
18
303105-П29
Гайка
В узле: 1
19
305810-П29
Шайба стопорная
В узле: 1
20
307787-П29
Кольцо упорное
В узле: 1
21
4331-3444015-10
Корпус колонки
В узле: 1
21
4331-3444014-10
Корпус колонки с кронштейном в сборе
В узле: ---
22
4331-3444157
Кольцо упорное
В узле: 1
23
252136-П2
Шайба пружинная
В узле: 1
24
4331-3403012
Растяжка крепления колонки
В узле: 1
25
4331-3444030
Вал колонки
В узле: 1
26
4331-3444086
Втулка стопорная
В узле: 1
27
130-3401120
Подшипник шариковый в сборе
В узле: 1
28
130-3401123
Кольцо разжимное
В узле: 1
29
130-3402015-10
Колесо рулевое в сборе
В узле: 1
30
130-3402061-10
Крышка рулевого колеса
В узле: 1
31
5301-3403009
Кронштейн крепления колонки
В узле: 1
32
4331-3444022-03
Труба колонки
В узле: 1
33
4331-3444041-10
Кронштейн колонки
В узле: 1
34
4331-3444043-10
Ось колонки
В узле: 1
35
4331-3444071-21
Половина кожуха задняя
В узле: 1
36
4331-3444081
Сектор
В узле: 1
37
130-3402067-10
Держатель верхней крышки
В узле: 1
38
4331-3444073
Стопор колонки
В узле: 1
39
4331-3444044
Обойма уплотнения в сборе
В узле: 1
40
4331-3444067
Половина кожуха передняя
В узле: 1
41
4331-3444065-10
Зажим колонки
В узле: 1
42
4331-3444061-10
Пружина
В узле: 1
43
4331-3444059-10
Стопор
В узле: 1
44
4331-3444057-10
Винт регулировочный колонки
В узле: 1
45
4331-3444054-01
Маховик колонки
В узле: 1
46
4331-3444079
Рейка
В узле: 1
Содержащиеся в справочниках-каталогах запасные части и детали не предлагаются к продаже, а носят исключительно информационный характер

Ваша заявка была отправлена. В ближайшее время наши специалисты с Вами свяжутся по указанному Вами телефону.

Представьтесь
Поле обязательно для заполнения
Ваш телефон
Введите правильный номер телефона
E-mail
Введите правильный e-mail
Тема
Тема
применяемость финансирование доставка цена, наличие другое сервис и гарантия
Время для звонка
08:00
08:00 09:00 10:00 11:00 12:00 13:00 14:00 15:00 16:00 17:00 18:00 19:00
19:00
08:00 09:00 10:00 11:00 12:00 13:00 14:00 15:00 16:00 17:00 18:00 19:00

Мы постараемся перезвонить в указанное время

Если вы не хотите ждать, то звоните нашим вежливым консультантам:

8 800 100-2-700
Подтвердите, что вы не робот
Подтвердите, что вы не робот
Спасибо!

Ваше сообщение успешно отправлено!

ЗакрытьПовторить попытку