Каталог запасных частей к технике: ЗИЛ-43272Н, 43273Н. Подвеска и управление раздаточной коробкой

zoom-in zoom-out enlarge shrink circle-right circle-left file-text2 info cart arraw right arraw left zoom out zoom in arraw maximize arraw minimize
1
2
2
3
4
5
6
7
8
8
9
10
10
11
12
13
13
14
15
15
16
16
17
18
19
20
21
22
23
24
25
25
26
27
28
29
30
31
32
33
34
35
36
37
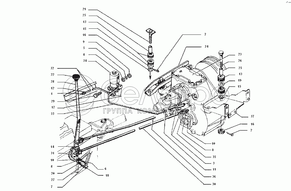
307908-П
Сапун в сборе
В узле: ---
1
305914-П
Шайба
В узле: 1
2
258054-П29
Шплинт
В узле: 1
3
250515-П29
Гайка
В узле: 1
4
252038-П29
Шайба
В узле: 1
5
252135-П2
Шайба пружинная
В узле: 1
6
252136-П2
Шайба пружинная
В узле: 1
7
252137-П2
Шайба пружинная
В узле: 1
8
258053-П29
Шплинт
В узле: 1
9
250510-П29
Гайка
В узле: 1
10
260088-П29
Палец
В узле: 1
11
300200-П29
Штуцер
В узле: 1
12
300420-01
Штуцер
В узле: 1
13
131-1801028
Подушка подвески раздаточной коробки в сборе
В узле: 1
14
303361-П2
Шайба
В узле: 1
15
305826-П29
Шайба
В узле: 1
16
413005-П29
Гайка шестигранная прорезная специальная (d=М16, S=24, H=19, h=13)
В узле: 1
17
421171-П
Угольник ввертной
В узле: 1
18
201542-П29
Болт
В узле: 1
19
305603-П
Шайба
В узле: 1
20
201499-П29
Болт
В узле: 1
21
131-1801046-Б
Болт с опорной пластиной в сборе
В узле: 1
22
130-1702159
Рукоятка рычага переключения передач в сборе
В узле: 1
23
432720-1800012
Раздаточная коробка с коробкой отбора мощности и кронштейном стояночного тормоза в сборе
В узле: ---
23
432720-1800020
Раздаточная коробка в сборе
В узле: 1
24
131-1801023-30
Балка подвески раздаточной коробки
В узле: 1
25
131-1801040-Б
Втулка подушек распорная
В узле: 1
26
131-1801046-В
Болт с опорной пластиной в сборе
В узле: 1
27
131-1804031-А
Кронштейн рычага
В узле: 1
28
433420-1804040
Рычаг управления раздаточной коробкой
В узле: 1
29
200272-П29
Болт
В узле: 1
30
432720-1804086
Тяга включения первой передачи раздаточной коробки
В узле: 1
31
131-1804173
Серьга
В узле: 1
32
433420-1804244-10
Трубка к клапану
В узле: 1
33
433420-1804260
Трубка от клапана управления к камере привода переднего моста раздаточной коробки
В узле: 1
34
4331-3747100-10
Клапан электромагнитный в сборе
В узле: 1
35
122-2104136
Вилка тяг резьбовая
В узле: 1
36
432720-1804067
Тяга включения второй передачи раздаточной коробки
В узле: 1
37
131-1801022
Кронштейн подвески раздаточной коробки
В узле: 1
Содержащиеся в справочниках-каталогах запасные части и детали не предлагаются к продаже, а носят исключительно информационный характер

Ваша заявка была отправлена. В ближайшее время наши специалисты с Вами свяжутся по указанному Вами телефону.

Представьтесь
Поле обязательно для заполнения
Ваш телефон
Введите правильный номер телефона
E-mail
Введите правильный e-mail
Тема
Тема
применяемость финансирование доставка цена, наличие другое сервис и гарантия
Время для звонка
08:00
08:00 09:00 10:00 11:00 12:00 13:00 14:00 15:00 16:00 17:00 18:00 19:00
19:00
08:00 09:00 10:00 11:00 12:00 13:00 14:00 15:00 16:00 17:00 18:00 19:00

Мы постараемся перезвонить в указанное время

Если вы не хотите ждать, то звоните нашим вежливым консультантам:

8 800 100-2-700
Подтвердите, что вы не робот
Подтвердите, что вы не робот
Спасибо!

Ваше сообщение успешно отправлено!

ЗакрытьПовторить попытку