Каталог запасных частей к технике: ЗИЛ-43272Н, 43273Н. Схема подшипников

zoom-in zoom-out enlarge shrink circle-right circle-left file-text2 info cart arraw right arraw left zoom out zoom in arraw maximize arraw minimize
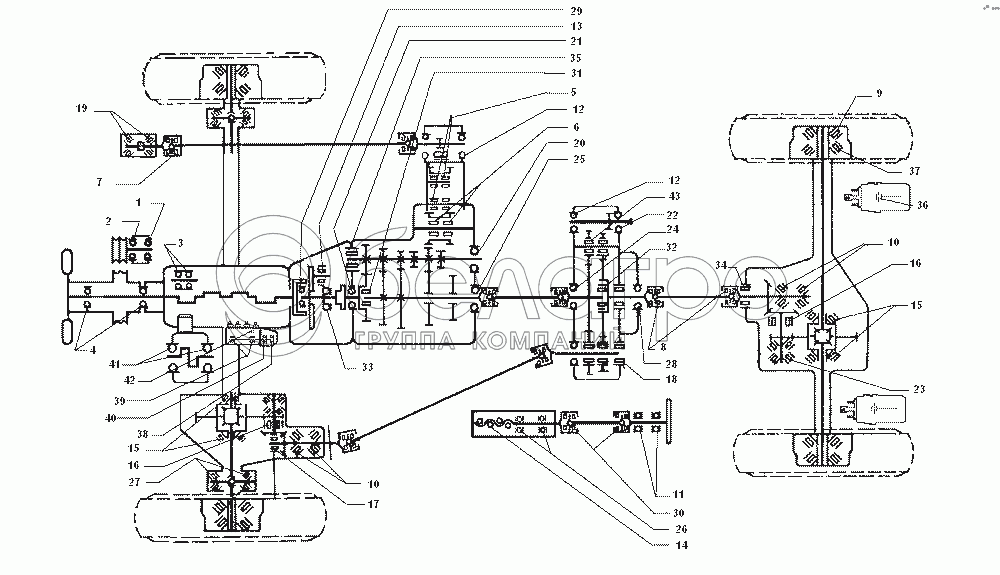
1
2
3
4
5
6
7
8
9
10
10
11
12
12
13
14
15
15
16
16
17
18
19
20
21
22
23
24
25
26
27
28
29
30
31
32
33
34
35
36
37
38
39
40
41
42
43
1
В6-180502К1С9Ш1
Подшипник
В узле: 1
2
В6-180603КС9
Подшипник
В узле: 1
3
205К
Подшипник
В узле: 1
4
1160305
Шарикоподшипник
В узле: 1
5
110-1701180
Роликоподшипник блока шестерен
В узле: 1
6
120-1701180
Подшипник роликовый блока шестерен
В узле: 1
7
110-2201033
Подшипник крестовины кардана
В узле: 1
8
130-2201044
Подшипник игольчатый кардана в сборе
В узле: 1
9
120-2403036
Подшипник ступицы колеса наружный в сборе
В узле: 1
10
121-2403036
Подшипник роликовый
В узле: 1
11
130-3401120
Подшипник шариковый в сборе
В узле: 1
12
485-4211112
Подшипник шариковый вторичного вала передний в сборе
В узле: 1
13
306230-П
Ролик игольчатый
В узле: 1
14
306266-П
Шарик 7,144 - 4+/-14
В узле: 1
15
306419-П
Подшипник
В узле: 1
16
306424-П
Подшипник роликовый цилиндрический
В узле: 1
17
306444-П
Подшипник вала ведущей конической шестерни в сборе
В узле: 1
18
306450
Подшипник
В узле: 1
19
306482-П
Подшипник червяка редуктора лебедки в сборе
В узле: 1
20
306515-П
Подшипник шариковый
В узле: 1
21
306516-П
Подшипник
В узле: 1
22
306519-П
Шарикоподшипник вторичного вала задний
В узле: 1
23
306536-П
Подшипник роликовый конический
В узле: 1
24
306538-П
Подшипник шариковый
В узле: 1
25
306551-П
Подшипник шариковый
В узле: 1
26
306560-П
Подшипник шариковый упорный
В узле: 1
27
306570-П
Подшипник шкворня поворотного кулака в сборе
В узле: 1
28
306603-П
Подшипник шариковый
В узле: 1
29
306621-П
Подшипник
В узле: 1
30
306635-П
Подшипник игольчатый
В узле: 1
31
306647-П
Подшипник роликовый
В узле: 1
32
306672-П
Подшипник
В узле: 1
33
306678
Подшипник
В узле: 1
34
306687-П
Подшипник вала ведущей конической шестерни роликовый
В узле: 1
35
306893-П
Подшипник роликовый
В узле: 1
36
485406-П
Подшипник игольчатый упорный
В узле: 1
37
485437-П
Подшипник
В узле: 1
38
17-031-1А
Шарикоподшипник 8202У
В узле: 1
39
7204К1
Подшипник
В узле: 1
40
8110
Шарикоподшипник
В узле: 1
41
207
Подшипник
В узле: 1
42
ША-7.144
Шарик
В узле: 1
43
121-2402041-Б
Роликоподшипник шестерни постоянного зацепления в сборе
В узле: 1
Содержащиеся в справочниках-каталогах запасные части и детали не предлагаются к продаже, а носят исключительно информационный характер

Ваша заявка была отправлена. В ближайшее время наши специалисты с Вами свяжутся по указанному Вами телефону.

Представьтесь
Поле обязательно для заполнения
Ваш телефон
Введите правильный номер телефона
E-mail
Введите правильный e-mail
Тема
Тема
применяемость финансирование доставка цена, наличие другое сервис и гарантия
Время для звонка
08:00
08:00 09:00 10:00 11:00 12:00 13:00 14:00 15:00 16:00 17:00 18:00 19:00
19:00
08:00 09:00 10:00 11:00 12:00 13:00 14:00 15:00 16:00 17:00 18:00 19:00

Мы постараемся перезвонить в указанное время

Если вы не хотите ждать, то звоните нашим вежливым консультантам:

8 800 100-2-700
Подтвердите, что вы не робот
Подтвердите, что вы не робот
Спасибо!

Ваше сообщение успешно отправлено!

ЗакрытьПовторить попытку