Каталог запасных частей к технике: ЗИЛ-43272Н, 43273Н. Сиденье водителя

zoom-in zoom-out enlarge shrink circle-right circle-left file-text2 info cart arraw right arraw left zoom out zoom in arraw maximize arraw minimize
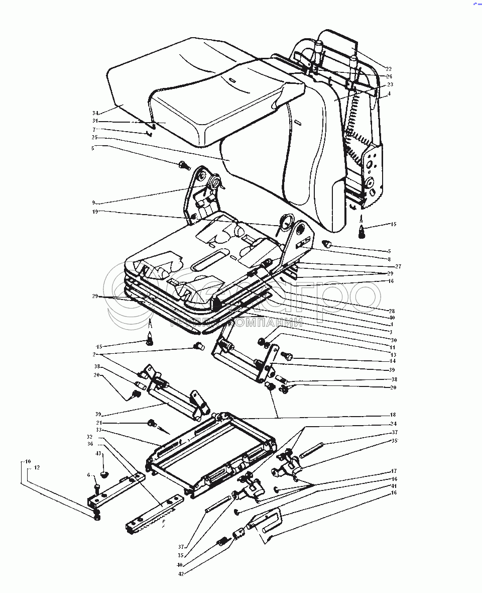
1
2
3
4
5
5
6
7
8
9
10
11
12
13
14
15
15
16
16
16
17
18
19
20
20
21
22
23
24
25
26
27
28
29
29
30
31
32
33
34
35
35
36
37
37
38
38
39
39
40
40
41
42
43
4331-6837010
Подставка одноместного сиденья пассажира
В узле: ---
4331-6805010
Спинка сиденья водителя в сборе
В узле: ---
4331-6804278
Проставка
В узле: ---
4331-6802650
Лента обивки спинки
В узле: ---
4331-6802631
Обивка спинки боковая
В узле: ---
4331-6802610
Обивка спинки в сборе
В узле: ---
4331-6800012
Сиденье водителя в сборе
В узле: ---
4331-6804210
Механизм регулировки в сборе
В узле: ---
1
4331-6805615
Рычаг регулировки наклона спинки
В узле: 1
2
4331-6804277
Втулка-фиксатор левая
В узле: 1
3
4331-6805218
Ручка регулировки наклона
В узле: 1
4
4331-6805020
Основание спинки в сборе
В узле: 1
5
4331-6805079
Ось наклона спинки
В узле: 1
6
201456-П29
Болт
В узле: 1
7
307838-П29
Скрепка
В узле: 1
8
4331-6804763
Эмблема
В узле: 1
9
4331-6805174
Пружина спинки правая
В узле: 1
10
250510-П29
Гайка
В узле: 1
11
250517-П29
Гайка
В узле: 1
12
252155-П2
Шайба пружинная
В узле: 1
13
252156-П2
Шайба пружинная
В узле: 1
14
301586-01
Ось
В узле: 1
15
306804-П8
Гвоздь специальный
В узле: 1
16
421120-01
Штифт
В узле: 1
17
489322-П2
Кольцо стопорное
В узле: 1
18
4331-6804276
Втулка-фиксатор правая
В узле: 1
19
4331-6805175
Пружина спинки левая
В узле: 1
20
489327-П2
Кольцо упорное
В узле: 1
21
302207-П29
Винт
В узле: 1
22
4331-6802615
Обивка спинки задняя
В узле: 1
23
4331-6805248
Подушка спинки
В узле: 1
24
4331-6804272
Пружина гребенки стопора
В узле: 1
25
4331-6802611
Обивка спинки передняя
В узле: 1
26
4331-6802655
Прошва
В узле: 1
27
4331-6803060
Каркас основания подушки
В узле: 1
27
4331-6803012
Каркас основания подушки в сборе
В узле: ---
28
4331-6803341
Рейка регулировки наклона спинки
В узле: 1
29
4331-6803345
Кардель основания подушки передняя
В узле: 1
30
4331-6803349
Кардель основания подушки
В узле: 1
31
4331-6803380
Матрац формовой подушки
В узле: 1
32
4331-6804110
Направляющая продольного перемещения нижняя правая в сборе
В узле: 1
33
4331-6804240
Основание механизма регулировки в сборе
В узле: 1
34
4331-6802310
Обивка подушки сиденья
В узле: 1
35
4331-6804260
Гребенка стопора
В узле: 1
36
4331-6804111
Направляющая продольного перемещения нижняя левая в сборе
В узле: 1
37
4331-6804268
Ось гребенки стопора
В узле: 1
38
4331-6804228
Вкладыш-фиксатор передний правый
В узле: 1
39
4331-6804212
Механизм направляющих рычагов в сборе
В узле: 1
40
4331-6804161
Пружина стопора
В узле: 1
41
4331-6804153
Привод стопора
В узле: 1
42
4331-6804141
Стопор механизма продольного перемещения
В узле: 1
43
4331-6804127
Вкладыш механизма продольного перемещения
В узле: 4
Содержащиеся в справочниках-каталогах запасные части и детали не предлагаются к продаже, а носят исключительно информационный характер

Ваша заявка была отправлена. В ближайшее время наши специалисты с Вами свяжутся по указанному Вами телефону.

Представьтесь
Поле обязательно для заполнения
Ваш телефон
Введите правильный номер телефона
E-mail
Введите правильный e-mail
Тема
Тема
применяемость финансирование доставка цена, наличие другое сервис и гарантия
Время для звонка
08:00
08:00 09:00 10:00 11:00 12:00 13:00 14:00 15:00 16:00 17:00 18:00 19:00
19:00
08:00 09:00 10:00 11:00 12:00 13:00 14:00 15:00 16:00 17:00 18:00 19:00

Мы постараемся перезвонить в указанное время

Если вы не хотите ждать, то звоните нашим вежливым консультантам:

8 800 100-2-700
Подтвердите, что вы не робот
Подтвердите, что вы не робот
Спасибо!

Ваше сообщение успешно отправлено!

ЗакрытьПовторить попытку