Каталог запасных частей к технике: ЗИЛ-43272Н, 43273Н. Система охлаждения

zoom-in zoom-out enlarge shrink circle-right circle-left file-text2 info cart arraw right arraw left zoom out zoom in arraw maximize arraw minimize
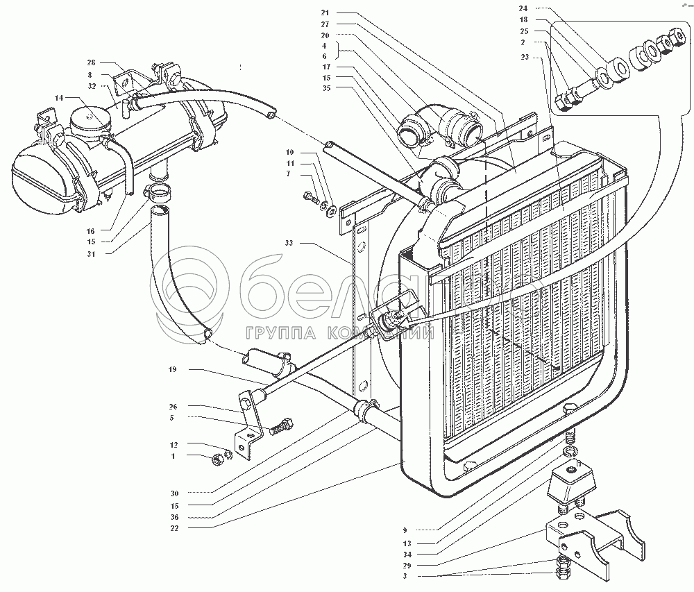
1
2
3
4
5
6
7
8
9
10
11
12
13
14
15
15
15
16
17
18
19
20
21
22
23
24
25
26
27
28
29
30
31
32
33
34
35
36
1
250517-П29
Гайка
В узле: 1
2
250513-П29
Гайка
В узле: 1
3
250510-П29
Гайка
В узле: 1
4
220086-П29
Винт крепления хомутика
В узле: 1
5
201678-П29
Болт
В узле: 1
6
251084-П29
Гайка
В узле: 1
7
201458-П29
Болт
В узле: 1
8
487126
Хомут
В узле: 1
9
201542-П29
Болт
В узле: 1
10
252005-П29
Шайба
В узле: 1
11
252135-П2
Шайба пружинная
В узле: 1
12
252136-П2
Шайба пружинная
В узле: 1
13
252137-П2
Шайба пружинная
В узле: 1
14
308724-П2
Хомут
В узле: 1
15
487128
Хомут
В узле: 1
16
4331-1311214-10
Шланг пароотводящей трубки
В узле: 1
17
5301-1303010-30
Шланг водяного патрубка отводящий
В узле: 1
18
305508-П29
Шайба
В узле: 1
19
43272Н-1302182
Тяга радиатора с наконечником в сборе правая
В узле: 1
19
43272Н-1302183
Тяга радиатора с наконечником в сборе левая
В узле: ---
20
325000-1303115
Хомут защитный
В узле: 1
21
32501-1301010
Радиатор системы охлаждения в сборе
В узле: 1
22
3250-1302010
Рамка подвески радиатора
В узле: 1
23
5301-1302029-20
Поперечина рамки подвески радиатора
В узле: 1
24
4331-1302037
Подушка крепления радиатора
В узле: 1
25
5301-1302065
Втулка распорная
В узле: 1
26
43272Н-1302191
Кронштейн крепления тяги радиатора задний левый
В узле: ---
26
432720-1302190-20
Кронштейн крепления тяги радиатора задний правый
В узле: 1
27
5301-1302350
Стяжка усилительная рамки подвески радиатора
В узле: 1
28
5301-1311053-10
Шланг отвода жидкости из бачка в радиатор
В узле: 1
29
43272Н-1302046
Кронштейн
В узле: 2
30
433100-1311179-01
Труба перепускная
В узле: 1
31
32501-1311189-10
Шланг перепускной
В узле: 1
32
5301-1311010-10
Бачок расширительный системы охлаждения в сборе
В узле: 1
33
5301-1309012-14
Кожух вентилятора системы охлаждения
В узле: 1
34
3102-1001020
Подушка
В узле: 1
35
5301-1303025-30
Шланг водяного патрубка подводящий
В узле: 1
36
3250-1311189
Шланг соединительный
В узле: 1
Содержащиеся в справочниках-каталогах запасные части и детали не предлагаются к продаже, а носят исключительно информационный характер

Ваша заявка была отправлена. В ближайшее время наши специалисты с Вами свяжутся по указанному Вами телефону.

Представьтесь
Поле обязательно для заполнения
Ваш телефон
Введите правильный номер телефона
E-mail
Введите правильный e-mail
Тема
Тема
применяемость финансирование доставка цена, наличие другое сервис и гарантия
Время для звонка
08:00
08:00 09:00 10:00 11:00 12:00 13:00 14:00 15:00 16:00 17:00 18:00 19:00
19:00
08:00 09:00 10:00 11:00 12:00 13:00 14:00 15:00 16:00 17:00 18:00 19:00

Мы постараемся перезвонить в указанное время

Если вы не хотите ждать, то звоните нашим вежливым консультантам:

8 800 100-2-700
Подтвердите, что вы не робот
Подтвердите, что вы не робот
Спасибо!

Ваше сообщение успешно отправлено!

ЗакрытьПовторить попытку