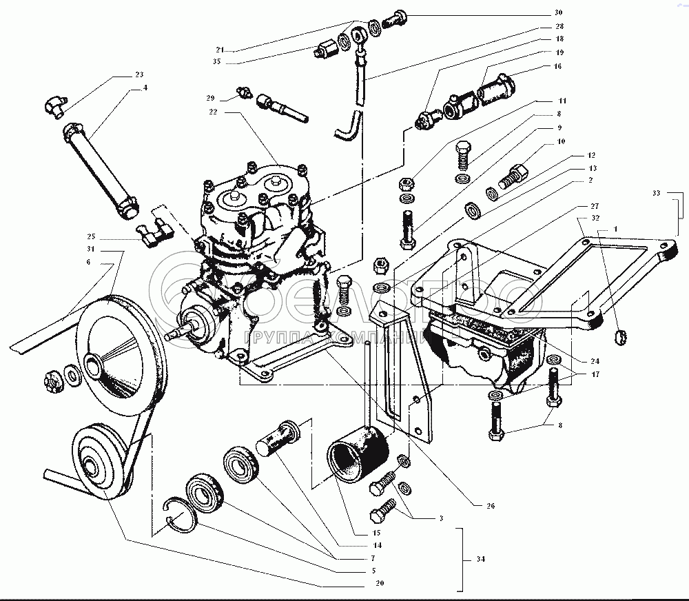
Каталог запасных частей к технике: ЗИЛ-43272Н, 43273Н. Установка пневмокомпрессора

zoom-in zoom-out enlarge shrink circle-right circle-left file-text2 info cart arraw right arraw left zoom out zoom in arraw maximize arraw minimize
1
2
3
4
5
6
7
8
8
9
10
11
12
13
14
15
16
17
18
19
20
21
22
23
24
25
26
27
28
29
30
31
32
33
34
35
24
240-3509037-А
Прокладка
В узле: 1
240-3509037-А Прокладка МТЗ, ЗИЛ, ПАЗ компрессора >10 шт. 8.54 р.
28
240-3509150-01
Маслопровод
В узле: 1
240-3509150-01 Маслопровод МТЗ, ЗИЛ компрессора, L=410 мм, ММЗ* Под заказ 740.98 р.
29
240-3509232
Штуцер
В узле: 1
240-3509232 Штуцер МТЗ, ЗИЛ маслопровода компрессора, L=31мм, (А) Под заказ 23.55 р.
23
265-3509030-А
Штуцер
В узле: 1
265-3509030-А Штуцер термостата МТЗ угловой, ММЗ Под заказ 617.50 р.
1
Д 02-003-А
Заглушка
В узле: 1
2
10.01.08кп.019
Шайба
В узле: 1
3
М10-6gх20.88.35.019
Болт
В узле: 1
4
20х29-545-1,6
Рукав
В узле: 1
5
С40
Кольцо
В узле: 1
6
1кл.-11х10-1400
Ремень
В узле: 1
7
6-180203К1С17
Подшипник
В узле: 1
8
М10-6gх30.88.35.019
Болт
В узле: 1
9
М10-6gх40.88.35.016
Болт
В узле: 1
10
М14-6gх25.88.35.016
Болт
В узле: 1
11
М10-6Н.6.019
Гайка
В узле: 1
12
14.65Г.06
Шайба
В узле: 1
13
14.01.08кп.019
Шайба
В узле: 1
14
245-3509502-А
Ось
В узле: 1
15
245-3509510
Корпус ролика
В узле: 1
16
ХС26-0.19
Хомут стяжной
В узле: 1
17
10.65Г.06
Шайба
В узле: 1
18
245-1307027
Штуцер
В узле: 1
19
20х29-360-1,6
Рукав
В узле: 1
20
245-3509501-А
Шкив ролика
В узле: 1
21
36-1104788-01
Прокладка
В узле: 1
22
4331-3509009
Компрессор
В узле: 1
25
265-3509040-А
Штуцер
В узле: 1
26
245-3509103
Прокладка
В узле: 1
27
245-3509410
Стойка
В узле: 1
30
240-3509233
Болт штуцера
В узле: 1
31
245-3509300
Шкив
В узле: 1
32
245-3509400-А
Кронштейн
В узле: 1
33
245-3509420
Кронштейн
В узле: 1
34
245-3509500-А
Ролик натяжной
В узле: 1
35
245-3509104
Штуцер
В узле: 1
Содержащиеся в справочниках-каталогах запасные части и детали не предлагаются к продаже, а носят исключительно информационный характер

Ваша заявка была отправлена. В ближайшее время наши специалисты с Вами свяжутся по указанному Вами телефону.

Представьтесь
Поле обязательно для заполнения
Ваш телефон
Введите правильный номер телефона
E-mail
Введите правильный e-mail
Тема
Тема
применяемость финансирование доставка цена, наличие другое сервис и гарантия
Время для звонка
08:00
08:00 09:00 10:00 11:00 12:00 13:00 14:00 15:00 16:00 17:00 18:00 19:00
19:00
08:00 09:00 10:00 11:00 12:00 13:00 14:00 15:00 16:00 17:00 18:00 19:00

Мы постараемся перезвонить в указанное время

Если вы не хотите ждать, то звоните нашим вежливым консультантам:

8 800 100-2-700
Подтвердите, что вы не робот
Подтвердите, что вы не робот
Спасибо!

Ваше сообщение успешно отправлено!

ЗакрытьПовторить попытку