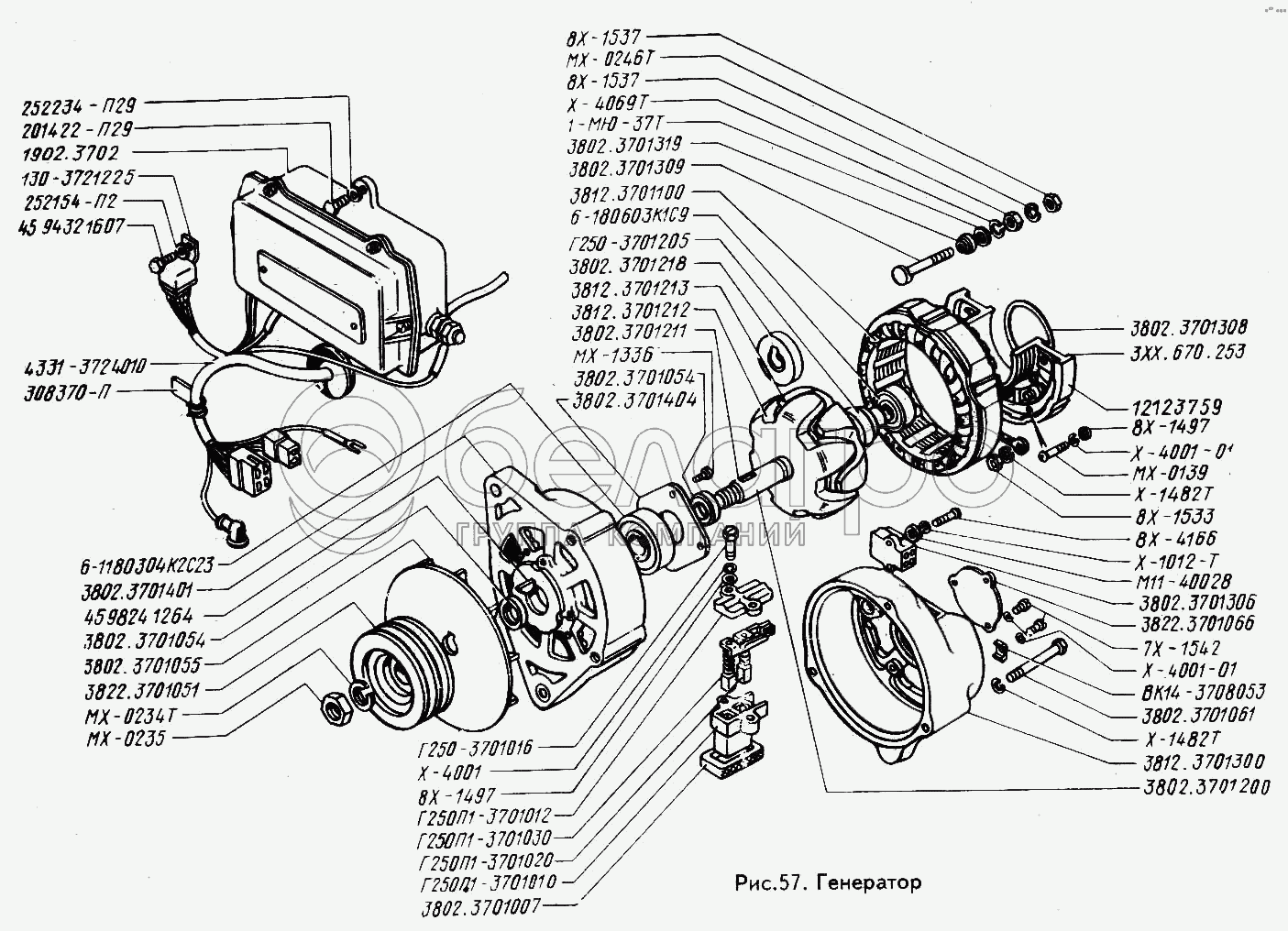
Каталог запасных частей к технике: ЗИЛ-433100. Генератор

zoom-in zoom-out enlarge shrink circle-right circle-left file-text2 info cart arraw right arraw left zoom out zoom in arraw maximize arraw minimize
Г250-3701205
6-1180304К2С23
4331-3724010
252154-П2
130-3721225
201422-П29
252234-П29
3802.3701404
3802.3701211
3812.3701212
3812.3701213
3802.3701218
3802.3701401
3802.3701308
7Х-1542
3802.3701306
М11-40028
Х-1012-Т
8Х-4166
8Х-1533
Х-1482-Т
Х-1482-Т
МХ-0139
Х-4001-01
Х-4001-01
ВК14-3708053
МХ-0235
3812.3701300
1.902.3702
3802.3701200
3812.3701100
1212.3759
3822.3701051
Г260П 1.3701020
Г250П 1.3701030
Г250П 1.3701010
Г250П1-3701012
3802.3701055
МХ-0234-Т
6-180603К1С9
3802.3701319
1-МЮ-37Т
Х-4069Т
8Х-1537
8Х-1537
8Х-1497
8Х-1497
Х-4001
Г250-3701016
3802.3701054
3802.3701054
Г250-3701205
Кольцо контактное в сборе
В узле: ---
6-1180304К2С23
Подшипник насоса гидроусилителя руля
В узле: ---
4331-3724010
Жгут проводов средний
В узле: ---
252154-П2
Шайба пружинная
В узле: ---
130-3721225
Реле универсальное 111.3747
В узле: ---
201422-П29
Болт
В узле: ---
252234-П29
Шайба зубчатая
В узле: ---
3802.3701404
Шайба специальная
В узле: ---
3802.3701211
Вал ротора
В узле: ---
3812.3701212
Наконечник полюсный со стороны привода
В узле: ---
3812.3701213
Наконечник полюсный со стороны контактных колец
В узле: ---
3802.3701218
Кольцо защитное
В узле: ---
3802.3701401
Крышка со стороны привода с втулками в сборе
В узле: ---
3802.3701308
Втулка
В узле: ---
7Х-1542
Винт
В узле: ---
3802.3701306
Колодка
В узле: ---
М11-40028
Шайба
В узле: ---
Х-1012-Т
Шайба пружинная
В узле: ---
8Х-4166
Винт
В узле: ---
8Х-1533
Гайка
В узле: ---
Х-1482-Т
Шайба пружинная
В узле: ---
МХ-0139
Винт крепления выпрямительного блока
В узле: ---
Х-4001-01
Шайба пружинная
В узле: ---
ВК14-3708053
Скоба
В узле: ---
МХ-0235
Гайка
В узле: ---
3812.3701300
Крышка со стороны кон-тактных колец
В узле: 1
3802.3701400
Крышка со стороны привода
В узле: ---
1.902.3702
Регулятор напряжения 4331-3702010 (взамен РР132)
В узле: 1
3802.3701200
Ротор в сборе
В узле: 1
3812.3701100
Статор в сборе
В узле: 1
1212.3759
Трансформаторновыпрямительный блок
В узле: 1
3822.3701051
Шкив
В узле: 1
Г260П 1.3701020
Щетка
В узле: 1
Г250П 1.3701030
Щетка
В узле: 1
Г250П 1.3701010
Щеткодержатель
В узле: 1
Г250П1-3701012
Крышка щеткодержателя
В узле: ---
3802.3701055
Вентилятор
В узле: 1
МХ-0234-Т
Шайба пружинная
В узле: ---
6-180603К1С9
Подшипник
В узле: ---
3802.3701319
Втулка изоляционная
В узле: ---
1-МЮ-37Т
Шайба
В узле: ---
Х-4069Т
Шайба гровера
В узле: ---
8Х-1537
Гайка
В узле: ---
8Х-1497
Шайба
В узле: ---
Х-4001
Шайба пружинная
В узле: ---
Г250-3701016
Болт специальный
В узле: ---
3802.3701054
Втулка
В узле: ---
Содержащиеся в справочниках-каталогах запасные части и детали не предлагаются к продаже, а носят исключительно информационный характер

Ваша заявка была отправлена. В ближайшее время наши специалисты с Вами свяжутся по указанному Вами телефону.

Представьтесь
Поле обязательно для заполнения
Ваш телефон
Введите правильный номер телефона
E-mail
Введите правильный e-mail
Тема
Тема
применяемость финансирование доставка цена, наличие другое сервис и гарантия
Время для звонка
08:00
08:00 09:00 10:00 11:00 12:00 13:00 14:00 15:00 16:00 17:00 18:00 19:00
19:00
08:00 09:00 10:00 11:00 12:00 13:00 14:00 15:00 16:00 17:00 18:00 19:00

Мы постараемся перезвонить в указанное время

Если вы не хотите ждать, то звоните нашим вежливым консультантам:

8 800 100-2-700
Подтвердите, что вы не робот
Подтвердите, что вы не робот
Спасибо!

Ваше сообщение успешно отправлено!

ЗакрытьПовторить попытку