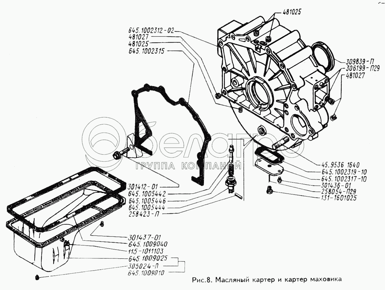
Каталог запасных частей к технике: ЗИЛ-433100. Масляный картер и картер маховика

zoom-in zoom-out enlarge shrink circle-right circle-left file-text2 info cart arraw right arraw left zoom out zoom in arraw maximize arraw minimize
645.1009010
645.1009040
645.1002315
645.1002312-02
131-1601025
258054-П29
309839-П
305024-П
115-1011103
645.1005444
645.1005446
645.1005442
645.1009010
Картер масляный до 1992 г.
В узле: 1
645.1009010-20
Картер масляный с 1992 г.
В узле: 1
645.1009040
Прокладка масляного картера
В узле: 1
4331-1015293
Шланг отводящий 18х580 мм
В узле: 1
645.1014046
Шланг вентиляции картера
В узле: 1
645.1002315
Прокладка картера маховика
В узле: ---
645.1002312-02
Картер маховика
В узле: ---
131-1601025
Пробка
В узле: ---
258054-П29
Шплинт
В узле: ---
309839-П
Манжета коленчатого вала задняя
В узле: ---
305024-П
Пробка магнитная
В узле: ---
115-1011103
Угольник
В узле: ---
645.1005444
Корпус фиксатора
В узле: ---
645.1005446
Пружина
В узле: ---
645.1005442
Фиксатор маховика
В узле: ---
Содержащиеся в справочниках-каталогах запасные части и детали не предлагаются к продаже, а носят исключительно информационный характер

Ваша заявка была отправлена. В ближайшее время наши специалисты с Вами свяжутся по указанному Вами телефону.

Представьтесь
Поле обязательно для заполнения
Ваш телефон
Введите правильный номер телефона
E-mail
Введите правильный e-mail
Тема
Тема
применяемость финансирование доставка цена, наличие другое сервис и гарантия
Время для звонка
08:00
08:00 09:00 10:00 11:00 12:00 13:00 14:00 15:00 16:00 17:00 18:00 19:00
19:00
08:00 09:00 10:00 11:00 12:00 13:00 14:00 15:00 16:00 17:00 18:00 19:00

Мы постараемся перезвонить в указанное время

Если вы не хотите ждать, то звоните нашим вежливым консультантам:

8 800 100-2-700
Подтвердите, что вы не робот
Подтвердите, что вы не робот
Спасибо!

Ваше сообщение успешно отправлено!

ЗакрытьПовторить попытку