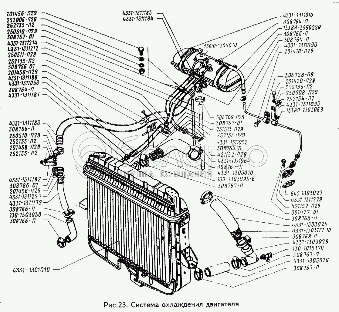
Каталог запасных частей к технике: ЗИЛ-433100. Система охлаждения двигателя

zoom-in zoom-out enlarge shrink circle-right circle-left file-text2 info cart arraw right arraw left zoom out zoom in arraw maximize arraw minimize
421152-П29
421152-П29
250511-П29
250510-П29
250510-П29
252005-П29
308764-П
308764-П
308764-П
308764-П
201456-П29
201456-П29
201456-П29
4331-1311182
251513-П29
306709-П29
150Ю-1304010
130-1303095-Б
252135-П2
252135-П2
252135-П2
252135-П2
252135-П2
133ВЯ-3560220
201418-П29
201420-П29
252134-П2
250508-П29
645.1303027
4331-1303117-10
130-1015370
4331-1303028
308768-П
308768-П
4331-1303025
4331-1301010
4331-1311053
4331-1311052
4331-1303010
4331-1311189
4331-1311010
4331-1303026
4331-1311212
4331-1311214
201458-П29
130-1303030
4331-1311179
4331-1311227
308786-01
308766-П
308766-П
308766-П
308766-П
421152-П29
Штуцер ввертной
В узле: ---
250511-П29
Гайка
В узле: ---
250510-П29
Гайка
В узле: ---
252005-П29
Шайба
В узле: ---
308764-П
Хомут в сборе
В узле: ---
201456-П29
Болт
В узле: ---
4331-1311182
Скоба крепления перепускной трубы
В узле: ---
251513-П29
Гайка-барашек
В узле: ---
306709-П29
Хомут
В узле: ---
150Ю-1304010
Пробка радиатора в сборе
В узле: ---
130-1303095-Б
Пружина распорная отводящего шланга
В узле: ---
252135-П2
Шайба пружинная
В узле: ---
133ВЯ-3560220
Шланг соединительный
В узле: ---
201418-П29
Болт
В узле: ---
201420-П29
Болт
В узле: ---
252134-П2
Шайба пружинная
В узле: ---
250508-П29
Гайка
В узле: ---
645.1303027
Прокладка отводящего патрубка головки блока цилиндров
В узле: ---
4331-1303117-10
Пружина распорная подводящего шланга
В узле: ---
130-1015370
Кран сливной в сборе
В узле: ---
4331-1303028
Колено отводящего патрубка радиатора
В узле: ---
308768-П
Хомут
В узле: ---
4331-1303025
Шланг подводящий
В узле: 1
4331-1302040
Буфер тяги
В узле: 1
645.1303014
Патрубок отводящий головки блока
В узле: 1
4331-1302037
Подушка крепления радиатора
В узле: 1
4331-1302060
Подушка крепления радиатора
В узле: 1
485475
Подшипник муфты отключения вентилятора 6-256805ЕС23
В узле: 1
4331-1301010
Радиатор
В узле: 1
4331-1311053
Шланг отвода жидкости из бачка в радиатор
В узле: 1
4331-1311052
Шланг отвода жидкости из компрессора в расширительный бачок
В узле: 1
4331-1303010
Шланг отводящий водяного патрубка
В узле: 1
4331-1311189
Шланг перепускной
В узле: 1
4331-1311010
Бачок расширительный системы охлаждения.
В узле: 1
4331-1303026
Шланг радиатора
В узле: 1
4331-1311212
Шланг слива жидкости
В узле: ---
4331-1311214
Шланг пароотводящей трубки
В узле: ---
201458-П29
Болт
В узле: ---
130-1303030
Шланг байпаса соединительный
В узле: ---
4331-1311179
Труба перепускная
В узле: ---
4331-1311227
Прокладка хомута
В узле: ---
308786-01
Хомут
В узле: ---
308766-П
Хомут червячный в сборе
В узле: ---
Содержащиеся в справочниках-каталогах запасные части и детали не предлагаются к продаже, а носят исключительно информационный характер

Ваша заявка была отправлена. В ближайшее время наши специалисты с Вами свяжутся по указанному Вами телефону.

Представьтесь
Поле обязательно для заполнения
Ваш телефон
Введите правильный номер телефона
E-mail
Введите правильный e-mail
Тема
Тема
применяемость финансирование доставка цена, наличие другое сервис и гарантия
Время для звонка
08:00
08:00 09:00 10:00 11:00 12:00 13:00 14:00 15:00 16:00 17:00 18:00 19:00
19:00
08:00 09:00 10:00 11:00 12:00 13:00 14:00 15:00 16:00 17:00 18:00 19:00

Мы постараемся перезвонить в указанное время

Если вы не хотите ждать, то звоните нашим вежливым консультантам:

8 800 100-2-700
Подтвердите, что вы не робот
Подтвердите, что вы не робот
Спасибо!

Ваше сообщение успешно отправлено!

ЗакрытьПовторить попытку