Каталог запасных частей к технике: ЗИЛ-433100. Крышка распределительных шестерен

zoom-in zoom-out enlarge shrink circle-right circle-left file-text2 info cart arraw right arraw left zoom out zoom in arraw maximize arraw minimize
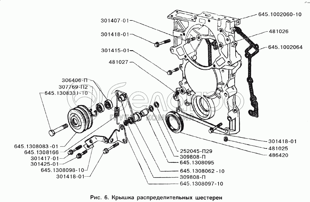
486420
645.1308166
301418-01
301418-01
301418-01
301407-01
301415-01
481027
481026
481025
306406-П
309808-П
309808-П
307769-П2
252045-П29
645.1002058-10
301417-01
301425-01
645.1308098-10
645.1308331-10
645.1308097-10
645.1308095
645.1308083-01
645.1308062-10
645.1002064
645.1002060-10
486420
Манжета переднего конца коленчатого вала и ведущей шестерни заднего моста
В узле: ---
645.1308166
Пружина шкива
В узле: ---
301418-01
Болт
В узле: ---
301407-01
Болт
В узле: ---
301415-01
Болт
В узле: ---
481027
Вставка резьбовая
В узле: ---
481026
Вставка резьбовая
В узле: ---
481025
Вставка резьбовая
В узле: ---
306406-П
Подшипник шкива натяжного водяного насоса 180502К1С9
В узле: ---
309808-П
Манжета
В узле: ---
307769-П2
Кольцо стопорное
В узле: ---
252045-П29
Шайба
В узле: ---
645.1002058-10
Крышка распределительных шестерен в сборе
В узле: 1
301417-01
Болт
В узле: ---
301425-01
Болт
В узле: ---
645.1308098-10
Пластина крепления оси шкива
В узле: ---
645.1308331-10
Ось натяжного шкива
В узле: ---
645.1308097-10
Кронштейн пружины натяжного шкива
В узле: ---
645.1308095
Ось рычага натяжного шкива
В узле: 1
645.1308083-01
Шкив натяжной привода вентилятора
В узле: 1
645.1308062-10
Рычаг натяжного шкива
В узле: 1
645.1308024-01
Шкив натяжной с кронштейном в сборе
В узле: 1
645.1002064
Прокладка крышки распределительных шестерён
В узле: 1
645.1002060-10
Крышка распределительных шестерен с 1992 г.
В узле: 1
Содержащиеся в справочниках-каталогах запасные части и детали не предлагаются к продаже, а носят исключительно информационный характер

Ваша заявка была отправлена. В ближайшее время наши специалисты с Вами свяжутся по указанному Вами телефону.

Представьтесь
Поле обязательно для заполнения
Ваш телефон
Введите правильный номер телефона
E-mail
Введите правильный e-mail
Тема
Тема
применяемость финансирование доставка цена, наличие другое сервис и гарантия
Время для звонка
08:00
08:00 09:00 10:00 11:00 12:00 13:00 14:00 15:00 16:00 17:00 18:00 19:00
19:00
08:00 09:00 10:00 11:00 12:00 13:00 14:00 15:00 16:00 17:00 18:00 19:00

Мы постараемся перезвонить в указанное время

Если вы не хотите ждать, то звоните нашим вежливым консультантам:

8 800 100-2-700
Подтвердите, что вы не робот
Подтвердите, что вы не робот
Спасибо!

Ваше сообщение успешно отправлено!

ЗакрытьПовторить попытку