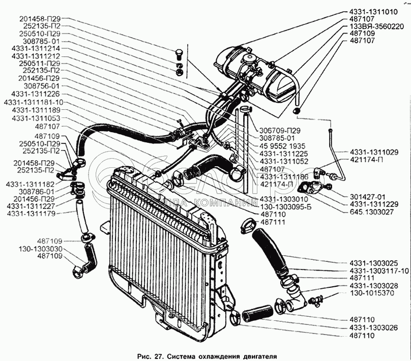
Каталог запасных частей к технике: ЗИЛ-433100. Система охлаждения двигателя

zoom-in zoom-out enlarge shrink circle-right circle-left file-text2 info cart arraw right arraw left zoom out zoom in arraw maximize arraw minimize
306709-П29
4331-1311226
4331-1311227
4331-1311229
133ВЯ-3560220
201456-П29
201456-П29
201458-П29
201458-П29
250510-П29
250510-П29
250511-П29
252135-П2
252135-П2
252135-П2
252135-П2
301427-01
4331-1311225
308785-01
308785-01
308786-01
308786-01
421174-П
421174-П
487107
487107
487107
487107
487109
487109
487109
487109
487110
487110
487110
487111
487111
4595521935
645.1303027
4331-1311052
4331-1303010
4331-1303025
4331-1303026
4331-1303028
130-1303030
130-1303095-Б
4331-1303117-10
4331-1311010
4331-1311029
130-1015370
4331-1311053
4331-1311179
4331-1311181-10
4331-1311182
4331-1311186
4331-1311189
4331-1311212
4331-1311214
306709-П29
Хомут
В узле: 1
4331-1311226
Прокладка хомута
В узле: 1
4331-1311227
Прокладка хомута
В узле: 1
4331-1311229
Фланец
В узле: 1
133ВЯ-3560220
Шланг соединительный
В узле: 1
201456-П29
Болт
В узле: 2
201458-П29
Болт
В узле: 2
250510-П29
Гайка
В узле: 2
250511-П29
Гайка
В узле: 1
252135-П2
Шайба пружинная
В узле: 6
301427-01
Болт
В узле: 2
4331-1311225
Прокладка хомута
В узле: 3
308785-01
Хомут
В узле: 3
308786-01
Хомут
В узле: 1
421174-П
Угольник тормозного крана
В узле: 2
487107
Хомут
В узле: 6
487109
Хомут
В узле: 4
487110
Хомут
В узле: 4
487111
Хомут
В узле: 2
4595521935
Гайка
В узле: 1
645.1303027
Прокладка отводящего патрубка головки блока цилиндров
В узле: ---
4331-1311052
Шланг отвода жидкости из компрессора в расширительный бачок
В узле: 1
4331-1303010
Шланг отводящий водяного патрубка
В узле: 1
4331-1303025
Шланг подводящий
В узле: 1
4331-1303026
Шланг радиатора
В узле: 1
4331-1303028
Колено отводящего патрубка радиатора
В узле: 1
130-1303030
Шланг байпаса соединительный
В узле: 1
130-1303095-Б
Пружина распорная отводящего шланга
В узле: 1
4331-1303117-10
Пружина распорная подводящего шланга
В узле: 1
4331-1311010
Бачок расширительный системы охлаждения.
В узле: 1
4331-1311029
Трубка отвода жидкости из блока к бачку
В узле: 1
130-1015370
Кран сливной в сборе
В узле: 1
4331-1311053
Шланг отвода жидкости из бачка в радиатор
В узле: 1
4331-1311179
Труба перепускная
В узле: 1
4331-1311181-10
Кронштейн крепления перепускного трубопровода
В узле: 1
4331-1311182
Скоба крепления перепускной трубы
В узле: 1
4331-1311186
Трубка подсоединения шланга от компрессора к расширительному бачку
В узле: 1
4331-1311189
Шланг перепускной
В узле: 1
4331-1311205
Кронштейн
В узле: 1
4331-1311212
Шланг слива жидкости
В узле: 1
4331-1311214
Шланг пароотводящей трубки
В узле: 1
Содержащиеся в справочниках-каталогах запасные части и детали не предлагаются к продаже, а носят исключительно информационный характер

Ваша заявка была отправлена. В ближайшее время наши специалисты с Вами свяжутся по указанному Вами телефону.

Представьтесь
Поле обязательно для заполнения
Ваш телефон
Введите правильный номер телефона
E-mail
Введите правильный e-mail
Тема
Тема
применяемость финансирование доставка цена, наличие другое сервис и гарантия
Время для звонка
08:00
08:00 09:00 10:00 11:00 12:00 13:00 14:00 15:00 16:00 17:00 18:00 19:00
19:00
08:00 09:00 10:00 11:00 12:00 13:00 14:00 15:00 16:00 17:00 18:00 19:00

Мы постараемся перезвонить в указанное время

Если вы не хотите ждать, то звоните нашим вежливым консультантам:

8 800 100-2-700
Подтвердите, что вы не робот
Подтвердите, что вы не робот
Спасибо!

Ваше сообщение успешно отправлено!

ЗакрытьПовторить попытку