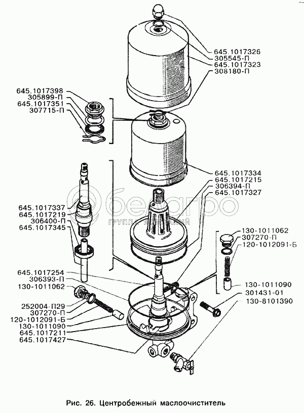
Каталог запасных частей к технике: ЗИЛ-433100. Центробежный маслоочиститель

zoom-in zoom-out enlarge shrink circle-right circle-left file-text2 info cart arraw right arraw left zoom out zoom in arraw maximize arraw minimize
305899-П
645.1017398
645.1017427
130-8101390
252004-П29
301431-01
305545-П
645.1017351
306393-П
306394-П
306400-П
307270-П
307270-П
307715-П
308180-П
130-1011062
130-1011062
645.1017345
645.1017337
645.1017334
645.1017327
645.1017326
645.1017323
645.1017254
645.1017219
645.1017215
645.1017211
645.1017210
120-1012091-Б
120-1012091-Б
130-1011090
130-1011090
305899-П
Шайба
В узле: 1
645.1017398
Гайка центрифуги
В узле: 1
645.1017415
Втулка ротора центробежного маслоочистителя верхняя
В узле: 1
645.1017416
Втулка ротора центробежного маслоочнстителя нижняя
В узле: 1
645.1017427
Кольцо стопорное
В узле: 1
130-8101390
Кран системы отопления в сборе
В узле: 1
252004-П29
Шайба
В узле: 5
301431-01
Болт
В узле: 4
305545-П
Шайба уплотнительная
В узле: 1
645.1017351
Прокладка гайки ротора центробежного маслоочистителя
В узле: 1
306281-П
Шарик корпуса
В узле: 2
306393-П
Кольцо уплотнительное центробежного очистите ля
В узле: 1
306394-П
Кольцо уплотнительное центробежного очистителя
В узле: 1
306400-П
Подшипник центрифуги 1000906
В узле: 1
307270-П
Прокладка
В узле: 2
307715-П
Кольцо стопорное
В узле: 1
308180-П
Кольцо упорное
В узле: 1
130-1011062
Пробка редукционного и перепускного клапанов
В узле: 2
645.1017345
Трубка оси центрифуги
В узле: 1
645.1017337
Ось центрифуги
В узле: 1
645.1017334
Крышка ротора с балансировочным грузиком в сборе
В узле: 1
645.1017327
Прокладка корпуса центробежного очистителя
В узле: 1
645.1017326
Гайка кожуха
В узле: 1
645.1017323
Кожух маслоочистителя
В узле: 1
645.1017254
Ось маслоочистителя с втулкой и шарикоподшипником в сборе
В узле: 1
645.1017219
Втулка экранирующая
В узле: 1
645.1017216
Ротор
В узле: 1
645.1017215
Ротор маслоочистителя с втулками в сборе
В узле: 1
645.1017213
Корпус маслоочистителя
В узле: 1
645.1017211
Корпус маслоочистителя с шариками в сборе
В узле: 1
645.1017210
Маслоочиститель центробежный
В узле: 1
120-1012091-Б
Пружина сливного клапана
В узле: 2
130-1011090
Плунжер клапана центробежного маслоочистителя
В узле: 2
Содержащиеся в справочниках-каталогах запасные части и детали не предлагаются к продаже, а носят исключительно информационный характер

Ваша заявка была отправлена. В ближайшее время наши специалисты с Вами свяжутся по указанному Вами телефону.

Представьтесь
Поле обязательно для заполнения
Ваш телефон
Введите правильный номер телефона
E-mail
Введите правильный e-mail
Тема
Тема
применяемость финансирование доставка цена, наличие другое сервис и гарантия
Время для звонка
08:00
08:00 09:00 10:00 11:00 12:00 13:00 14:00 15:00 16:00 17:00 18:00 19:00
19:00
08:00 09:00 10:00 11:00 12:00 13:00 14:00 15:00 16:00 17:00 18:00 19:00

Мы постараемся перезвонить в указанное время

Если вы не хотите ждать, то звоните нашим вежливым консультантам:

8 800 100-2-700
Подтвердите, что вы не робот
Подтвердите, что вы не робот
Спасибо!

Ваше сообщение успешно отправлено!

ЗакрытьПовторить попытку