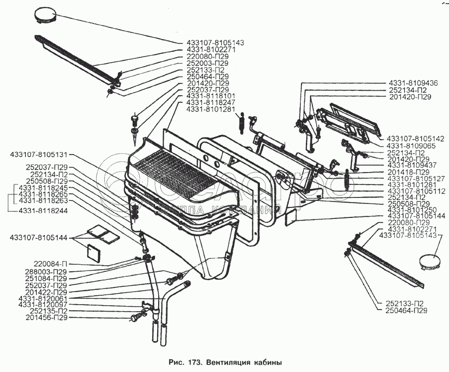
Каталог запасных частей к технике: ЗИЛ-433100. Вентиляция кабины

zoom-in zoom-out enlarge shrink circle-right circle-left file-text2 info cart arraw right arraw left zoom out zoom in arraw maximize arraw minimize
250508-П29
250508-П29
4331-8120097
201418-П29
201420-П29
201420-П29
201420-П29
201422-П29
201456-П29
220080-П29
220080-П29
220084-П
250464-П29
250464-П29
4331-8120061
251084-П29
252003-П29
252037-П29
252037-П29
252037-П29
252133-П2
252133-П2
252134-П2
252134-П2
252134-П2
252134-П2
252135-П2
288003-П29
4331-8109065
4331-8101281
4331-8101281
4331-8102271
4331-8102271
433107-8105112
433107-8105127
433107-8105131
433107-8105142
433107-8105143
433107-8105143
433107-8105144
433107-8105144
4331-8101250
4331-8109436
4331-8109437
4331-8118101
4331-8118244
4331-8118245
4331-8118247
4331-8118263
4331-8118265
250508-П29
Гайка
В узле: 11
4331-8120097
Скоба
В узле: 1
201418-П29
Болт
В узле: 4
201420-П29
Болт
В узле: 13
201422-П29
Болт
В узле: 6
201456-П29
Болт
В узле: 1
201456-П29
Болт
В узле: 4
220080-П29
Винт
В узле: 4
220084-П
Винт
В узле: 2
250464-П29
Гайка
В узле: 4
4331-8120061
Трубка сливная
В узле: 2
251084-П29
Гайка
В узле: 2
252003-П29
Шайба
В узле: 4
252037-П29
Шайба
В узле: 20
252038-П29
Шайба
В узле: 4
252133-П2
Шайба пружинная
В узле: 4
252134-П2
Шайба пружинная
В узле: 17
252135-П2
Шайба пружинная
В узле: 5
288003-П29
Хомут
В узле: 2
4594321580
Винт
В узле: 4
4331-8109065
Панель привода
В узле: 1
4331-8101281
Пружина заслонки
В узле: 2
4331-8102271
Накладка сопла
В узле: 2
433107-8105112
Крышка люка
В узле: 1
433107-8105127
Кронштейн-ограничитель
В узле: 1
433107-8105131
Козырек водоотражательный
В узле: 1
433107-8105142
Заглушка отверстия в панели приборов
В узле: 1
433107-8105143
Заглушка
В узле: 2
433107-8105144
Заглушка отверстий под шланги отопления
В узле: 4
433107-8105247
Прокладка
В узле: 1
4331-8101250
Панель отопителя
В узле: 1
4331-8109436
Кронштейн привода правый в сборе
В узле: 1
4331-8109437
Кронштейн привода левый в сборе
В узле: 1
4331-8118101
Крышка кожуха
В узле: 1
4331-8118244
Кожух вентилятора в сборе
В узле: 1
4331-8118245
Кожух
В узле: 1
4331-8118247
Уплотнитель кожуха
В узле: 1
4331-8118263
Патрубок кожуха
В узле: 2
4331-8118265
Втулка патрубка
В узле: 2
Содержащиеся в справочниках-каталогах запасные части и детали не предлагаются к продаже, а носят исключительно информационный характер

Ваша заявка была отправлена. В ближайшее время наши специалисты с Вами свяжутся по указанному Вами телефону.

Представьтесь
Поле обязательно для заполнения
Ваш телефон
Введите правильный номер телефона
E-mail
Введите правильный e-mail
Тема
Тема
применяемость финансирование доставка цена, наличие другое сервис и гарантия
Время для звонка
08:00
08:00 09:00 10:00 11:00 12:00 13:00 14:00 15:00 16:00 17:00 18:00 19:00
19:00
08:00 09:00 10:00 11:00 12:00 13:00 14:00 15:00 16:00 17:00 18:00 19:00

Мы постараемся перезвонить в указанное время

Если вы не хотите ждать, то звоните нашим вежливым консультантам:

8 800 100-2-700
Подтвердите, что вы не робот
Подтвердите, что вы не робот
Спасибо!

Ваше сообщение успешно отправлено!

ЗакрытьПовторить попытку