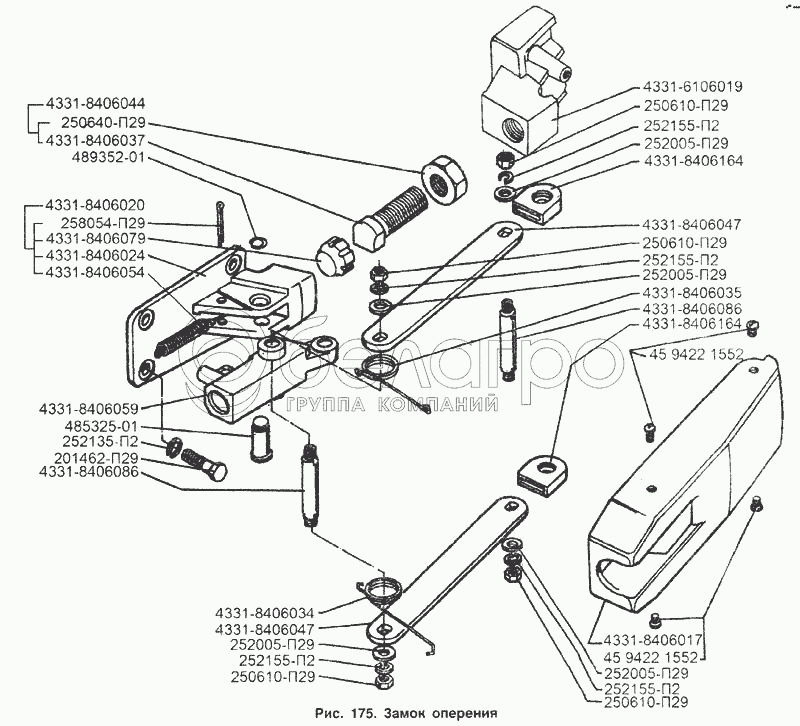
Каталог запасных частей к технике: ЗИЛ-433100. Замок оперения

zoom-in zoom-out enlarge shrink circle-right circle-left file-text2 info cart arraw right arraw left zoom out zoom in arraw maximize arraw minimize
4331-8406079
4594221552
4594221552
489352-01
485325-01
258054-П29
252155-П2
252155-П2
252155-П2
252155-П2
252135-П2
252005-П29
252005-П29
252005-П29
252005-П29
250640-П29
250610-П29
250610-П29
250610-П29
250610-П29
201462-П29
4331-8406164
4331-8406164
4331-8406086
4331-8406086
4331-6106019
4331-8406059
4331-8406054
4331-8406047
4331-8406047
4331-8406044
4331-8406037
4331-8406035
4331-8406034
4331-8406024
4331-8406020
4331-8406017
4331-8406010
4331-8406079
Буфер замка
В узле: 2
4594221552
Винт
В узле: 8
489352-01
Кольцо
В узле: 2
485325-01
Палец
В узле: 2
258054-П29
Шплинт
В узле: 2
252155-П2
Шайба пружинная
В узле: 8
252135-П2
Шайба пружинная
В узле: 8
252005-П29
Шайба
В узле: 8
250640-П29
Гайка
В узле: 2
250610-П29
Гайка
В узле: 8
201462-П29
Болт
В узле: 8
4331-8406164
Буфер пластины
В узле: 4
4331-8406086
Ось замка
В узле: 4
4331-6106019
Петля навески двери трехушковая
В узле: 2
4331-8406059
Рычаг замка
В узле: 2
4331-8406054
Пружина рычага замка
В узле: 2
4331-8406047
Пластина
В узле: 4
4331-8406044
Штырь замка в сборе
В узле: 2
4331-8406037
Штырь замка
В узле: 2
4331-8406035
Пружина замка левая
В узле: 2
4331-8406034
Пружина замка оперения
В узле: 2
4331-8406024
Основание замка
В узле: 2
4331-8406020
Основание замка с буфером в сборе
В узле: 2
4331-8406017
Кожух замка оперения
В узле: 2
4331-8406010
Замок оперения в сборе
В узле: 2
Содержащиеся в справочниках-каталогах запасные части и детали не предлагаются к продаже, а носят исключительно информационный характер

Ваша заявка была отправлена. В ближайшее время наши специалисты с Вами свяжутся по указанному Вами телефону.

Представьтесь
Поле обязательно для заполнения
Ваш телефон
Введите правильный номер телефона
E-mail
Введите правильный e-mail
Тема
Тема
применяемость финансирование доставка цена, наличие другое сервис и гарантия
Время для звонка
08:00
08:00 09:00 10:00 11:00 12:00 13:00 14:00 15:00 16:00 17:00 18:00 19:00
19:00
08:00 09:00 10:00 11:00 12:00 13:00 14:00 15:00 16:00 17:00 18:00 19:00

Мы постараемся перезвонить в указанное время

Если вы не хотите ждать, то звоните нашим вежливым консультантам:

8 800 100-2-700
Подтвердите, что вы не робот
Подтвердите, что вы не робот
Спасибо!

Ваше сообщение успешно отправлено!

ЗакрытьПовторить попытку