Каталог запасных частей к технике: ЗИЛ-433110. Головка блока цилиндров, клапаны и толкатели

zoom-in zoom-out enlarge shrink circle-right circle-left file-text2 info cart arraw right arraw left zoom out zoom in arraw maximize arraw minimize
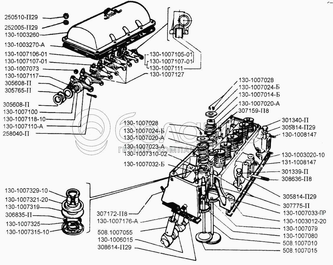
130-1007023-А
305608-П
305608-П
508.1007055
130-1007024-Б
130-1007024-Б
130-1007028
130-1007028
130-1007105-01
130-1007106-01
130-1007107-01
130-1007107-01
252005-П29
130-1007080
130-1007079
130-1007325
130-1007319
130-1007020-А
130-1007020-А
130-1007127
130-1003020-10
305814-П29
305814-П29
305765-П
130-1007321-20
306835-П
307172-П8
308636-П8
307159-П8
308614-П29
130-1008147
131-1008147
258040-П
130-1007176-А
250510-П29
301339-П
130-1006015
130-1007117
130-1007111
130-1007118-10
130-1007032-Б
130-1007033-ПР
130-1007329-10
301340-П
130-1007073
130-1003012-20
508.1007010
508.1007015
307775-П
130-1007110-А
130-1007315-10
130-1003260
130-1007014-Б
130-1007310-02
130-1007100
130-1003270-А
130-1007080-Р1
Седло вставное выпускного клапана, увеличенное на 0,3 мм
В узле: 1
130-1007023-А
Шайба клапанной пружины впускного клапана
В узле: 8
305608-П
Шайба
В узле: ---
508.1007055
Толкатель клапана
В узле: 16
130-1007024-Б
Тарелка клапанной пружины
В узле: 16
130-1007028
Сухарь клапана
В узле: 32
130-1007105-01
Стойка оси коромысла с втулкой в сборе
В узле: 4
130-1007106-01
Стойка маслоподводящая
В узле: 2
130-1007107-01
Стойка
В узле: 2
252005-П29
Шайба
В узле: 16
130-1007080
Седло вставное выпускного клапана
В узле: 8
130-1007079-Р1
Седло вставное впускного клапана, увеличенное на 0,3 мм
В узле: 1
130-1007079
Седло вставное впускного клапана
В узле: 8
130-1007325
Пружина шарика
В узле: 40
130-1007319
Пружина механизма вращения клапана
В узле: 8
130-1007020-А
Пружина клапана
В узле: 16
130-1007127
Пружина распорная коромысел клапанов
В узле: 6
130-1003020-10
Прокладка головки блока цилиндров в сборе
В узле: 2
305814-П29
Шайба
В узле: ---
305790-П29
Шайба
В узле: 12
305765-П
Шайба оси коромысел пружинная специальная
В узле: 4
130-1007321-20
Шайба упорная
В узле: 8
306835-П
Шарик
В узле: 40
309814-П29
Шваба
В узле: 22
307172-П8
Шпилька
В узле: 4
308636-П8
Шпилька крепления левого выпускного коллектора
В узле: 1
307159-П8
Шпилька
В узле: 18
308614-П29
Шпилька
В узле: 6
130-1008147
Шпилька крепления выпускного коллектора
В узле: 8
131-1008147
Шпилька крепления выпускного коллектора
В узле: 2
307173-П8
Шпилька
В узле: 10
258040-П
Шплинт
В узле: 4
130-1007176-А
Штанга толкателя клапана
В узле: 16
250510-П29
Гайка
В узле: 8
301339-П
Болт
В узле: 8
301341-П
Болт
В узле: 10
301342-П
Болт
В узле: 8
130-1006015
Вал распределительный
В узле: 1
130-1007117
Винт регулировочный коромысел клапанов
В узле: 16
130-1007111
Втулка стойки центрирующая
В узле: 4
130-1007033
Втулка выпускного клапана направляющая
В узле: 8
130-1007118-10
Втулка коромысла
В узле: 16
130-1007118
Втулка коромысла (комплект)
В узле: 1
130-1007032-Б
Втулка впускного клапана направляющая
В узле: 8
130-1007032-БПР
Втулка направляющая впускного клапана увеличенная на 0,05 мм (комплект)
В узле: 1
130-1007032-БР1
Втулка направляющая впускного клапана увеличенная на 0,25 мм (комплект)
В узле: 1
130-1007033-Р1
Втулка направляющая выпускного клапана
В узле: 1
130-1007033-ПР
Втулка направляющая выпускного клапана, увеличенная на 0,05 мм
В узле: 1
130-1007329-10
Втулка фиксирующая
В узле: 8
301340-П
Болт
В узле: 8
130-1007073
Гайка регулировочного винта
В узле: 16
130-1003012-20
Головка блока цилиндров с седлами и направляющими втулками клапанов в сборе
В узле: 2
130-1003011-20
Головка блока цилиндров с клапанами левая в сборе
В узле: 1
130-1003010-20
Головка цилиндров с клапанами в сборе правая
В узле: 1
508.1007010
Клапан впускной
В узле: 8
508.1007015
Клапан выпускной
В узле: 8
307775-П
Кольцо пружинное
В узле: 16
130-1007110-А
Коромысло клапана с втулкой в сборе
В узле: 16
130-1007315-10
Корпус механизма вращения клапана
В узле: 8
130-1003260
Крышка в сборе
В узле: 2
130-1007014-Б
Манжета впускного клапана
В узле: 8
130-1007310-02
Механизм вращения выпускного клапана в сборе
В узле: 8
130-1007100
Ось коромысел клапанов в сборе
В узле: 2
130-1007098
Ось с коромыслами и стойками в сборе
В узле: 2
130-1003270-А
Прокладка крышки головки блока цилиндров
В узле: 2
Содержащиеся в справочниках-каталогах запасные части и детали не предлагаются к продаже, а носят исключительно информационный характер

Ваша заявка была отправлена. В ближайшее время наши специалисты с Вами свяжутся по указанному Вами телефону.

Представьтесь
Поле обязательно для заполнения
Ваш телефон
Введите правильный номер телефона
E-mail
Введите правильный e-mail
Тема
Тема
применяемость финансирование доставка цена, наличие другое сервис и гарантия
Время для звонка
08:00
08:00 09:00 10:00 11:00 12:00 13:00 14:00 15:00 16:00 17:00 18:00 19:00
19:00
08:00 09:00 10:00 11:00 12:00 13:00 14:00 15:00 16:00 17:00 18:00 19:00

Мы постараемся перезвонить в указанное время

Если вы не хотите ждать, то звоните нашим вежливым консультантам:

8 800 100-2-700
Подтвердите, что вы не робот
Подтвердите, что вы не робот
Спасибо!

Ваше сообщение успешно отправлено!

ЗакрытьПовторить попытку