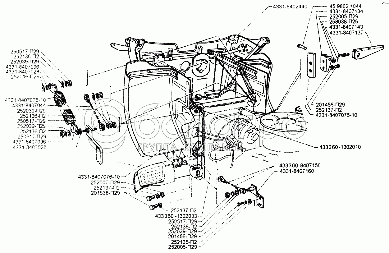
Каталог запасных частей к технике: ЗИЛ-433110. Механизм подъема оперения

zoom-in zoom-out enlarge shrink circle-right circle-left file-text2 info cart arraw right arraw left zoom out zoom in arraw maximize arraw minimize
252016-П29
4331-8407143
433360-1302010-10
433360-8407156
4331-8402440
252005-П29
252005-П29
252007-П29
252039-П29
252039-П29
252039-П29
252039-П29
252039-П29
252135-П2
252136-П2
252136-П2
252136-П2
252137-П2
252137-П2
252137-П2
258038-П29
201538-П29
4331-8407028
4331-8407028
250517-П29
250517-П29
250517-П29
250517-П29
4331-8407134
4331-8407096
4331-8407096
4331-8407160
201456-П29
201456-П29
433360-1302033
4331-8407076-10
4331-8407076-10
4331-8407137
4331-8407044
45 9862 1044
4331-8407075-10
252016-П29
Шайба
В узле: 2
4331-8407143
Пружина упора оперения
В узле: 1
433360-1302010-10
Рамка подвески радиатора
В узле: 1
433360-8407156
Трос страховки оперения
В узле: 2
4331-8402441
Угольник боковины задний левый
В узле: 1
4331-8402440
Угольник боковины задний правый
В узле: 1
4331-8407110
Упор оперения в сборе
В узле: 1
252005-П29
Шайба
В узле: 5
252005-П29
Шайба
В узле: 4
4331-8407072
Пружина в сборе
В узле: 2
252007-П29
Шайба
В узле: 2
252039-П29
Шайба
В узле: 10
252135-П2
Шайба пружинная
В узле: 6
252135-П2
Шайба пружинная
В узле: 4
252136-П2
Шайба пружинная
В узле: 10
252137-П2
Шайба пружинная
В узле: 4
258038-П29
Шплинт
В узле: 1
4331-1302033
Кронштейн крепления рамки радиатора правый
В узле: 1
201538-П29
Болт
В узле: 4
4331-8407028
Втулка пружины
В узле: 4
250510-П29
Гайка
В узле: 4
250517-П29
Гайка
В узле: 10
4331-8407134
Держатель упора
В узле: 1
4331-8407096
Зацеп
В узле: 4
489352-01
Кольцо
В узле: 2
4331-8407160
Кронштейн
В узле: 2
201456-П29
Болт
В узле: 10
433360-1302032
Кронштейн крепления рамки радиатора
В узле: 1
433360-1302033
Кронштейн крепления рамки радиатора
В узле: 1
4331-8407076-10
Кронштейн пружины передний
В узле: 2
4331-8407137
Кронштейн упора
В узле: 1
4331-8407044
Ограничитель откидывания
В узле: 2
45 9862 1044
Палец
В узле: 1
4331-8407075-10
Пружина
В узле: 2
Содержащиеся в справочниках-каталогах запасные части и детали не предлагаются к продаже, а носят исключительно информационный характер

Ваша заявка была отправлена. В ближайшее время наши специалисты с Вами свяжутся по указанному Вами телефону.

Представьтесь
Поле обязательно для заполнения
Ваш телефон
Введите правильный номер телефона
E-mail
Введите правильный e-mail
Тема
Тема
применяемость финансирование доставка цена, наличие другое сервис и гарантия
Время для звонка
08:00
08:00 09:00 10:00 11:00 12:00 13:00 14:00 15:00 16:00 17:00 18:00 19:00
19:00
08:00 09:00 10:00 11:00 12:00 13:00 14:00 15:00 16:00 17:00 18:00 19:00

Мы постараемся перезвонить в указанное время

Если вы не хотите ждать, то звоните нашим вежливым консультантам:

8 800 100-2-700
Подтвердите, что вы не робот
Подтвердите, что вы не робот
Спасибо!

Ваше сообщение успешно отправлено!

ЗакрытьПовторить попытку