Каталог запасных частей к технике: ЗИЛ-433110. Оперение автомобиля

zoom-in zoom-out enlarge shrink circle-right circle-left file-text2 info cart arraw right arraw left zoom out zoom in arraw maximize arraw minimize
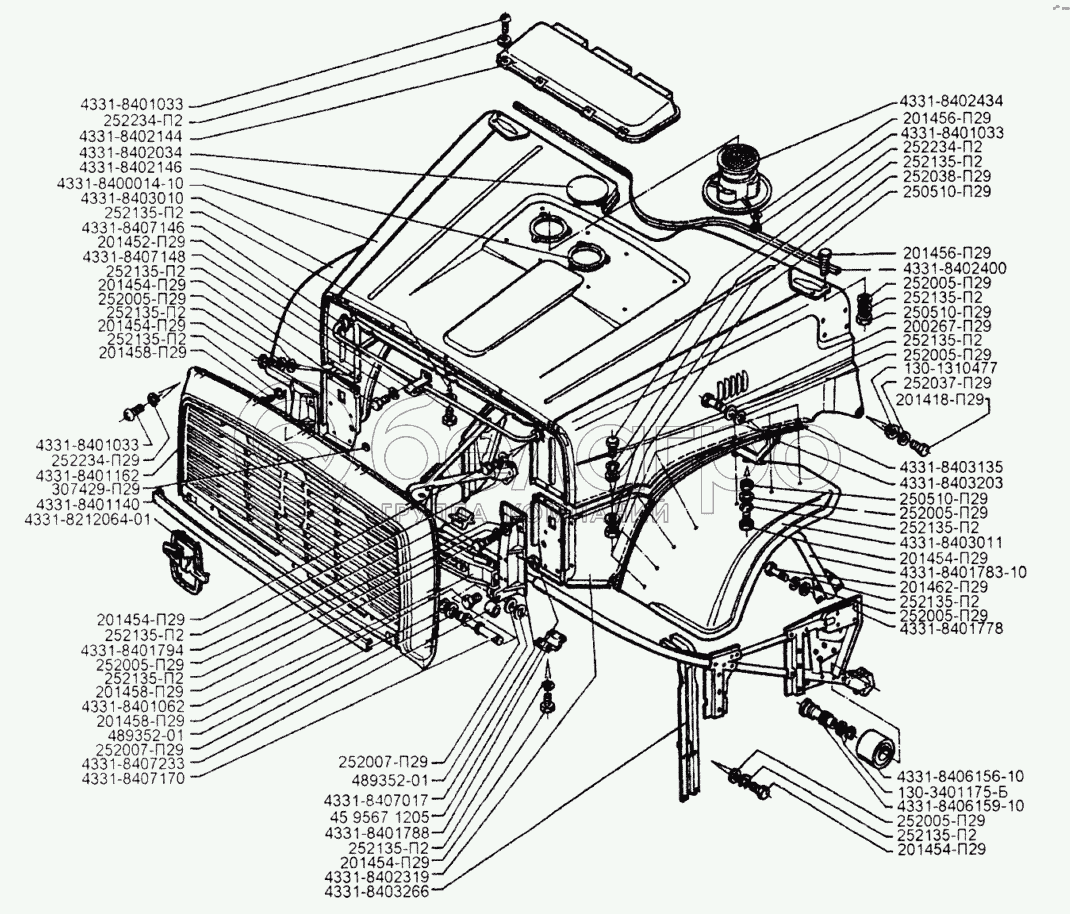
4331-8401783-10
4331-8400014-10
4331-8406159-10
4331-8407170
4331-8402146
4331-8407017
4331-8401794
4331-8403135
4331-8403266
4331-8401162
4331-8407146
4331-8401788
4331-8402400
4331-8401062
4331-8402434
4331-8407148
252005-П29
252005-П29
252005-П29
252005-П29
252005-П29
252005-П29
252005-П29
252007-П29
252007-П29
252037-П29
252038-П29
252234-П2
252234-П2
252234-П2
252135-П2
252135-П2
252135-П2
252135-П2
252135-П2
252135-П2
252135-П2
252135-П2
252135-П2
252135-П2
252135-П2
252135-П2
252135-П2
45 9567 1205
201452-П29
201462-П29
201454-П29
201454-П29
201454-П29
201454-П29
201454-П29
201454-П29
201456-П29
201456-П29
200267-П29
201418-П29
201458-П29
201458-П29
201458-П29
4331-8401033
4331-8401033
4331-8401033
130-1310477
4331-8406156-10
4331-8407233
4331-8402319
250510-П29
250510-П29
250510-П29
307429-П29
4331-8402034
4331-8212064-01
4331-8401778
489352-01
489352-01
130-3401175-Б
4331-8403203
4331-8403011
4331-8403010
4331-8401140
4331-8402144
4331-8401783-10
Труба распорная задняя
В узле: 1
4331-8400010-10
Оперение в сборе
В узле: 1
4331-8400010-11
Оперение в сборе
В узле: 1
4331-8400014-10
Оперение-сварка
В узле: 1
4331-8406159-10
Ось захвата оперения
В узле: 2
4331-8407170
Ось петли навески оперения
В узле: 2
4331-8402146
Патрубок воздухозаборника
В узле: 1
4331-8407017
Петля навески оперения
В узле: 2
4331-8401794
Прокладка передней трубы оперения
В узле: 2
4331-8403135
Прокладка передней части крыла
В узле: 2
4331-8403266
Распорка брызговика
В узле: 2
4331-8401162
Решетка облицовки радиатора
В узле: 1
4331-8401162-01
Решетка облицовки радиатора
В узле: 1
4331-8407146
Ручка откидывакия оперения
В узле: 1
4331-8401788
Скоба
В узле: 2
4331-8402144-01
Накладка капота
В узле: 1
4331-8402400
Уплотнитель капота
В узле: 1
4331-8401062
Усилитель облицовки нижний
В узле: 1
4331-8401062-01
Усилитель облицовки нижний
В узле: 1
4331-8402434
фильтр в сборе
В узле: 1
4331-8407148
Хомут ручки
В узле: 1
252004-П29
Шайба
В узле: 3
252005-П29
Шайба
В узле: 60
252007-П29
Шайба
В узле: 2
252037-П29
Шайба
В узле: 2
252038-П29
Шайба
В узле: 22
305803-П29
Шайба
В узле: 2
252234-П2
Шайба
В узле: 18
252135-П2
Шайба пружинная
В узле: 106
45 9567 1205
Гайка
В узле: 4
4331-8402318
Боковина капота нижняя правая
В узле: 1
201452-П29
Болт
В узле: 1
201462-П29
Болт
В узле: 8
201454-П29
Болт
В узле: 36
201456-П29
Болт
В узле: 26
200267-П29
Болт
В узле: 4
201418-П29
Болт
В узле: 3
201458-П29
Болт
В узле: 26
200265-П29
Болт
В узле: 2
4331-8401033
Винт
В узле: 18
130-1310477
Втулка оболочки тяги жалюзи радиатора
В узле: 2
4331-8406156-10
Втулка оси захвата оперения
В узле: 2
4331-8407233
Втулка петли навески
В узле: 2
4331-8402319
Боковина капота нижняя левая
В узле: 1
250510-П29
Гайка
В узле: 30
307429-П29
Гайка заводского знака
В узле: 6
4331-8402034
Заглушка капота
В узле: 1
4331-8212064-01
Знак заводской
В узле: 1
4331-8401778
Каркас оперения
В узле: 1
489352-01
Кольцо
В узле: 4
130-3401175-Б
Кольцо уплотнительное регулировочного винта
В узле: 4
4331-8403203
Кронштейн крыла левый
В узле: 1
4331-8403202
Кронштейн крыла правый
В узле: 1
4331-8403011
Крыло переднее левое
В узле: 1
4331-8403010
Крыло переднее правое
В узле: 1
4331-8401140
Молдинг решетки радиатора
В узле: 1
4331-8402144
Накладка капота
В узле: 1
Содержащиеся в справочниках-каталогах запасные части и детали не предлагаются к продаже, а носят исключительно информационный характер

Ваша заявка была отправлена. В ближайшее время наши специалисты с Вами свяжутся по указанному Вами телефону.

Представьтесь
Поле обязательно для заполнения
Ваш телефон
Введите правильный номер телефона
E-mail
Введите правильный e-mail
Тема
Тема
применяемость финансирование доставка цена, наличие другое сервис и гарантия
Время для звонка
08:00
08:00 09:00 10:00 11:00 12:00 13:00 14:00 15:00 16:00 17:00 18:00 19:00
19:00
08:00 09:00 10:00 11:00 12:00 13:00 14:00 15:00 16:00 17:00 18:00 19:00

Мы постараемся перезвонить в указанное время

Если вы не хотите ждать, то звоните нашим вежливым консультантам:

8 800 100-2-700
Подтвердите, что вы не робот
Подтвердите, что вы не робот
Спасибо!

Ваше сообщение успешно отправлено!

ЗакрытьПовторить попытку