Каталог запасных частей к технике: ЗИЛ-433110. Седельно-сцепное устройство автомобиля ЗИЛ-442160

zoom-in zoom-out enlarge shrink circle-right circle-left file-text2 info cart arraw right arraw left zoom out zoom in arraw maximize arraw minimize
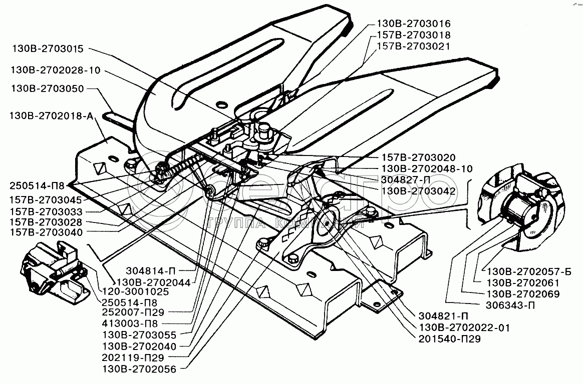
130В-2703050
130В-2703055
157В-2703020
157В-2703045
130В-2702018-А
157В-2703021
157В-2703018
130В-2703042
130В-2702048-10
157В-2703033
130В-2702044
130В-2702028-10
252007-П29
157В-2703040
201540-П29
202119-П29
130В-2702069
413003-П8
250514-П8
250514-П8
130В-2703015
130В-2703016
130В-2702061
130В-2702040
120-3001025
306343-П
130В-2702057-Б
130В-2702056
157В-2703028
304821-П
304814-П
304827-П
130В-2702022-01
304814-П
Масленка в сборе
В узле: 1
304814-П* Масленка М10 (КГ1/8) прямая (864006) Под заказ 2.83 р.
130В-2703050
Рычаг управления расцепкой сцепного механизма седла
В узле: 1
130В-2703055
Ось рычага управления расцепкой
В узле: 1
157В-2703020
Палец губки сцепного механизма седла
В узле: 2
157В-2703045
Планка замка сцепного механизма седла предохранительная
В узле: 1
130В-2702018-А
Плита в сборе
В узле: 1
157В-2703021
Прокладка регулировочная толщиной 0,5 мм
В узле: ---
157В-2703018
Прокладка регулировочная толщиной 1 мм
В узле: ---
130В-2703042
Пружина защелки замка сцепного механизма седла
В узле: 1
130В-2702048-10
Пружина
В узле: 1
157В-2703033
Пружина запорного кулака сцепного механизма седла
В узле: 1
130В-2702044
Ось балансира седла
В узле: 1
130В-2702010-А
Устройство седельное в сборе
В узле: 1
130В-2702028-10
Седло в сборе
В узле: 1
130В-2702029-10
Седло с осью, клином и гайкой в сборе
В узле: 1
252007-П29
Шайба
В узле: 5
305799-П29
Шайба крепления запорного кулака
В узле: 1
252137-П2
Шайба пружинная
В узле: 1
252139-П2
Шайба пружинная
В узле: 8
258040-П8
Шплинт
В узле: 2
258084-П
Шплинт пальца
В узле: 2
157В-2703040
Защелка замка сцепного механизма седла
В узле: 1
201540-П29
Болт
В узле: 4
202119-П29
Болт
В узле: 8
130В-2702069
Втулка кронштейна крепления седла к плите
В узле: 2
413003-П8
Гайка
В узле: 2
250514-П8
Гайка
В узле: 2
250560-П8
Гайка
В узле: 8
130В-2703015
Губка сцепного механизма седла левая в сборе
В узле: 1
130В-2703016
Губка сцепного механизма седла правая в сборе
В узле: 1
130В-2702061
Заглушка кронштейна крепления седла
В узле: 2
130В-2702040
Балансир седла седельного устройства
В узле: 1
120-3001025
Клин стопорный шкворня поворотных кулаков
В узле: 1
306343-П
Кольцо уплотнительное
В узле: 2
130В-2702057-Б
Кронштейн
В узле: 2
130В-2702056
Кронштейн в сборе
В узле: 2
157В-2703028
Кулак сцепного механизма седла запорный в сборе
В узле: 1
304821-П
Масленка в сборе
В узле: 2
304827-П
Масленка в сборе
В узле: 2
130В-2702022-01
Ограничитель
В узле: 2
Содержащиеся в справочниках-каталогах запасные части и детали не предлагаются к продаже, а носят исключительно информационный характер

Ваша заявка была отправлена. В ближайшее время наши специалисты с Вами свяжутся по указанному Вами телефону.

Представьтесь
Поле обязательно для заполнения
Ваш телефон
Введите правильный номер телефона
E-mail
Введите правильный e-mail
Тема
Тема
применяемость финансирование доставка цена, наличие другое сервис и гарантия
Время для звонка
08:00
08:00 09:00 10:00 11:00 12:00 13:00 14:00 15:00 16:00 17:00 18:00 19:00
19:00
08:00 09:00 10:00 11:00 12:00 13:00 14:00 15:00 16:00 17:00 18:00 19:00

Мы постараемся перезвонить в указанное время

Если вы не хотите ждать, то звоните нашим вежливым консультантам:

8 800 100-2-700
Подтвердите, что вы не робот
Подтвердите, что вы не робот
Спасибо!

Ваше сообщение успешно отправлено!

ЗакрытьПовторить попытку