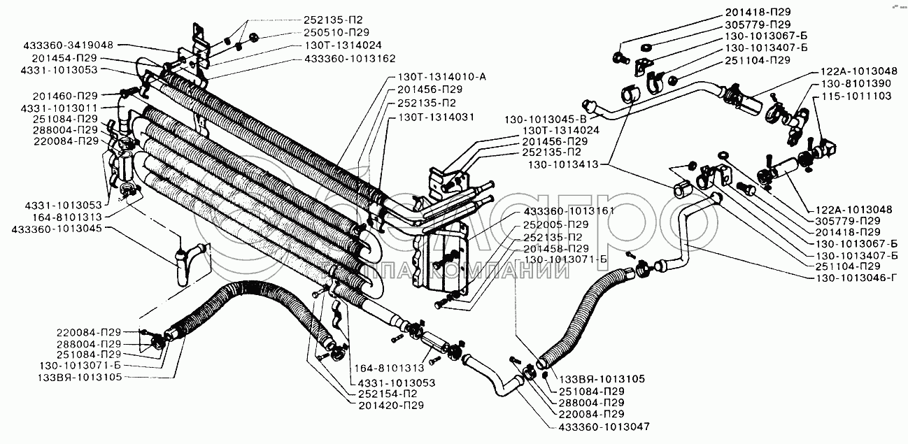
Каталог запасных частей к технике: ЗИЛ-433110. Установка масляных радиаторов

zoom-in zoom-out enlarge shrink circle-right circle-left file-text2 info cart arraw right arraw left zoom out zoom in arraw maximize arraw minimize
130-1013407-Б
130-1013407-Б
130Т-1314031
4331-1013053
4331-1013053
4331-1013053
130-1013067-Б
130-1013067-Б
130-1013046-Г
433360-1013047
130-1013045-В
433360-1013045
115-1011103
4331-1013011
288004-П29
288004-П29
288004-П29
305779-П29
305779-П29
252154-П2
252005-П29
252135-П2
252135-П2
252135-П2
252135-П2
122А-1013048
122А-1013048
130-1013071-Б
130-1013071-Б
164-8101313
164-8101313
251084-П29
251084-П29
251084-П29
201460-П29
201454-П29
201456-П29
201456-П29
201418-П29
201418-П29
201458-П29
220084-П29
220084-П29
220084-П29
250510-П8
251104-П29
251104-П29
201420-П29
130-8101390
433360-1013161
433360-1013162
130Т-1314024
130Т-1314024
130Т-1314010-А
433360-3419048
133ВЯ-1013105
133ВЯ-1013105
130-1013413
130-1013407-Б
Хомут крепления трубок
В узле: 2
433360-1013008
Радиатор масляный двигателя с кронштейнами и трубками в сборе
В узле: 1
130Т-1314031
Скоба крепления масляного радиатора гидроусилителя руля к кронштейну
В узле: 2
4331-1013053
Скоба крепления радиатора
В узле: 4
130-1013067-Б
Скоба крепления трубок
В узле: 1
130-1013046-Г
Трубка отвода масла
В узле: 1
433360-1013047
Трубка отвода масла
В узле: 1
130-1013045-В
Трубка подвода масла
В узле: 1
433360-1013045
Трубка подвода масла
В узле: 1
115-1011103
Угольник
В узле: 1
4331-1013011
Радиатор масляный
В узле: 1
288004-П29
Хомутик
В узле: 12
305779-П29
Шайба
В узле: 4
252154-П2
Шайба пружинная
В узле: 4
252005-П29
Шайба
В узле: 4
252135-П2
Шайба пружинная
В узле: 11
122А-1013048
Шланг подвода и отвода масла
В узле: 2
130-1013071-Б
Шланг подвода и отвода масла
В узле: 2
164-8101313
Шланг соединительный
В узле: 2
251084-П29
Гайка
В узле: 12
201460-П29
Болт
В узле: 1
201454-П29
Болт
В узле: 1
201456-П29
Болт
В узле: 5
201418-П29
Болт
В узле: 2
201458-П29
Болт
В узле: 4
220084-П29
Винт
В узле: 12
250510-П8
Гайка
В узле: 1
251104-П29
Гайка
В узле: 2
201420-П29
Болт
В узле: 4
130-8101390
Кран системы отопления в сборе
В узле: 1
433360-1013161
Кронштейн крепления радиатора левый
В узле: 1
433360-1013162
Кронштейн крепления радиатора правый
В узле: 1
130Т-1314024
Кронштейн масляного радиатора гидроусилителя руля
В узле: 1
130Т-1314010-А
Радиатор масляный гидроусилителя рулевого управления в сборе
В узле: 1
433360-3419048
Накладка кронштейна радиатора гидроусилителя руля
В узле: 1
133ВЯ-1013105
Оболочка шлангов
В узле: 2
130-1013413
Прокладка хомута крепления трубок
В узле: 2
Содержащиеся в справочниках-каталогах запасные части и детали не предлагаются к продаже, а носят исключительно информационный характер

Ваша заявка была отправлена. В ближайшее время наши специалисты с Вами свяжутся по указанному Вами телефону.

Представьтесь
Поле обязательно для заполнения
Ваш телефон
Введите правильный номер телефона
E-mail
Введите правильный e-mail
Тема
Тема
применяемость финансирование доставка цена, наличие другое сервис и гарантия
Время для звонка
08:00
08:00 09:00 10:00 11:00 12:00 13:00 14:00 15:00 16:00 17:00 18:00 19:00
19:00
08:00 09:00 10:00 11:00 12:00 13:00 14:00 15:00 16:00 17:00 18:00 19:00

Мы постараемся перезвонить в указанное время

Если вы не хотите ждать, то звоните нашим вежливым консультантам:

8 800 100-2-700
Подтвердите, что вы не робот
Подтвердите, что вы не робот
Спасибо!

Ваше сообщение успешно отправлено!

ЗакрытьПовторить попытку