Каталог запасных частей к технике: ЗИЛ-433110. Установка приборов зажигания

zoom-in zoom-out enlarge shrink circle-right circle-left file-text2 info cart arraw right arraw left zoom out zoom in arraw maximize arraw minimize
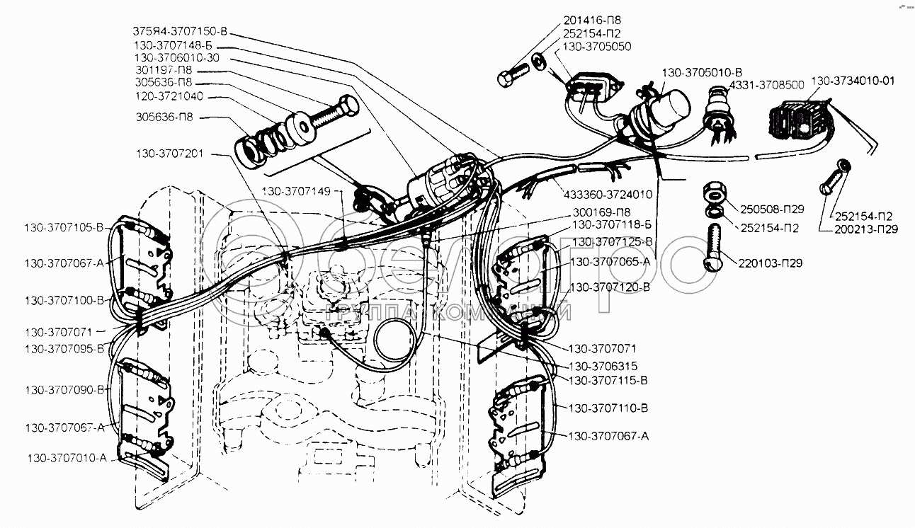
433360-3724010
130-3707110-В
130-3707120-В
130-3707100-В
130-3707105-В
130-3707115-В
120-3721040
130-3706010-30
130-3707010-А
130-3705050
130-3706315
252154-П2
252154-П2
252154-П2
305636-П8
305636-П8
300169-П8
130-3707065-А
130-3707067-А
130-3707067-А
130-3707067-А
130-3707148-Б
200213-П29
301197-П8
220103-П29
4331-3708500
250508-П29
130-3707201
130-3707149
130-3707071
130-3707071
130-3705010-В
201416-П8
130-3734010-01
130-3707118-Б
375Я4-3707150-В
130-3707125-В
130-3707095-В
130-3707090-В
433360-3724010
Жгут проводов средний в сборе
В узле: 1
130-3707110-В
Провод к свече пятого цилиндра в сборе
В узле: 1
431410-37070110
Провод к свече пятого цилиндра
В узле: 1
130-3707120-В
Провод к свече седьмого цилиндра в сборе
В узле: 1
431410-37070120
Провод к свече седьмого цилиндра
В узле: 1
130-3707100-В
Провод к свече третьего цилиндра в сборе
В узле: 1
431410-37070100
Провод к свече третьего цилиндра
В узле: 1
130-3707105-В
Провод к свече четвертого цилиндра в сборе
В узле: 1
431410-37070105
Провод к свече четвертого цилиндра
В узле: 1
130-3707115-В
Провод к свече шестого цилиндра в сборе
В узле: 1
431410-37070115
Провод к свече шестого цилиндра
В узле: 1
120-3721040
Пружина контакта с массой кнопки сигнала в сборе
В узле: 1
431410-3707090
Провод к свече первого цилиндра
В узле: 1
442160-3724010
Жгут проводов средний в сборе
В узле: 1
130-3706010-30
Распределитель 46.3706
В узле: 1
130-3707010-А
Свеча зажигания типа А11-А в сборе
В узле: 8
130-3705050
Резистор цепи катушки зажигания СЭ107
В узле: 1
130-3706315
Трубка от распределителя к карбюратору
В узле: 1
252154-П2
Шайба пружинная
В узле: 6
305636-П8
Шайба специальная
В узле: 4
300169-П8
Штуцер ввертной
В узле: 2
130-3707065-А
Щиток свечи задний левый в сборе
В узле: 1
130-3707067-А
Щиток свечи в сборе
В узле: 3
130-3707148-Б
Колпачок провода защитный
В узле: 19
200213-П29
Болт
В узле: 2
301197-П8
Болт
В узле: 2
220103-П29
Винт
В узле: 2
4331-3708500
Выключатель приборов и стартера ВК350
В узле: 1
250508-П29
Гайка
В узле: 2
433360-3707010
Датчик-распределитель
В узле: 1
130-3707201
Держатель проводов
В узле: 1
130-3707149
Держатель проводов
В узле: 2
130-3707071
Держатель проводов
В узле: 2
130-3705010-В
Катушка зажигания Б114-Б
В узле: 1
27-3705000
Катушка зажигания
В узле: 1
201416-П8
Болт
В узле: 2
130-3734010-01
Коммутатор транзисторный ТК102А
В узле: 1
433360-3734010
Коммутатор электронный
В узле: 1
130-3707118-Б
Сопротивление помехоподавляющее СЭ110
В узле: 8
431410-37070118
Наконечник свечной
В узле: 8
375Я4-3707150-В
Провод катушка зажигания-распределитель в сборе
В узле: 1
130-3707125-В
Провод к свече восьмого цилиндра в сборе
В узле: 1
431410-37070125
Провод к свече восьмого цилиндра
В узле: 1
130-3707095-В
Провод к свече второго цилиндра в сборе
В узле: 1
431410-3707095
Провод к свече второго цилиндра
В узле: 1
130-3707090-В
Провод к свече первого цилиндра в сборе
В узле: 1
Содержащиеся в справочниках-каталогах запасные части и детали не предлагаются к продаже, а носят исключительно информационный характер

Ваша заявка была отправлена. В ближайшее время наши специалисты с Вами свяжутся по указанному Вами телефону.

Представьтесь
Поле обязательно для заполнения
Ваш телефон
Введите правильный номер телефона
E-mail
Введите правильный e-mail
Тема
Тема
применяемость финансирование доставка цена, наличие другое сервис и гарантия
Время для звонка
08:00
08:00 09:00 10:00 11:00 12:00 13:00 14:00 15:00 16:00 17:00 18:00 19:00
19:00
08:00 09:00 10:00 11:00 12:00 13:00 14:00 15:00 16:00 17:00 18:00 19:00

Мы постараемся перезвонить в указанное время

Если вы не хотите ждать, то звоните нашим вежливым консультантам:

8 800 100-2-700
Подтвердите, что вы не робот
Подтвердите, что вы не робот
Спасибо!

Ваше сообщение успешно отправлено!

ЗакрытьПовторить попытку