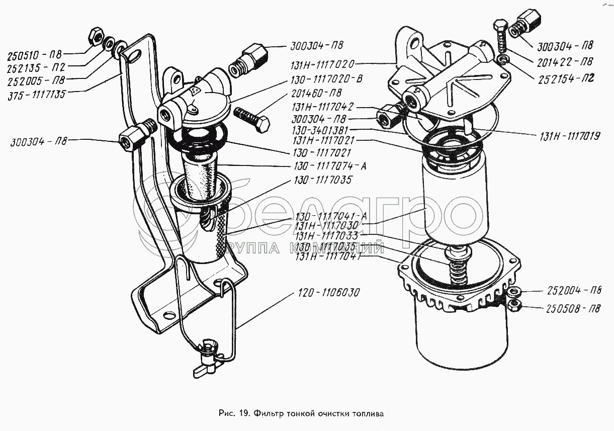
Каталог запасных частей к технике: ЗИЛ-433360. Фильтр тонкой очистки топлива

zoom-in zoom-out enlarge shrink circle-right circle-left file-text2 info cart arraw right arraw left zoom out zoom in arraw maximize arraw minimize
120-1106030
131Н-1117030
130-1117074-А
300304-П8
300304-П8
300304-П8
300304-П8
252154-П8
252135-П2
252005-П8
252004-П8
131Н-1117019
131Н-1117041
130-1117041-А
201422-П8
130-1117035
130-1117035
130-1117021
131Н-1117042
131Н-1117033
375-1117135
130-1117020-В
131Н-1117020
131Н-1117021
130-3401381
250510-П8
250508-П8
201460-П8
120-1106030
Скоба с втулкой в сборе
В узле: 1
131Н-1117030
Элемент фильтрующий
В узле: 1
130-1117074-А
Элемент фильтрующий
В узле: 1
300304-П8
Штуцер
В узле: 2
252154-П8
Шайба пружинная
В узле: 4
252135-П2
Шайба пружинная
В узле: 1
252005-П8
Шайба
В узле: 1
252004-П8
Шайба плоская
В узле: 4
131Н-1117011
Фильтр тонкой очистки топлива в сборе
В узле: 1
431410-1117011
Фильтр тонкой очистки топлива в сборе
В узле: 1
131Н-1117019
Трубка
В узле: 1
131Н-1117041
Стакан
В узле: 1
130-1117041-А
Стакан
В узле: 1
201422-П8
Болт
В узле: 4
130-1117035
Пружина
В узле: 1
130-1117021
Прокладка
В узле: 1
131Н-1117042
Отражатель
В узле: 1
131Н-1117033
Опора пружины
В узле: 1
375-1117135
Кронштейн крепления фильтра тонкой очистки топлива
В узле: 1
130-1117020-В
Корпус фильтра
В узле: 1
131Н-1117020
Корпус
В узле: 1
131Н-1117021
Кольцо уплотнительное
В узле: 1
130-3401381
Кольцо уплотнительное картера и нижней крышки рулевого управления
В узле: 1
250510-П8
Гайка
В узле: 1
250508-П8
Гайка
В узле: 4
201460-П8
Болт
В узле: 1
Содержащиеся в справочниках-каталогах запасные части и детали не предлагаются к продаже, а носят исключительно информационный характер

Ваша заявка была отправлена. В ближайшее время наши специалисты с Вами свяжутся по указанному Вами телефону.

Представьтесь
Поле обязательно для заполнения
Ваш телефон
Введите правильный номер телефона
E-mail
Введите правильный e-mail
Тема
Тема
применяемость финансирование доставка цена, наличие другое сервис и гарантия
Время для звонка
08:00
08:00 09:00 10:00 11:00 12:00 13:00 14:00 15:00 16:00 17:00 18:00 19:00
19:00
08:00 09:00 10:00 11:00 12:00 13:00 14:00 15:00 16:00 17:00 18:00 19:00

Мы постараемся перезвонить в указанное время

Если вы не хотите ждать, то звоните нашим вежливым консультантам:

8 800 100-2-700
Подтвердите, что вы не робот
Подтвердите, что вы не робот
Спасибо!

Ваше сообщение успешно отправлено!

ЗакрытьПовторить попытку