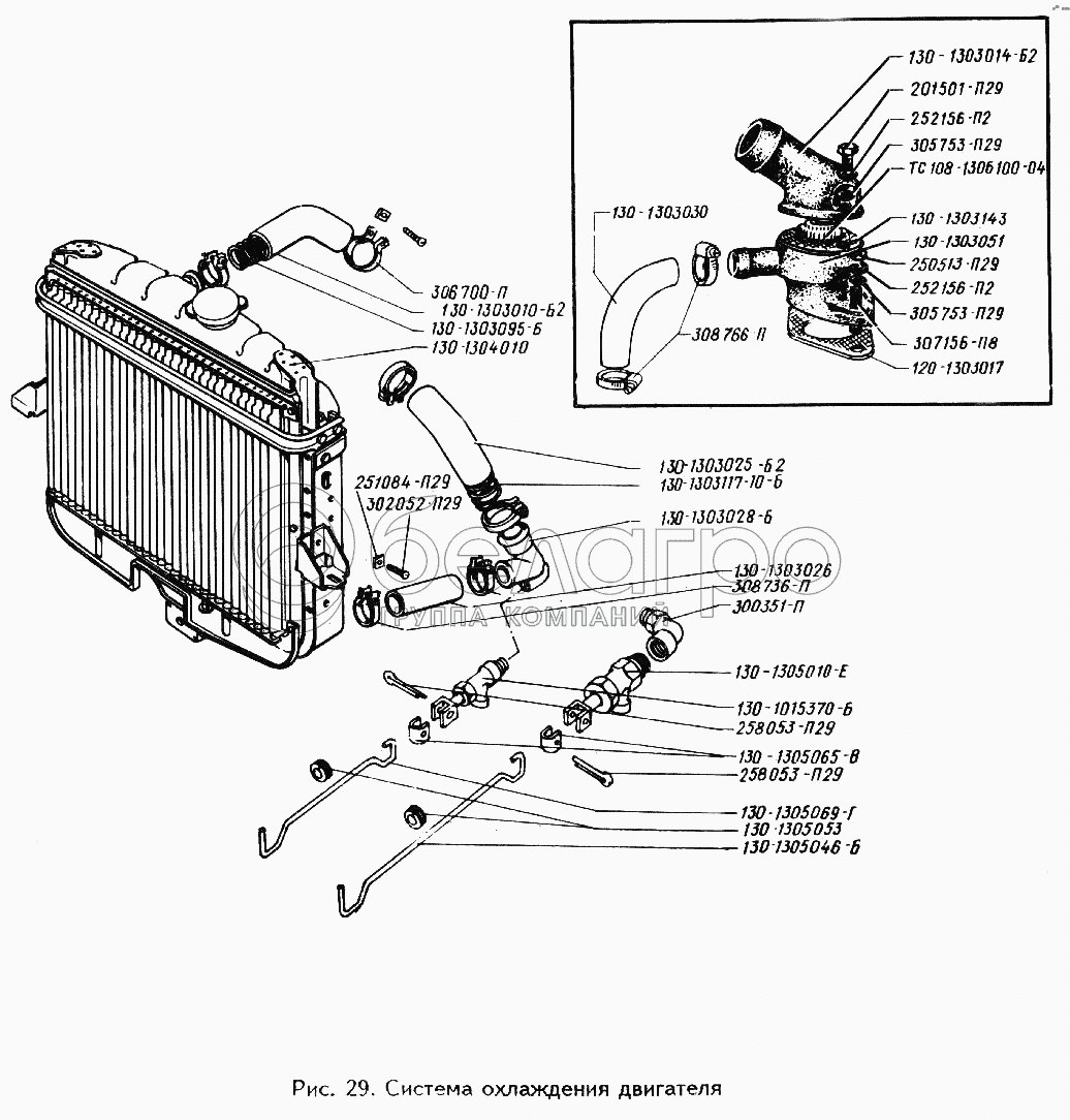
Каталог запасных частей к технике: ЗИЛ-433360. Система охлаждения двигателя

zoom-in zoom-out enlarge shrink circle-right circle-left file-text2 info cart arraw right arraw left zoom out zoom in arraw maximize arraw minimize
130-1303117-Б
258053-П29
258053-П29
307156-П8
130-1303030
130-1303026
130-1303025-Б2
130-1303010-Б2
252156-П2
252156-П2
305753-П29
305753-П29
308736-П
306700-П
308766-П
300351-П
ТС108-1306100-04
130-1305069-Г
130-1305046-Б
201501-П29
130-1303095-Б
130-1303143
120-1303017
130-1304010
130-1303051
130-1303014-Б2
130-1015370-Б
130-1305010-Е
130-1303028-Б
251084-П29
250513-П29
130-1305053
302052-П29
130-1305065-В
130-1303117-Б
Пружина распорная подводящего шланга
В узле: 1
258053-П29
Шплинт
В узле: 3
307156-П8
Шпилька
В узле: 2
130-1303030
Шланг байпаса соединительный
В узле: 1
130-1303026
Шланг от радиатора к коллектору подводного патрубка
В узле: 1
130-1303025-Б2
Шланг радиатора подводящий для автомобилей с байпасом
В узле: 1
130-1303010-Б2
Шланг радиатора отводящий для автомобилей с байпасом
В узле: 1
252156-П2
Шайба пружинная
В узле: 2
305753-П29
Шайба
В узле: 2
308736-П
Хомут
В узле: 4
306700-П
Хомут в сборе
В узле: 2
308766-П
Хомут червячный в сборе
В узле: 2
300351-П
Угольник
В узле: 2
ТС108-1306100-04
Термостат в сборе
В узле: 1
130-1305069-Г
Стержень привода управления краном
В узле: 1
130-1305046-Б
Ручка управления краном
В узле: 2
201501-П29
Болт
В узле: 2
130-1303095-Б
Пружина распорная отводящего шланга
В узле: 1
130-1303143
Прокладка верхнего патрубка
В узле: 1
120-1303017
Прокладка патрубка
В узле: 1
130-1304010
Пробка радиатора в сборе
В узле: 1
130-1303051
Патрубок выпускной водяной рубашки нижний
В узле: 1
508.1303013
Патрубок выпускной с термостатом
В узле: 1
130-1303014-Б2
Патрубок выпускной водяной рубашки верхний
В узле: 1
130-1015370-Б
Кран сливной в сборе
В узле: 1
130-1305010-Е
Кран системы охлаждения сливной в сборе
В узле: 2
130-1303028-Б
Колено отводящего патрубка радиатора
В узле: 1
251084-П29
Гайка
В узле: 6
250513-П29
Гайка
В узле: 2
130-1305053
Втулка стержня привода управления краном
В узле: 3
302052-П29
Винт
В узле: 6
130-1305065-В
Вилка сливного крана
В узле: 3
Содержащиеся в справочниках-каталогах запасные части и детали не предлагаются к продаже, а носят исключительно информационный характер

Ваша заявка была отправлена. В ближайшее время наши специалисты с Вами свяжутся по указанному Вами телефону.

Представьтесь
Поле обязательно для заполнения
Ваш телефон
Введите правильный номер телефона
E-mail
Введите правильный e-mail
Тема
Тема
применяемость финансирование доставка цена, наличие другое сервис и гарантия
Время для звонка
08:00
08:00 09:00 10:00 11:00 12:00 13:00 14:00 15:00 16:00 17:00 18:00 19:00
19:00
08:00 09:00 10:00 11:00 12:00 13:00 14:00 15:00 16:00 17:00 18:00 19:00

Мы постараемся перезвонить в указанное время

Если вы не хотите ждать, то звоните нашим вежливым консультантам:

8 800 100-2-700
Подтвердите, что вы не робот
Подтвердите, что вы не робот
Спасибо!

Ваше сообщение успешно отправлено!

ЗакрытьПовторить попытку