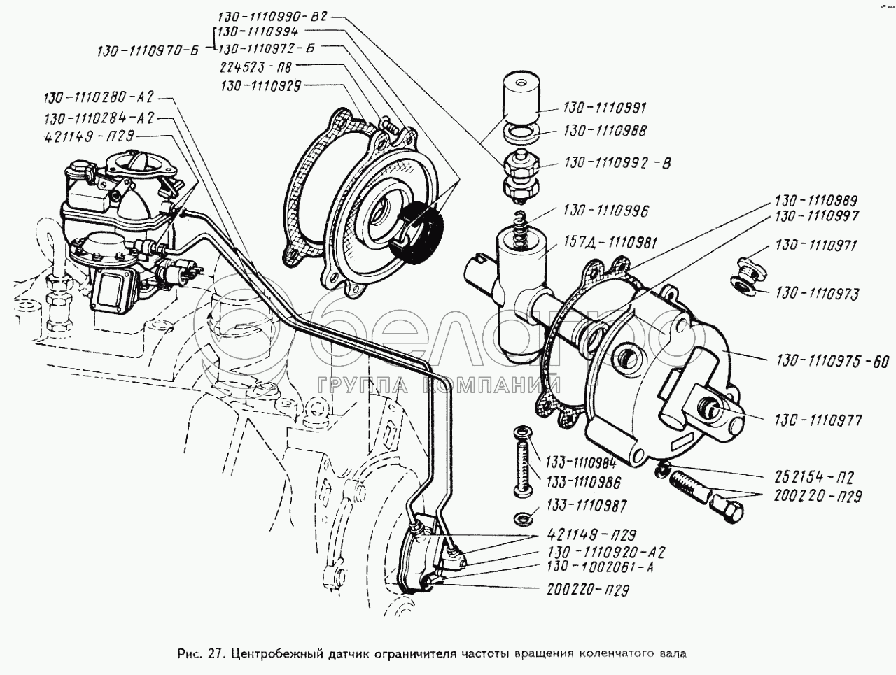
Каталог запасных частей к технике: ЗИЛ-442160. Центробежный датчик ограничителя частоты вращения коленчатого вала

zoom-in zoom-out enlarge shrink circle-right circle-left file-text2 info cart arraw right arraw left zoom out zoom in arraw maximize arraw minimize
130-1110988
421149-П29
421149-П29
252154-П2
133-1110987
130-1110997
130-1002061-А
130-1110284-А2
130-1110280-А2
130-1110991
157Д-1110981
130-1110996
133-1110984
130-1110989
200220-П29
200220-П29
130-1110973
130-1110929
130-1110971
130-1110994
130-1110972-Б
130-1110970-Б
130-1110975-60
130-1110990-В2
130-1110992-В
130-1110920-А2
130-1110977
133-1110986
224523-П8
130-1110988
Прокладка седла клапана
В узле: 1
421149-П29
Штуцер
В узле: 4
258224-П
Шплинт
В узле: 2
252154-П2
Шайба пружинная
В узле: 3
133-1110987
Шайба
В узле: 1
130-1110997
Шайба ротора
В узле: 1
130-1002061-А
Указатель установки зажигания
В узле: 1
130-1110284-А2
Трубка
В узле: 1
130-1110280-А2
Трубка
В узле: 1
130-1110991
Седло клапана
В узле: 1
157Д-1110981
Ротор датчика с валиком в сборе
В узле: 1
133-1110980-А3
Ротор датчика в сборе
В узле: 1
130-1110996
Пружина манжеты
В узле: 1
133-1110984
Прокладка регулировочного винта
В узле: 1
130-1110989
Прокладка крышки центробежного датчика
В узле: 1
200220-П29
Болт
В узле: 3
130-1110973
Прокладка пробки
В узле: 1
130-1110929
Прокладка центробежного датчика
В узле: 1
130-1110971
Пробка датчика
В узле: 1
309705-П
Пломба
В узле: 2
130-1110994
Манжета ротора с пружиной в сборе
В узле: 1
130-1110972-Б
Крышка датчика
В узле: 1
130-1110970-Б
Крышка центробежного датчика с манжетой ротора в сборе
В узле: 1
130-1110975-60
Корпус в сборе
В узле: 1
130-1110990-В2
Комплект клапана датчика с седлом в сборе
В узле: 1
130-1110992-В
Клапан датчика
В узле: 1
130-1110920-А2
Датчик центробежный ограничителя числа оборотов коленчатого вала двигателя в сборе
В узле: 1
130-1110977
Втулка ротора
В узле: 1
133-1110986
Винт регулировочный
В узле: 1
224523-П8
Винт
В узле: 2
Содержащиеся в справочниках-каталогах запасные части и детали не предлагаются к продаже, а носят исключительно информационный характер

Ваша заявка была отправлена. В ближайшее время наши специалисты с Вами свяжутся по указанному Вами телефону.

Представьтесь
Поле обязательно для заполнения
Ваш телефон
Введите правильный номер телефона
E-mail
Введите правильный e-mail
Тема
Тема
применяемость финансирование доставка цена, наличие другое сервис и гарантия
Время для звонка
08:00
08:00 09:00 10:00 11:00 12:00 13:00 14:00 15:00 16:00 17:00 18:00 19:00
19:00
08:00 09:00 10:00 11:00 12:00 13:00 14:00 15:00 16:00 17:00 18:00 19:00

Мы постараемся перезвонить в указанное время

Если вы не хотите ждать, то звоните нашим вежливым консультантам:

8 800 100-2-700
Подтвердите, что вы не робот
Подтвердите, что вы не робот
Спасибо!

Ваше сообщение успешно отправлено!

ЗакрытьПовторить попытку