Каталог запасных частей к технике: ЗИЛ-494560. Привод сцепления

zoom-in zoom-out enlarge shrink circle-right circle-left file-text2 info cart arraw right arraw left zoom out zoom in arraw maximize arraw minimize
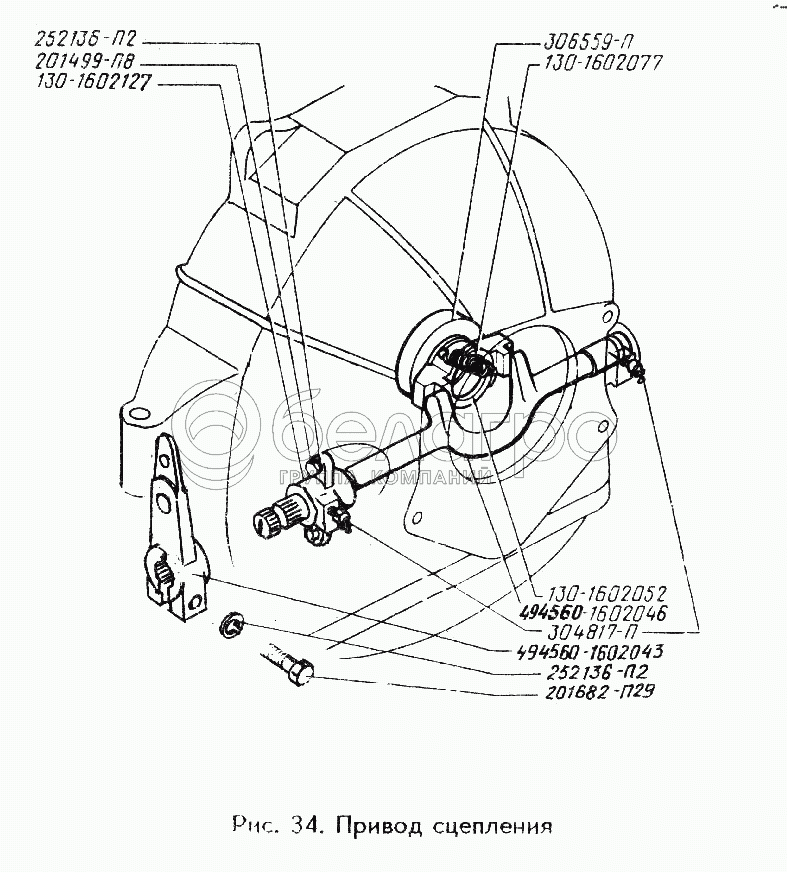
201499-П8
201682-П29
494560-1602046
304817-П
130-1602052
306559-П
130-1602077
494560-1602043
130-1602127
252136-П2
252136-П2
304817-П
Масленка в сборе
В узле: 2
304817-П* Масленка М10 (КГ1/8) 45 градусов (864009) Под заказ 5.29 р.
201499-П8
Болт
В узле: 2
201682-П29
Болт
В узле: 1
494560-1602046
Вилка выключения сцепления
В узле: 1
130-1602052
Муфта выключения сцепления с подшипником в сборе
В узле: 1
306559-П
Подшипник
В узле: 1
130-1602077
Пружина оттяжная муфты подшипника выключения сцепления
В узле: 1
494560-1602043
Рычаг вилки выключения сцепления в сборе
В узле: 1
130-1602127
Фланец вилки
В узле: 1
252136-П2
Шайба пружинная
В узле: 3
Содержащиеся в справочниках-каталогах запасные части и детали не предлагаются к продаже, а носят исключительно информационный характер

Ваша заявка была отправлена. В ближайшее время наши специалисты с Вами свяжутся по указанному Вами телефону.

Представьтесь
Поле обязательно для заполнения
Ваш телефон
Введите правильный номер телефона
E-mail
Введите правильный e-mail
Тема
Тема
применяемость финансирование доставка цена, наличие другое сервис и гарантия
Время для звонка
08:00
08:00 09:00 10:00 11:00 12:00 13:00 14:00 15:00 16:00 17:00 18:00 19:00
19:00
08:00 09:00 10:00 11:00 12:00 13:00 14:00 15:00 16:00 17:00 18:00 19:00

Мы постараемся перезвонить в указанное время

Если вы не хотите ждать, то звоните нашим вежливым консультантам:

8 800 100-2-700
Подтвердите, что вы не робот
Подтвердите, что вы не робот
Спасибо!

Ваше сообщение успешно отправлено!

ЗакрытьПовторить попытку