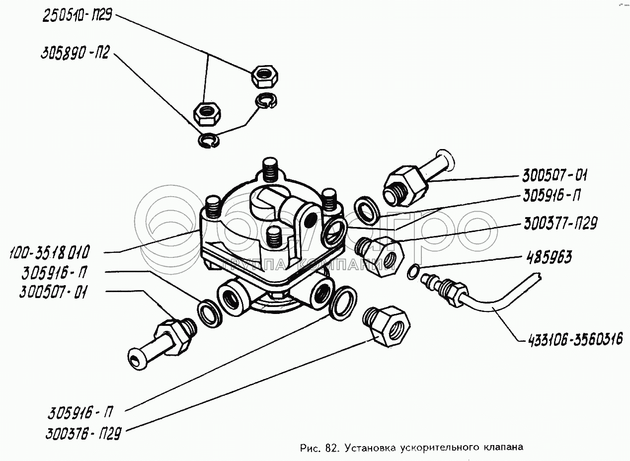
Каталог запасных частей к технике: ЗИЛ-494560. Установка ускорительного клапана

zoom-in zoom-out enlarge shrink circle-right circle-left file-text2 info cart arraw right arraw left zoom out zoom in arraw maximize arraw minimize
250510-П29
100-3518010
485963
433106-3560316
305916-П
305916-П
305916-П
305890-П2
300376-П29
300377-П29
300507-01
300507-01
250510-П29
Гайка
В узле: 2
100-3518010
Клапан ускорительный в сборе
В узле: 1
485963
Кольцо уплотнительное
В узле: 1
4331-3518017
Проставка крепления ускорительного клапана
В узле: 2
433106-3560316
Трубка от крана стояночного тормоза к ускорительному клапану четвертая
В узле: 1
305916-П
Шайба
В узле: 4
305890-П2
Шайба пружинная специальная
В узле: 2
300376-П29
Штуцер ввертной
В узле: 1
300377-П29
Штуцер ввертной
В узле: 1
300507-01
Штуцер
В узле: 2
Содержащиеся в справочниках-каталогах запасные части и детали не предлагаются к продаже, а носят исключительно информационный характер

Ваша заявка была отправлена. В ближайшее время наши специалисты с Вами свяжутся по указанному Вами телефону.

Представьтесь
Поле обязательно для заполнения
Ваш телефон
Введите правильный номер телефона
E-mail
Введите правильный e-mail
Тема
Тема
применяемость финансирование доставка цена, наличие другое сервис и гарантия
Время для звонка
08:00
08:00 09:00 10:00 11:00 12:00 13:00 14:00 15:00 16:00 17:00 18:00 19:00
19:00
08:00 09:00 10:00 11:00 12:00 13:00 14:00 15:00 16:00 17:00 18:00 19:00

Мы постараемся перезвонить в указанное время

Если вы не хотите ждать, то звоните нашим вежливым консультантам:

8 800 100-2-700
Подтвердите, что вы не робот
Подтвердите, что вы не робот
Спасибо!

Ваше сообщение успешно отправлено!

ЗакрытьПовторить попытку