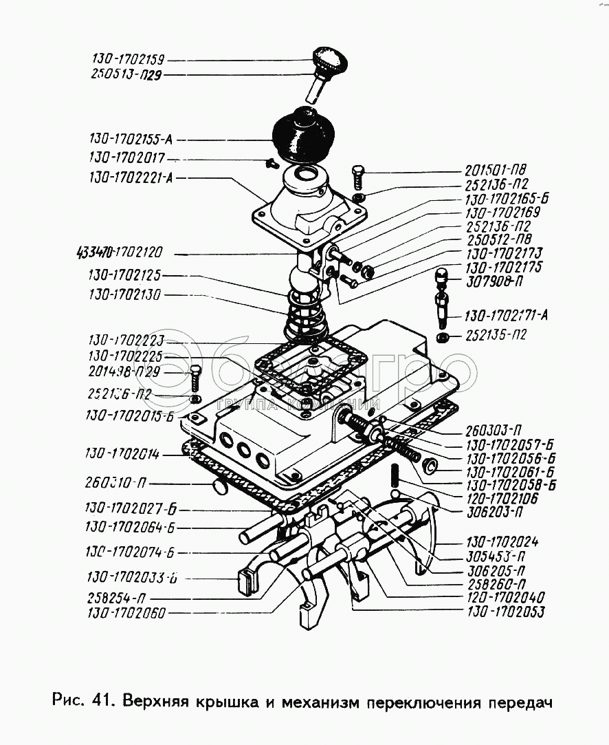
Каталог запасных частей к технике: ЗИЛ-494560. Верхняя крышка и механизм переключения передач

zoom-in zoom-out enlarge shrink circle-right circle-left file-text2 info cart arraw right arraw left zoom out zoom in arraw maximize arraw minimize
130-1702060
130-1702223
120-1702106
130-1702130
130-1702058-Б
130-1702159
433470-1702120
130-1702165-Б
307908-П
130-1702064-Б
130-1702014
130-1702074-Б
130-1702017
130-1702173
130-1702056-Б
130-1702155-А
252136-П2
252136-П2
252136-П2
252136-П2
306203-П
306205-П
258254-П
258260-П
305453-П
260310-П
201498-П29
201501-П8
120-1702040
130-1702027-Б
130-1702024
130-1702033-Б
130-1702225
250512-П8
250513-П29
130-1702053
260303-П
130-1702171-А
130-1702221-А
130-1702175
130-1702057-Б
130-1702015-Б
130-1702125
130-1702169
130-1702061-Б
130-1702060
Стержень переключения первой передачи и заднего хода
В узле: 1
130-1702223
Прокладка картера рычага переключения передач
В узле: 1
120-1702106
Пружина фиксатора стержня переключения передач
В узле: 3
130-1702130
Пружина рычага переключения передач
В узле: 1
130-1702058-Б
Пружина предохранителя
В узле: 1
130-1702159
Рукоятка рычага переключения передач в сборе
В узле: 1
433470-1702120
Рычаг
В узле: 1
433160-1702220
Рычаг переключения передач в сборе
В узле: 1
130-1702165-Б
Рычаг промежуточный переключения первой передачи и заднего хода
В узле: 1
130-1702162-Б
Рычаг промежуточный переключения первой передачи и заднего хода
В узле: 1
307908-П
Сапун в сборе
В узле: 1
130-1702064-Б
Стержень переключения второй и третьей передач
В узле: 1
130-1702014
Прокладка крышки коробки передач
В узле: 1
130-1702074-Б
Стержень переключения четвертой и пятой передач
В узле: 1
130-1702017
Стопор рычага переключения передач
В узле: 1
130-1702173
Сухарь промежуточного рычага
В узле: 1
130-1702056-Б
Сухарь предохранителя
В узле: 1
130-1702155-А
Чехол рычага переключения передач
В узле: 1
252136-П2
Шайба пружинная
В узле: 13
306203-П
Шарик
В узле: 3
306205-П
Шарик
В узле: 4
258254-П
Шплинт-проволока
В узле: 2
258260-П
Шплинт-проволока
В узле: 1
305453-П
Штифт
В узле: 1
260310-П
Заглушка
В узле: 3
201498-П29
Болт
В узле: 7
201501-П8
Болт
В узле: 4
120-1702040
Болт стопорный вилок и головок коробки передач
В узле: 4
130-1702027-Б
Вилка переключения второй и третьей передач в сборе
В узле: 1
130-1702024
Вилка включения первой передачи и заднего хода
В узле: 1
130-1702033-Б
Вилка переключения четвертой и пятой передач
В узле: 1
130-1702225
Втулка установочная
В узле: 2
250512-П8
Гайка
В узле: 1
250513-П29
Гайка
В узле: 1
130-1702053
Головка стержня переключения первой передачи и заднего хода
В узле: 1
260303-П
Заглушка
В узле: 1
130-1702171-А
Болт крышки установочный
В узле: 1
130-1702221-А
Картер рычага переключения передач
В узле: 1
130-1702175
Кольцо замочное сухаря
В узле: 1
130-1702057-Б
Корпус предохранителя
В узле: 1
130-1702015-Б
Крышка коробки передач
В узле: 1
130-1702010-Б
Крышка коробки передач в сборе
В узле: 1
130-1702037
Крышка коробки передач с предохранителем и промежуточным рычагом в сборе (комплект)
В узле: 1
130-1702125
Опора рычага переключения передач
В узле: 1
130-1702169
Ось промежуточного рычага первой передачи и заднего хода
В узле: 1
130-1702059-А
Предохранитель выключения первой передачи и заднего хода в сборе
В узле: 1
130-1702061-Б
Пробка корпуса предохранителя
В узле: 1
Содержащиеся в справочниках-каталогах запасные части и детали не предлагаются к продаже, а носят исключительно информационный характер

Ваша заявка была отправлена. В ближайшее время наши специалисты с Вами свяжутся по указанному Вами телефону.

Представьтесь
Поле обязательно для заполнения
Ваш телефон
Введите правильный номер телефона
E-mail
Введите правильный e-mail
Тема
Тема
применяемость финансирование доставка цена, наличие другое сервис и гарантия
Время для звонка
08:00
08:00 09:00 10:00 11:00 12:00 13:00 14:00 15:00 16:00 17:00 18:00 19:00
19:00
08:00 09:00 10:00 11:00 12:00 13:00 14:00 15:00 16:00 17:00 18:00 19:00

Мы постараемся перезвонить в указанное время

Если вы не хотите ждать, то звоните нашим вежливым консультантам:

8 800 100-2-700
Подтвердите, что вы не робот
Подтвердите, что вы не робот
Спасибо!

Ваше сообщение успешно отправлено!

ЗакрытьПовторить попытку