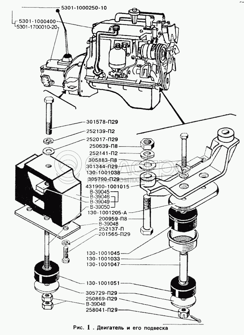
Каталог запасных частей к технике: ЗИЛ-5301. Двигатель и его подвеска

zoom-in zoom-out enlarge shrink circle-right circle-left file-text2 info cart arraw right arraw left zoom out zoom in arraw maximize arraw minimize
В-39046
258041-П29
В-39050
252141-П2
252139-П2
252137-П2
305883-П8
305790-П29
305729-П29
252017-П29
130-1001038
5301-1000250-10
130-1001051
130-1001045
В-39045
200959-П8
В-39049
В-39048
В-39048
431900-1001015
5301-1700010-20
130-1001205-А
5301-1000400
130-1001033
250869-П29
250639-П8
130-1001047
301578-П29
301344-П29
201565-П29
В-39046
Подушка задней опоры двигателя
В узле: 2
140-8104076
Штуцер
В узле: 1
258041-П29
Шплинт
В узле: 2
В-39050
Шпилька
В узле: 2
252141-П2
Шайба пружинная
В узле: 2
252139-П2
Шайба пружинная
В узле: 2
252137-П2
Шайба пружинная
В узле: 4
305883-П8
Шайба
В узле: 2
305790-П29
Шайба
В узле: 2
305729-П29
Шайба
В узле: 4
252017-П29
Шайба
В узле: 1
130-1001038
Фиксатор болтов передней опоры двигателя
В узле: 1
5301-1000250-10
Силовой агрегат
В узле: 1
130-1001051
Подушка опоры двигателя нижняя
В узле: 4
130-1001045
Подушка опоры двигателя верхняя
В узле: 2
В-39045
Подушка задней опоры двигателя в сборе
В узле: 2
200959-П8
Болт
В узле: 2
В-39049
Пластина
В узле: 2
В-39048
Накладка
В узле: 2
431900-1001015
Кронштейн передней опоры двигателя
В узле: 1
5301-1700010-20
Коробка передач в сборе
В узле: 1
130-1001205-А
Колпак защитный верхних подушек передней опоры двигателя
В узле: 1
5301-1000400
Двигатель в сборе (ММЗ-245.12)
В узле: 1
130-1001033
Гнездо верхней подушки подвески двигателя
В узле: 2
250869-П29
Гайка
В узле: 2
250639-П8
Гайка
В узле: 2
250615-П29
Гайка
В узле: 4
130-1001047
Втулка распорная
В узле: 2
301578-П29
Болт
В узле: 2
301344-П29
Болт
В узле: 2
201565-П29
Болт
В узле: 4
Содержащиеся в справочниках-каталогах запасные части и детали не предлагаются к продаже, а носят исключительно информационный характер

Ваша заявка была отправлена. В ближайшее время наши специалисты с Вами свяжутся по указанному Вами телефону.

Представьтесь
Поле обязательно для заполнения
Ваш телефон
Введите правильный номер телефона
E-mail
Введите правильный e-mail
Тема
Тема
применяемость финансирование доставка цена, наличие другое сервис и гарантия
Время для звонка
08:00
08:00 09:00 10:00 11:00 12:00 13:00 14:00 15:00 16:00 17:00 18:00 19:00
19:00
08:00 09:00 10:00 11:00 12:00 13:00 14:00 15:00 16:00 17:00 18:00 19:00

Мы постараемся перезвонить в указанное время

Если вы не хотите ждать, то звоните нашим вежливым консультантам:

8 800 100-2-700
Подтвердите, что вы не робот
Подтвердите, что вы не робот
Спасибо!

Ваше сообщение успешно отправлено!

ЗакрытьПовторить попытку