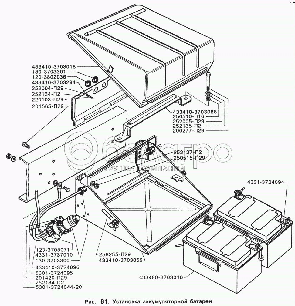
Каталог запасных частей к технике: ЗИЛ-5301. Установка аккумуляторной батареи

zoom-in zoom-out enlarge shrink circle-right circle-left file-text2 info cart arraw right arraw left zoom out zoom in arraw maximize arraw minimize
433410-3703018
433410-3703294
258255-П29
252137-П2
252135-П2
252134-П2
252134-П2
252005-П29
252004-П29
123-3708071
4331-3724094
5301-3724095
433410-3724096
433410-3703088
433480-3703010
5301-3724044-20
433410-3703056
250515-П29
250510-П16
4331-3737010
130-3703301
130-3703300
120-3802036
220103-П29
201565-П29
201420-П29
200277-П29
433410-3703018
Крышка гнезда аккумуляторных батарей с термоизоляцией в сборе
В узле: 1
433410-3703294
Щиток защитный с термоизоляцией в сборе
В узле: 1
258255-П29
Шплинт
В узле: 2
252137-П2
Шайба пружинная
В узле: 4
252135-П2
Шайба пружинная
В узле: 2
252134-П2
Шайба пружинная
В узле: 7
252005-П29
Шайба
В узле: 2
252004-П29
Шайба
В узле: 3
123-3708071
Колпачок защитный провода
В узле: 2
431411-3821037
Прокладка защитная
В узле: 1
4331-3724094
Провод-перемычка между аккумуляторными батареями в сборе
В узле: 1
5301-3724095
Провод выключатель массы-рама
В узле: 1
433410-3724096
Провод аккумуляторная батарея-выключатель массы в сборе
В узле: 1
433410-3703088
Планка крепления аккумуляторных батарей
В узле: 1
433480-3703010
Батарея аккумуляторная 6СТ-110А3
В узле: 2
5301-3724044-20
Жгут проводов задний правый
В узле: 1
433420-3821040
Датчик температуры электролита 1318.3842
В узле: 1
433410-3703056
Гнездо аккумуляторных батарей с термоизоляцией в сборе
В узле: 1
250515-П29
Гайка
В узле: 4
250510-П16
Гайка
В узле: 2
4331-3737010
Выключатель аккумуляторных батарей дистанционный 49.3710
В узле: 1
130-3703301
Втулка
В узле: 1
130-3703300
Втулка проходная щитка кожуха
В узле: 2
120-3802036
Втулка гибкого вала спидометра проходная
В узле: 1
220103-П29
Винт
В узле: 3
201565-П29
Болт
В узле: 4
201420-П29
Болт
В узле: 4
200277-П29
Болт
В узле: 2
Содержащиеся в справочниках-каталогах запасные части и детали не предлагаются к продаже, а носят исключительно информационный характер

Ваша заявка была отправлена. В ближайшее время наши специалисты с Вами свяжутся по указанному Вами телефону.

Представьтесь
Поле обязательно для заполнения
Ваш телефон
Введите правильный номер телефона
E-mail
Введите правильный e-mail
Тема
Тема
применяемость финансирование доставка цена, наличие другое сервис и гарантия
Время для звонка
08:00
08:00 09:00 10:00 11:00 12:00 13:00 14:00 15:00 16:00 17:00 18:00 19:00
19:00
08:00 09:00 10:00 11:00 12:00 13:00 14:00 15:00 16:00 17:00 18:00 19:00

Мы постараемся перезвонить в указанное время

Если вы не хотите ждать, то звоните нашим вежливым консультантам:

8 800 100-2-700
Подтвердите, что вы не робот
Подтвердите, что вы не робот
Спасибо!

Ваше сообщение успешно отправлено!

ЗакрытьПовторить попытку