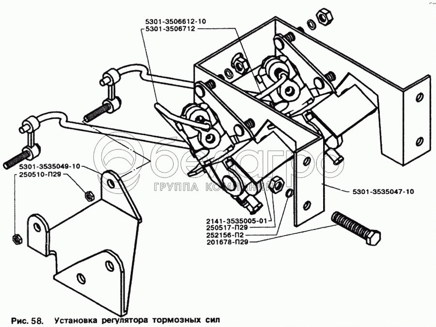
Каталог запасных частей к технике: ЗИЛ-5301. Установка регулятора тормозных сил

zoom-in zoom-out enlarge shrink circle-right circle-left file-text2 info cart arraw right arraw left zoom out zoom in arraw maximize arraw minimize
201678-П29
250510-П29
5301-3535047-10
5301-3535049-10
2141-3535005-01
250517-П29
5301-3506612-10
5301-3506712
252156-П2
201678-П29
Болт
В узле: 10
250510-П29
Гайка
В узле: 2
5301-3535047-10
Кронштейн регулятора давления
В узле: 1
5301-3535049-10
Кронштейн тяги регулятора
В узле: 1
2141-3535005-01
Регулятор давления со стержнем в сборе
В узле: 2
250517-П29
Гайка
В узле: 10
5301-3506612-10
Трубка от регулятора давления к тормозному шлангу в сборе
В узле: 1
5301-3506712
Трубка от регулятора давления к тормозному крану в сборе
В узле: 1
252156-П2
Шайба пружинная
В узле: 10
Содержащиеся в справочниках-каталогах запасные части и детали не предлагаются к продаже, а носят исключительно информационный характер

Ваша заявка была отправлена. В ближайшее время наши специалисты с Вами свяжутся по указанному Вами телефону.

Представьтесь
Поле обязательно для заполнения
Ваш телефон
Введите правильный номер телефона
E-mail
Введите правильный e-mail
Тема
Тема
применяемость финансирование доставка цена, наличие другое сервис и гарантия
Время для звонка
08:00
08:00 09:00 10:00 11:00 12:00 13:00 14:00 15:00 16:00 17:00 18:00 19:00
19:00
08:00 09:00 10:00 11:00 12:00 13:00 14:00 15:00 16:00 17:00 18:00 19:00

Мы постараемся перезвонить в указанное время

Если вы не хотите ждать, то звоните нашим вежливым консультантам:

8 800 100-2-700
Подтвердите, что вы не робот
Подтвердите, что вы не робот
Спасибо!

Ваше сообщение успешно отправлено!

ЗакрытьПовторить попытку