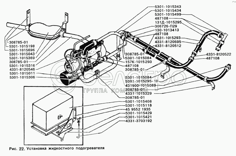
Каталог запасных частей к технике: ЗИЛ-5301. Установка жидкостного подогревателя

zoom-in zoom-out enlarge shrink circle-right circle-left file-text2 info cart arraw right arraw left zoom out zoom in arraw maximize arraw minimize
130-1013413
306726-П29
4331-8120595
4331-3703192
5301-1015499
5301-1015696
5301-1015343
5301-1015306
308785-01
308785-01
308785-01
308785-01
308785-01
308785-01
487108
487108
487108
487108
5301-1015011
5301-1015295-10
4331-1015293
131Д-1015295
4331-8120512
157К-1015293
4331-8120546
431900-1015089
5301-1015429
5301-1015316
45 9552 1935
5301-1015043
5301-1015408
5301-1015369
5301-1015198
5301-1015118
4331-1015329
5301-1015084
5301-1015084
5301-1015421
5301-1015434
4331-8120522
252006-П29
Шайба
В узле: 6
130-1013413
Прокладка хомута крепления трубок
В узле: 1
306726-П29
Скоба
В узле: 1
4331-8120595
Скоба
В узле: 1
4331-3703192
Стяжка подогревателя
В узле: 2
5301-1015499
Тройник
В узле: 1
5301-1015696
Труба выпускная задняя в сборе
В узле: 1
5301-1015343
Труба отводящая
В узле: 1
5301-1015306
Трубка выпускная подогревателя в сборе
В узле: 1
308785-01
Хомут
В узле: 8
487108
Хомут
В узле: 12
130-3724043
Хомут крепления шлангов
В узле: 1
252005-П29
Шайба
В узле: 6
5301-1015011
Подогреватель с кронштейном в сборе
В узле: 1
252135-П2
Шайба пружинная
В узле: 14
252136-П2
Шайба пружинная
В узле: 5
252157-П2
Шайба пружинная
В узле: 2
5301-1015295-10
Шланг 18Х1350 соединительный
В узле: 1
4331-1015293
Шланг отводящий 18х580 мм
В узле: 1
131Д-1015295
Шланг 18Х60 соединительный
В узле: 1
4331-8120512
Шланг соединительный 18х630
В узле: 1
157К-1015293
Шланг соединительный подводящий
В узле: 1
4331-8120546
Шланг угловой отопителя
В узле: 1
431900-1015089
Штуцер подогревателя на двигателе
В узле: 1
5301-1015429
Щиток кожуха
В узле: 1
5301-1015316
Колено выпускной трубы подогревателя в сборе
В узле: 1
201456-П29
Болт
В узле: 4
201458-П29
Болт
В узле: 8
201561-П29
Болт
В узле: 2
201674-П29
Болт
В узле: 5
201678-П29
Болт
В узле: 1
130-3703300
Втулка проходная щитка кожуха
В узле: 1
250510-П29
Гайка
В узле: 14
250515-П29
Гайка
В узле: 2
250517-П29
Гайка
В узле: 5
45 9552 1935
Гайка
В узле: 2
5301-1015043
Глушитель подогревателя в сборе
В узле: 1
5301-1015408
Кожух подогревателя в сборе
В узле: 1
201454-П29
Болт
В узле: 4
130-1015370
Кран сливной в сборе
В узле: 1
5301-1015369
Кронштейн выпускной трубы
В узле: 1
5301-1015198
Кронштейн крепления выпускной трубы подогревателя
В узле: 1
5301-1015072
Кронштейн крепления котла подогревателя
В узле: 1
5301-1015114
Кронштейн крепления подогревателя задний в сборе
В узле: 1
5301-1015118
Кронштейн крепления подогревателя передний в сборе
В узле: 1
4331-1015329
Кронштейн крепления хомута
В узле: 1
5301-1015084
Кронштейн отводящей трубы
В узле: 2
5301-1015421
Опора хомута
В узле: 1
5301-1015434
Патрубок сливного крана в сборе
В узле: 1
4331-8120522
Переходник
В узле: 1
Содержащиеся в справочниках-каталогах запасные части и детали не предлагаются к продаже, а носят исключительно информационный характер

Ваша заявка была отправлена. В ближайшее время наши специалисты с Вами свяжутся по указанному Вами телефону.

Представьтесь
Поле обязательно для заполнения
Ваш телефон
Введите правильный номер телефона
E-mail
Введите правильный e-mail
Тема
Тема
применяемость финансирование доставка цена, наличие другое сервис и гарантия
Время для звонка
08:00
08:00 09:00 10:00 11:00 12:00 13:00 14:00 15:00 16:00 17:00 18:00 19:00
19:00
08:00 09:00 10:00 11:00 12:00 13:00 14:00 15:00 16:00 17:00 18:00 19:00

Мы постараемся перезвонить в указанное время

Если вы не хотите ждать, то звоните нашим вежливым консультантам:

8 800 100-2-700
Подтвердите, что вы не робот
Подтвердите, что вы не робот
Спасибо!

Ваше сообщение успешно отправлено!

ЗакрытьПовторить попытку