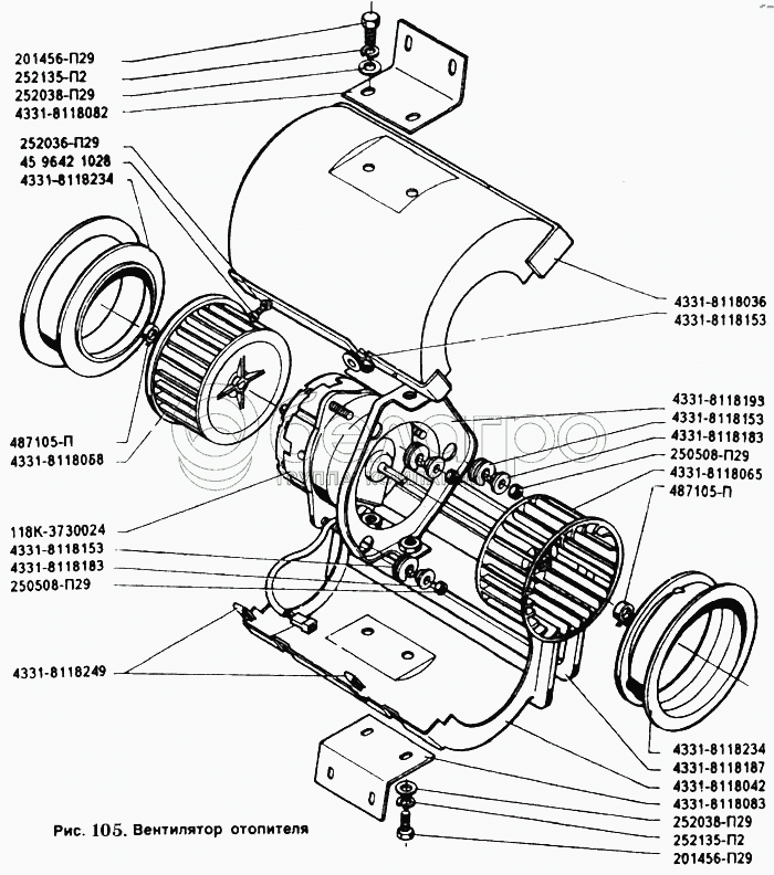
Каталог запасных частей к технике: ЗИЛ-5301. Вентилятор отопителя

zoom-in zoom-out enlarge shrink circle-right circle-left file-text2 info cart arraw right arraw left zoom out zoom in arraw maximize arraw minimize
4331-8118193
118К-3730024
252135-П2
252135-П2
252038-П29
252038-П29
252036-П29
487105-П
487105-П
4331-8118042
4331-8118036
4331-8118249
4331-8118183
4331-8118187
201456-П29
201456-П29
4331-8118083
4331-8118082
4331-8118068
4331-8118065
4331-8118234
4331-8118234
250508-П29
250508-П29
4331-8118153
4331-8118153
4331-8118153
4331-8118153
45 9642 1028
4331-8118193
Кронштейн электродвигателя
В узле: 1
118К-3730024
Электродвигатель отопителя МЭ272-Б в сборе
В узле: 1
252135-П2
Шайба пружинная
В узле: 4
252038-П29
Шайба
В узле: 4
252036-П29
Шайба
В узле: 4
487105-П
Хомут
В узле: 2
4331-8118042
Улитка вентилятора нижняя часть
В узле: 1
4331-8118036
Улитка вентилятора верхняя часть
В узле: 1
4331-8118249
Скоба улитки
В узле: 4
4331-8118183
Проставка
В узле: 3
4331-8118187
Прокладка вентилятора
В узле: 1
201456-П29
Болт
В узле: 4
4331-8118083
Кронштейн вентилятора нижний
В узле: 1
4331-8118082
Кронштейн вентилятора
В узле: 1
4331-8118069
Колесо рабочее с электродвигателем в сборе
В узле: 1
4331-8118068
Колесо рабочее правое
В узле: 1
4331-8118065
Колесо рабочее левое
В узле: 1
4331-8118234
Заборник улитки
В узле: 2
250508-П29
Гайка
В узле: 3
4331-8118153
Втулка крепления трубки привода управления сцеплением
В узле: 4
45 9642 1028
Винт
В узле: 4
Содержащиеся в справочниках-каталогах запасные части и детали не предлагаются к продаже, а носят исключительно информационный характер

Ваша заявка была отправлена. В ближайшее время наши специалисты с Вами свяжутся по указанному Вами телефону.

Представьтесь
Поле обязательно для заполнения
Ваш телефон
Введите правильный номер телефона
E-mail
Введите правильный e-mail
Тема
Тема
применяемость финансирование доставка цена, наличие другое сервис и гарантия
Время для звонка
08:00
08:00 09:00 10:00 11:00 12:00 13:00 14:00 15:00 16:00 17:00 18:00 19:00
19:00
08:00 09:00 10:00 11:00 12:00 13:00 14:00 15:00 16:00 17:00 18:00 19:00

Мы постараемся перезвонить в указанное время

Если вы не хотите ждать, то звоните нашим вежливым консультантам:

8 800 100-2-700
Подтвердите, что вы не робот
Подтвердите, что вы не робот
Спасибо!

Ваше сообщение успешно отправлено!

ЗакрытьПовторить попытку