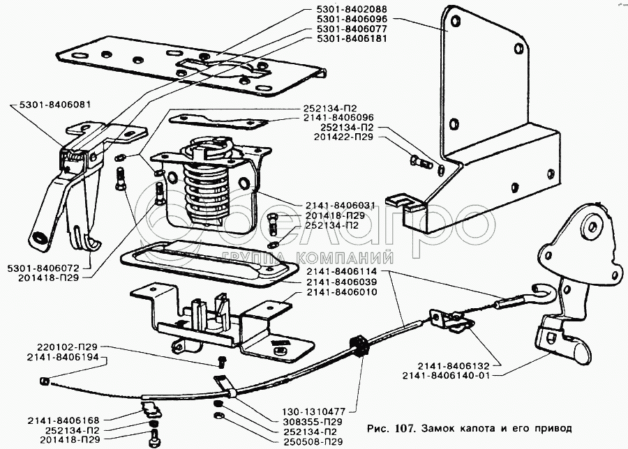
Каталог запасных частей к технике: ЗИЛ-5301. Замок капота и его привод

zoom-in zoom-out enlarge shrink circle-right circle-left file-text2 info cart arraw right arraw left zoom out zoom in arraw maximize arraw minimize
2141-8406168
252134-П2
252134-П2
252134-П2
252134-П2
252134-П2
308355-П29
5301-8402088
2141-8406114
2141-8406132
2141-8406140-01
5301-8406081
2141-8406096
201418-П29
201418-П29
201418-П29
5301-8406181
2141-8406039
5301-8406072
5301-8406096
5301-8406077
2141-8406031
2141-8406010
250508-П29
130-1310477
2141-8406194
220102-П29
201422-П29
2141-8406168
Планка держателя оболочки привода замка капота
В узле: 1
258013-П29
Шплинт
В узле: 1
252134-П2
Шайба пружинная
В узле: 17
252003-П29
Шайба
В узле: 1
308355-П29
Хомут
В узле: 2
5301-8402088
Усилитель внутренней панели капота в сборе
В узле: 1
2141-8406114
Тяга привода замка
В узле: 1
2141-8406132
Скоба крепления оболочки
В узле: 1
2141-8406140-01
Ручка тяги привода замка капота
В узле: 1
5301-8406081
Пружина предохранительного крючка
В узле: 1
2141-8406096
Прокладка регулировочная защелки замка капота
В узле: 4
2141-8406110
Привод замка капота
В узле: 1
5301-8406060
Предохранитель открывания капота в сборе
В узле: 1
201418-П29
Болт
В узле: 12
5301-8406181
Палец предохранительного крючка
В узле: 1
2141-8406039
Направляющая защелки привода замка
В узле: 1
5301-8406072
Крючок предохранительный в сборе
В узле: 1
5301-8406096
Кронштейн ручки привода замка капота в сборе
В узле: 1
5301-8406077
Кронштейн предохранительного крючка
В узле: 1
2141-8406031
Защелка замка капота
В узле: 1
2141-8406010
Замок капота
В узле: 1
250508-П29
Гайка
В узле: 2
130-1310477
Втулка оболочки тяги жалюзи радиатора
В узле: 1
2141-8406194
Втулка тяги привода замка
В узле: 1
220102-П29
Винт
В узле: 2
201422-П29
Болт
В узле: 3
Содержащиеся в справочниках-каталогах запасные части и детали не предлагаются к продаже, а носят исключительно информационный характер

Ваша заявка была отправлена. В ближайшее время наши специалисты с Вами свяжутся по указанному Вами телефону.

Представьтесь
Поле обязательно для заполнения
Ваш телефон
Введите правильный номер телефона
E-mail
Введите правильный e-mail
Тема
Тема
применяемость финансирование доставка цена, наличие другое сервис и гарантия
Время для звонка
08:00
08:00 09:00 10:00 11:00 12:00 13:00 14:00 15:00 16:00 17:00 18:00 19:00
19:00
08:00 09:00 10:00 11:00 12:00 13:00 14:00 15:00 16:00 17:00 18:00 19:00

Мы постараемся перезвонить в указанное время

Если вы не хотите ждать, то звоните нашим вежливым консультантам:

8 800 100-2-700
Подтвердите, что вы не робот
Подтвердите, что вы не робот
Спасибо!

Ваше сообщение успешно отправлено!

ЗакрытьПовторить попытку