Каталог запасных частей к технике: ЗИЛ-5301 (2006). Малолистовая передняя подвеска

zoom-in zoom-out enlarge shrink circle-right circle-left file-text2 info cart arraw right arraw left zoom out zoom in arraw maximize arraw minimize
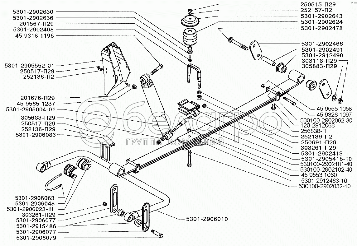
305683-П29
5301-2912463-10
5301-2906023-11
5301-2906048
5301-2906010
5301-2902408
5301-2906063
530100-2902062-30
5301-2902643
5301-2902478
305883-П29
5301-2902636
252136-П2
252136-П2
252157-П2
252139-П2
5301-2906077
5301-2906077
5301-2902466
4595551058
4595651237
4593181196
4593261097
250517-П29
250517-П29
201567-П29
530100-2902032-10
5301-2902624
5301-2915486
5301-2902630
120-2912068
120-2912068
5301-2902491
5301-2912490
[Гайка]
250691-П29
250515-П29
5301-2905004-01
303261-П29
303261-П29
303118-П29
256838-П
5301-2905552-01
530100-2902101-40
530100-2902102-40
5301-2902413
5301-2906083
5301-2905418-10
5301-2906079
305683-П29
Шайба
В узле: 2
5301-2902463
Пластина передней рессоры
В узле: 4
5301-2912463-10
Пластина передней рессоры
В узле: 6
5301-2906023-11
Подушка крепления стабилизатора
В узле: 2
530100-2902121-10
Прокладка межлистовая
В узле: 2
5301-2902012-04
Рессора передняя в сборе
В узле: 2
5301-2906048
Скоба крепления штанги
В узле: 2
5301-2906010
Стабилизатор передней подвески в сборе
В узле: 1
5301-2902408
Стремянка передней рессоры
В узле: 4
5301-2906063
Стремянка скобы
В узле: 4
530100-2902062-30
Хомут рессоры
В узле: 4
5301-2902643
Чашка буфера
В узле: 2
305826-П8
Шайба
В узле: 2
5301-2902478
Палец переднего ушка рессоры
В узле: 6
305883-П29
Шайба
В узле: 6
5301-2902636
Шайба крепления буфера
В узле: 2
252136-П2
Шайба пружинная
В узле: 12
252157-П2
Шайба пружинная
В узле: 2
252139-П2
Шайба пружинная
В узле: 8
258056-П29
Шплинт
В узле: 1
5301-2906077
Щека серьги крепления стабилизатора
В узле: 4
5301-2902466
Щека серьги передней рессоры
В узле: 4
4595551058
Гайка
В узле: ---
4595651237
Гайка самостопорящаяся
В узле: ---
4593181196
Болт
В узле: ---
4593261097
Болт
В узле: ---
250517-П29
Гайка
В узле: 12
201676-П29
Болт
В узле: 12
201567-П29
Болт
В узле: 2
530100-2902032-10
Болт центральный передней рессоры
В узле: 2
5301-2902624
Буфер хода сжатия подвески
В узле: 2
5301-2915486
Втулка
В узле: 8
5301-2902630
Втулка крепления буфера
В узле: 2
120-2912068
Втулка хомутов распорная
В узле: 4
5301-2902491
Втулка ушка
В узле: 6
5301-2912490
Втулка ушка рессоры
В узле: 12
[Гайка]
Гайка
В узле: 2
250691-П29
Гайка
В узле: 8
250515-П29
Гайка
В узле: 2
5301-2905004-01
Амортизатор с втулками крепления в сборе
В узле: 2
303261-П29
Гайка самостопорящаяся
В узле: 8
303118-П29
Гайка самостопорящаяся
В узле: 6
256838-П
Заклепка
В узле: 4
5301-2905552-01
Кронштейн амортизатора
В узле: 2
530100-2902101-40
Лист передней рессоры
В узле: 2
530100-2902102-40
Лист передней рессоры
В узле: 2
5301-2902413
Накладка передней рессоры левая
В узле: 1
5301-2902412
Накладка передней рессоры правая
В узле: 1
5301-2906083
Накладка стремянки
В узле: 2
5301-2905418-10
Палец крепления амортизатора
В узле: 2
5301-2906079
Палец крепления стабилизатора
В узле: 4
Содержащиеся в справочниках-каталогах запасные части и детали не предлагаются к продаже, а носят исключительно информационный характер

Ваша заявка была отправлена. В ближайшее время наши специалисты с Вами свяжутся по указанному Вами телефону.

Представьтесь
Поле обязательно для заполнения
Ваш телефон
Введите правильный номер телефона
E-mail
Введите правильный e-mail
Тема
Тема
применяемость финансирование доставка цена, наличие другое сервис и гарантия
Время для звонка
08:00
08:00 09:00 10:00 11:00 12:00 13:00 14:00 15:00 16:00 17:00 18:00 19:00
19:00
08:00 09:00 10:00 11:00 12:00 13:00 14:00 15:00 16:00 17:00 18:00 19:00

Мы постараемся перезвонить в указанное время

Если вы не хотите ждать, то звоните нашим вежливым консультантам:

8 800 100-2-700
Подтвердите, что вы не робот
Подтвердите, что вы не робот
Спасибо!

Ваше сообщение успешно отправлено!

ЗакрытьПовторить попытку