Каталог запасных частей к технике: ЗИЛ-5301 (2006). Отопитель кабины

zoom-in zoom-out enlarge shrink circle-right circle-left file-text2 info cart arraw right arraw left zoom out zoom in arraw maximize arraw minimize
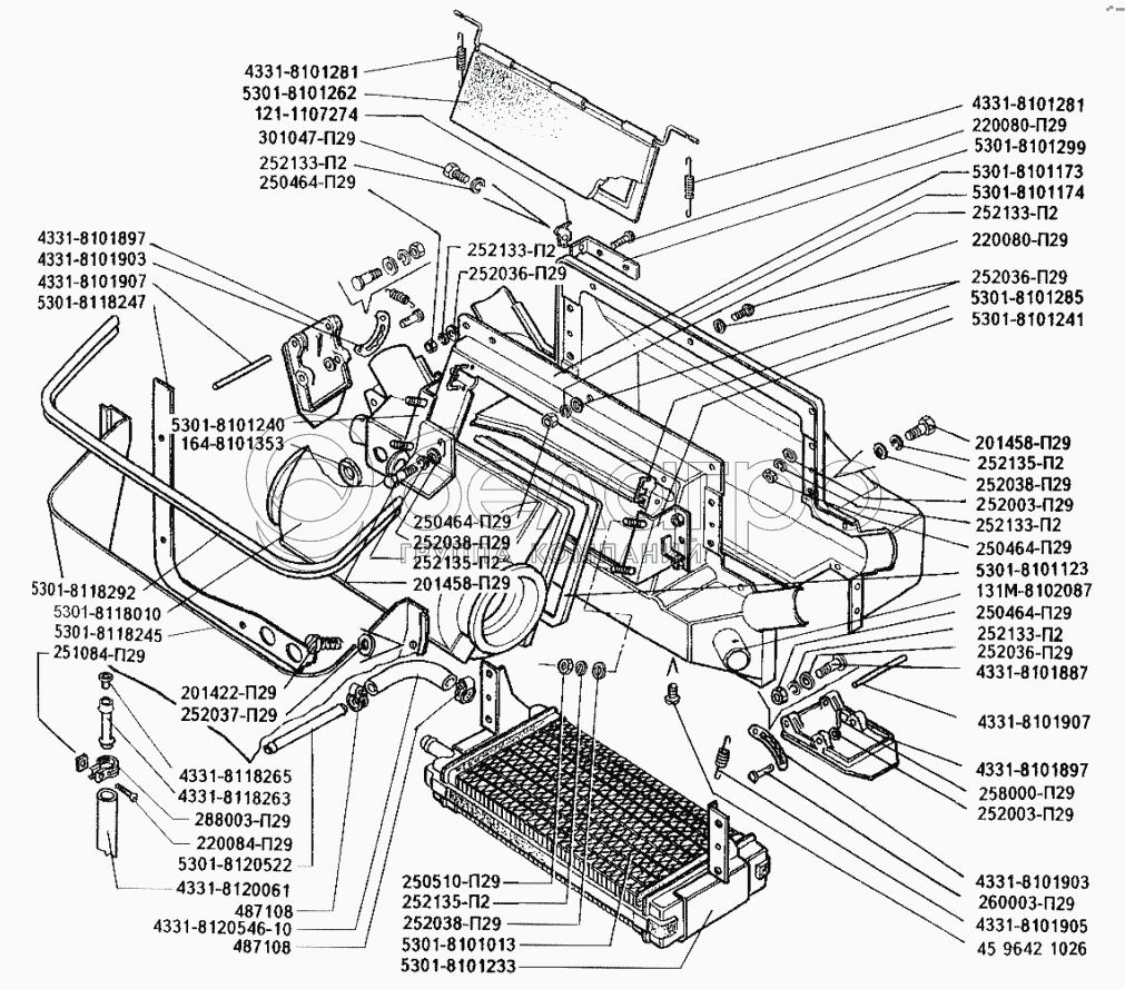
4331-8101887
131М-8102087
4331-8118263
5301-8120522
121-1107274
4331-8101281
4331-8101281
4331-8101905
5301-8101013
4331-8120061
5301-8118292
5301-8118247
5301-8101123
164-8101353
260003-П29
4331-8101903
4331-8101903
288003-П29
487108
487108
252003-П29
252003-П29
252036-П29
252036-П29
252036-П29
252037-П29
252038-П29
252038-П29
252038-П29
252133-П2
252133-П2
252133-П2
252133-П2
252133-П2
252135-П2
252135-П2
252135-П2
4331-8120546-10
258000-П29
5301-8101262
201458-П29
201458-П29
301047-П29
5301-8118010
[Винт]
220080-П29
220080-П29
220084-П29
4331-8118265
250510-П29
250464-П29
250464-П29
250464-П29
250464-П29
251084-П29
4331-8101897
4331-8101897
201422-П29
5301-8118245
5301-8101174
5301-8101173
5301-8101241
5301-8101240
5301-8101299
5301-8101233
5301-8101285
4331-8101907
4331-8101907
5301-8101010
4331-8101887
Упор заслонки отопителя
В узле: 2
131М-8102087
Патрубок
В узле: 2
4331-8118263
Патрубок кожуха
В узле: 2
5301-8120522
Переходник
В узле: 1
121-1107274
Зажим троса
В узле: 1
4331-8101281
Пружина заслонки
В узле: 2
4331-8101905
Пружина заслонки
В узле: 2
5301-8101013
Радиатор в сборе
В узле: 1
4331-8120061
Трубка сливная
В узле: 2
5301-8118292
Уплотнитель
В узле: 1
5301-8118247
Уплотнитель кожуха
В узле: 1
5301-8101123
Уплотнитель отопителя
В узле: 1
164-8101353
Уплотнитель трубки радиатора
В узле: 2
260003-П29
Палец
В узле: 2
4331-8101903
Фиксатор заслонки
В узле: 2
288003-П29
Хомут
В узле: 2
487108
Хомут
В узле: 2
252003-П29
Шайба
В узле: 6
252036-П29
Шайба
В узле: 16
252037-П29
Шайба
В узле: 6
252038-П29
Шайба
В узле: 12
252133-П2
Шайба пружинная
В узле: 11
252135-П2
Шайба пружинная
В узле: 12
4331-8120546-10
Шланг угловой
В узле: 1
258000-П29
Шплинт
В узле: 2
5301-8101262
Заслонка свежего воздуха с осью в сборе
В узле: 1
201458-П29
Болт
В узле: 8
301047-П29
Болт
В узле: 1
5301-8118010
Вентилятор отопителя в сборе
В узле: 1
[Винт]
Винт
В узле: 10
220080-П29
Винт
В узле: 9
220084-П29
Винт
В узле: 2
4331-8118265
Втулка патрубка
В узле: 2
250510-П29
Гайка
В узле: 4
250464-П29
Гайка
В узле: 11
251084-П29
Гайка
В узле: 2
4331-8101897
Заслонка отопителя
В узле: 2
201422-П29
Болт
В узле: 6
5301-8118245
Кожух вентилятора
В узле: 1
5301-8118244
Кожух вентилятора с патрубками в сборе
В узле: 1
5301-8101174
Кожух отопителя задняя половина
В узле: 1
5301-8101173
Кожух отопителя передняя половина
В узле: 1
5301-8101241
Кронштейн отопителя левый в сборе
В узле: 1
5301-8101240
Кронштейн отопителя правый в сборе
В узле: 1
5301-8101299
Кронштейн прижима троса
В узле: 1
5301-8101233
Кронштейн радиатора
В узле: 2
5301-8101285
Накладка оси заслонки
В узле: 2
4331-8101907
Ось заслонки
В узле: 2
5301-8101010
Отопитель в сборе
В узле: 1
Содержащиеся в справочниках-каталогах запасные части и детали не предлагаются к продаже, а носят исключительно информационный характер

Ваша заявка была отправлена. В ближайшее время наши специалисты с Вами свяжутся по указанному Вами телефону.

Представьтесь
Поле обязательно для заполнения
Ваш телефон
Введите правильный номер телефона
E-mail
Введите правильный e-mail
Тема
Тема
применяемость финансирование доставка цена, наличие другое сервис и гарантия
Время для звонка
08:00
08:00 09:00 10:00 11:00 12:00 13:00 14:00 15:00 16:00 17:00 18:00 19:00
19:00
08:00 09:00 10:00 11:00 12:00 13:00 14:00 15:00 16:00 17:00 18:00 19:00

Мы постараемся перезвонить в указанное время

Если вы не хотите ждать, то звоните нашим вежливым консультантам:

8 800 100-2-700
Подтвердите, что вы не робот
Подтвердите, что вы не робот
Спасибо!

Ваше сообщение успешно отправлено!

ЗакрытьПовторить попытку