Каталог запасных частей к технике: ЗИЛ-5301 (2006). Пневмогидравлический усилитель привода управления сцеплением

zoom-in zoom-out enlarge shrink circle-right circle-left file-text2 info cart arraw right arraw left zoom out zoom in arraw maximize arraw minimize
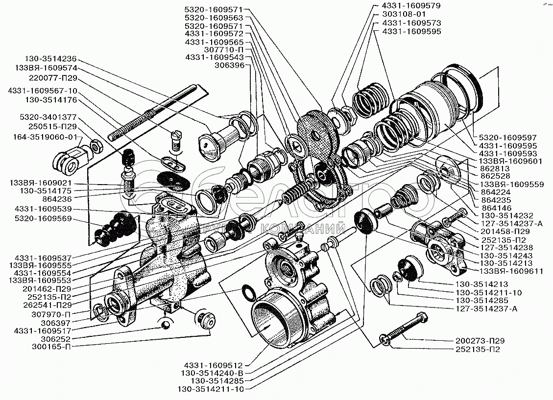
262541-П29
133ВЯ-1609574
300165-П
127-3514238
4331-1609565
4331-1609573
133ВЯ-1609601
130-3514236
127-3514237-А
127-3514237-А
130-3514232
4331-1609537
4331-1609593
133ВЯ-1609553
4331-1609509
4331-1609510
864146
130-3514175
306252
252135-П2
252135-П2
252135-П2
130-3514285
130-3514285
130-3514213
130-3514213
862528
4331-1609579
4331-1609572
5320-1609569
5320-1609597
130-3514243
4331-1609567
130-3514240-В
306397
306396
5320-3401377
133ВЯ-1609021
5320-1609571
5320-1609571
307970-П
250515-П29
303108-01
5320-1609563
133ВЯ-1609555
220077-П29
164-3519060-01
201458-П29
200273-П29
4331-1609543
4331-1609539
4331-1609554
133ВЯ-1609611
130-3514176
4331-1609512
133ВЯ-1609559
4331-1609517
201462-П29
130-3514211-10
130-3514211-10
862813
307710-П
864236
864235
864224
4331-1609595
4331-1609595
262541-П29
Пробка
В узле: 1
133ВЯ-1609574
Седло диафрагмы редуктора
В узле: 1
300165-П
Седло
В узле: 1
127-3514238
Пружина клапана
В узле: 1
4331-1609565
Пружина распорная уплотнения поршня
В узле: 1
4331-1609573
Пружина диафрагмы редуктора
В узле: 1
133ВЯ-1609601
Пружина пневматического поршня
В узле: 1
130-3514236
Прокладка седла выпускного клапана
В узле: 2
127-3514237-А
Прокладка регулировочная седла клапана
В узле: 4
130-3514232
Седло впускного клапана
В узле: 1
4331-1609534
Поршень с корпусом в сборе
В узле: 1
4331-1609536
Поршень в сборе
В узле: 1
4331-1609537
Поршень
В узле: 1
4331-1609593
Поршень пневматический
В узле: 1
133ВЯ-1609553
Поршень выключения сцепления
В узле: 1
4331-1609509
Пневмогидравлический усилитель привода управления сцеплением в сборе
В узле: 1
4331-1609510
Пневмогидравлический усилитель привода управления сцеплением в сборе
В узле: 1
864146
Манжета 13х38
В узле: 1
130-3514175
Уплотнитель перепускного отверстия
В узле: 1
306252
Шарик
В узле: 1
252135-П2
Шайба пружинная
В узле: 11
130-3514285
Шайба клапана малая
В узле: 2
130-3514213
Шайба клапана большая
В узле: 2
862528
Шайба
В узле: 1
4331-1609579
Шайба
В узле: 1
4331-1609572
Шайба
В узле: 1
5320-1609569
Чехол защитный заднего корпуса
В узле: 1
5320-1609597
Манжета пневматического поршня ПГУ
В узле: 1
133ВЯ-1609556
Уплотнение поршня выключения сцепления в сборе
В узле: 1
130-3514243
Трубка стержня клапана редуктора
В узле: 1
4331-1609566-10
Толкатель поршня пневмогидравлического усилителя в сборе
В узле: 1
4331-1609566
Толкатель поршня в сборе
В узле: 1
4331-1609567-10
Толкатель поршня
В узле: 1
4331-1609567
Толкатель поршня
В узле: 1
130-3514240-В
Стержень клапана
В узле: 1
4331-1609568
Гайка сферическая
В узле: 1
306397
Кольцо
В узле: 1
306396
Кольцо
В узле: 1
5320-3401377
Колпачок перепускного клапана ПГУ
В узле: 1
130-3514210-А2
Клапан в сборе
В узле: 1
133ВЯ-1609021
Клапан перепускной заднего корпуса
В узле: 1
133ВЯ-1609521
Жиклер пневмогидравлического усилителя
В узле: 1
4331-1609570
Диафрагма редуктора в сборе
В узле: 1
5320-1609571
Диафрагма редуктора ПГУ
В узле: 2
307970-П
Кольцо стопорное
В узле: 1
250515-П29
Гайка
В узле: 1
303108-01
Гайка
В узле: 1
5320-1609563
Втулка распорная уплотнения поршня выключения сцепления
В узле: 1
133ВЯ-1609555
Втулка распорная манжеты поршня выключения сцепления
В узле: 1
220077-П29
Винт
В узле: 2
164-3519060-01
Вилка толкателя
В узле: 1
201458-П29
Болт
В узле: 4
200273-П29
Болт
В узле: 5
4331-1609543
Корпус
В узле: 1
4331-1609539
Манжета следящего поршня
В узле: 1
4331-1609554
Манжета 13,4х28 поршня выключения сцепления ПГУ с IV кв. 1990 г.
В узле: 1
133ВЯ-1609611
Крышка подвода воздуха
В узле: 1
130-3514176
Крышка выпускного отверстия
В узле: 1
4331-1609512
Корпус пневмогидроусилителя передний в сборе
В узле: 1
4331-1609516
Корпус пневмогидроусилителя задний в сборе
В узле: 1
133ВЯ-1609559
Корпус уплотнения поршня выключения сцепления
В узле: 1
4331-1609517
Корпус
В узле: 1
201462-П29
Болт
В узле: 2
130-3514211-10
Конус клапана
В узле: 2
862813
Кольцо упорное
В узле: 1
307710-П
Кольцо упорное
В узле: 1
864236
Кольцо уплотнительное
В узле: 1
864235
Кольцо уплотнительное
В узле: 1
864224
Кольцо уплотнительное
В узле: 1
4331-1609595
Кольцо направляющее
В узле: 2
Содержащиеся в справочниках-каталогах запасные части и детали не предлагаются к продаже, а носят исключительно информационный характер

Ваша заявка была отправлена. В ближайшее время наши специалисты с Вами свяжутся по указанному Вами телефону.

Представьтесь
Поле обязательно для заполнения
Ваш телефон
Введите правильный номер телефона
E-mail
Введите правильный e-mail
Тема
Тема
применяемость финансирование доставка цена, наличие другое сервис и гарантия
Время для звонка
08:00
08:00 09:00 10:00 11:00 12:00 13:00 14:00 15:00 16:00 17:00 18:00 19:00
19:00
08:00 09:00 10:00 11:00 12:00 13:00 14:00 15:00 16:00 17:00 18:00 19:00

Мы постараемся перезвонить в указанное время

Если вы не хотите ждать, то звоните нашим вежливым консультантам:

8 800 100-2-700
Подтвердите, что вы не робот
Подтвердите, что вы не робот
Спасибо!

Ваше сообщение успешно отправлено!

ЗакрытьПовторить попытку