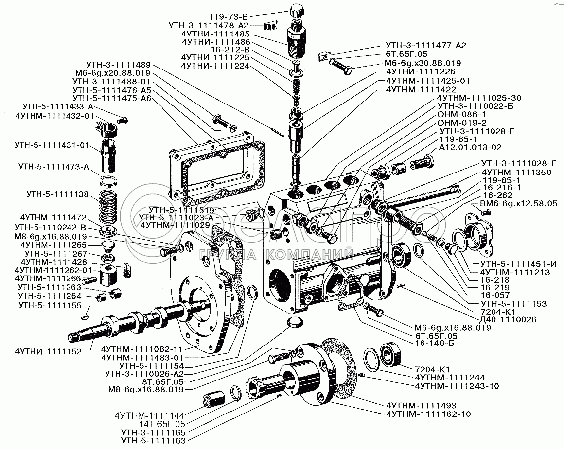
Каталог запасных частей к технике: ЗИЛ-5301 (2006). Топливный насос высокого давления 4УТНИ-1111010

zoom-in zoom-out enlarge shrink circle-right circle-left file-text2 info cart arraw right arraw left zoom out zoom in arraw maximize arraw minimize
4УТНМ-1111483-01
4УТНИ-1111226
УТН-5-1111263
4УТНМ-1111350
4УТНИ-1111225
4УТНМ-1111243-10
УГН-5-1111138
16-057
УТН-5-1111154
ОНМ-086-1
УТН-5-1111451-И
4УТНМ-1111493
4УТНМ-1111213
УТН-5-1111476-А5
16-148-Б
16-212-В
16-219
УТН-3-1111026-А2
УГН-5-1111023-А
16-218
6Т.65Г.05
6Т.65Г.05
4УТНИ-1111485
УТН-3-1111489
Д40-1110026
УТН-5-1111155
16-262
УТН-3-1111488-01
УТН-5-1110242-В
УТН-5-1111153
8Т.65Г.05
7204-К1
7204-К1
14Т.65Г.05
УТН-3-1111028-Г
УТН-3-1111028-Г
УТН-3-1110022-Б
4УТНМ-1111162-10
4УТНМ-1111426
4УТНМ-1111472
УТН-5-1111473-А
ВМ6-6gх12.58.05
4УТНМ-1111144
4УТНИ-1111486
4УТНМ-1111425-01
4УТНМ-1111029
УТН-5-1111431-01
УТН-5-1111264
УТН-3-1111165
119-85-1
119-85-1
УТН-5-1111433-А
УТН-5-1111163
4УТНМ-1111432-01
4УТНИ-1111152
ОНМ-019-2
4УТНМ-1111265
М8-6gх16.88.019
М8-6gх16.88.019
М8-6gх16.88.019
М6-6gх30.88.019
М6-6gх20.88.019
4УТНМ-1111025-30
4УТНМ-1111422
4УТНМ-1111082-11
4УТНМ-1111244
4УТНМ-1111266
4УТНИ-1111010
УТН-5-1111475-А6
4УТНМ-1111262-01
А12.01.013-02
16-216-1
УТН-5-1111267
УГН-5-1111519
119-73-В
4УТНИ-1111224
УТН-3-1111478-А2
УТН-3-1111477-А2
4УТНИ-1111220
Клапан нагнетательный в сборе
В узле: 4
4УТНИ-1111220 Клапан МТЗ, ЗИЛ нагнетательный в сборе (клапанная пара), РФ <10 шт. 565.03 р.
4УТНИ-1111485
Штуцер
В узле: 4
4УТНИ-1111485 Штуцер нажимной ЗИЛ, РФ <10 шт. 682.36 р.
4УТНМ-1111483-01
Прокладка
В узле: 1
4УТНИ-1111226
Седло
В узле: 4
УТН-5-1111263
Ролик
В узле: 4
4УТНМ-1111350
Рейка
В узле: 1
4УТНИ-1111225
Пружина
В узле: 4
4УТНМ-1111243-10
Пружина
В узле: 6
УГН-5-1111138
Пружина
В узле: 4
16-057
Пружина клапана
В узле: 1
УТН-5-1111154
Прокладка регулировочная
В узле: 1
ОНМ-086-1
Прокладка
В узле: ---
УТН-5-1111451-И
Стакан
В узле: 1
4УТНМ-1111493
Прокладка
В узле: 1
4УТНМ-1111213
Прокладка
В узле: 1
УТН-5-1111476-А5
Прокладка
В узле: 1
16-148-Б
Прокладка
В узле: 1
16-212-В
Прокладка
В узле: 4
16-219
Прокладка
В узле: 1
УТН-3-1111026-А2
Пробка
В узле: 4
УГН-5-1111023-А
Пробка
В узле: 4
16-218
Пробка
В узле: 1
6Т.65Г.05
Шайба
В узле: 5
УТН-3-1111489
Штифт
В узле: 4
Д40-1110026
Штифт
В узле: 1
УТН-5-1111155
Шпонка
В узле: 1
16-262
Шарик
В узле: 1
УТН-3-1111488-01
Шайба
В узле: 6
УТН-5-1110242-В
Шайба
В узле: 2
УТН-5-1111153
Шайба
В узле: 1
8Т.65Г.05
Шайба
В узле: 4
7204-К1
Подшипник
В узле: 2
14Т.65Г.05
Шайба
В узле: 1
УТН-3-1111028-Г
Футорка
В узле: 2
УТН-3-1110022-Б
Футорка
В узле: 1
4УТНМ-1111162-10
Фланец
В узле: 1
4УТНМ-1111426
Фиксатор
В узле: 2
4УГНМ-1111090-01
Толкатель в сборе
В узле: 4
4УТНМ-1111472
Тарелка
В узле: 4
УТН-5-1111473-А
Тарелка
В узле: 4
ВМ6-6gх12.58.05
Винт
В узле: 4
4УТНМ-1111144
Гайка
В узле: 1
4УТНИ-1111486
Вытеснитель
В узле: 4
4УТНМ-1111425-01
Втулка
В узле: 4
4УТНМ-1111029
Втулка
В узле: 2
УТН-5-1111431-01
Втулка
В узле: 4
УТН-5-1111264
Втулка
В узле: 4
УТН-3-1111165
Втулка
В узле: 1
119-85-1
Втулка защитная
В узле: 2
УТН-5-1111433-А
Винт
В узле: 4
УТН-5-1111163
Заглушка
В узле: 1
4УТНМ-1111432-01
Венец
В узле: 4
4УТНИ-1111152
Вал кулачковый
В узле: 1
ОНМ-019-2
Болт
В узле: ---
4УТНМ-1111265
Болт
В узле: 4
М8-6gх16.88.019
Болт
В узле: 2
М8-6gх30.88.05
Болт
В узле: 4
М6-6gх30.88.019
Болт
В узле: 2
М6-6gх20.88.019
Болт
В узле: 9
4УТНМ-1111025-30
Корпус насоса
В узле: 1
4УТНМ-1111410-01
Плунжерная пара в сборе
В узле: 4
4УТНМ-1111422
Плунжер
В узле: 4
4УТНМ-1111082-11
Плита
В узле: 1
4УТНМ-1111244
Пластина
В узле: 2
4УТНМ-1111266
Ось
В узле: 4
4УТНИ-Т-1111005-50
Насос топливный высокого давления с регулятором в сборе
В узле: 1
4УТНИ-1111010
Насос топливный в сборе
В узле: 1
УТН-5-1111475-А6
Крышка
В узле: 1
4УТНМ-1111262-01
Корпус толкателя
В узле: 4
А12.01.013-02
Болт поворотного угольника
В узле: 1
16-216-1
Корпус клапана
В узле: 1
УТН-5-1111267
Контргайка
В узле: 4
УГН-5-1111519
Кольцо
В узле: 4
119-73-В
Колпачок
В узле: 4
4УТНИ-1111224
Клапан
В узле: 4
УТН-3-1111478-А2
Зажим
В узле: 2
УТН-3-1111477-А2
Зажим
В узле: 2
Содержащиеся в справочниках-каталогах запасные части и детали не предлагаются к продаже, а носят исключительно информационный характер

Ваша заявка была отправлена. В ближайшее время наши специалисты с Вами свяжутся по указанному Вами телефону.

Представьтесь
Поле обязательно для заполнения
Ваш телефон
Введите правильный номер телефона
E-mail
Введите правильный e-mail
Тема
Тема
применяемость финансирование доставка цена, наличие другое сервис и гарантия
Время для звонка
08:00
08:00 09:00 10:00 11:00 12:00 13:00 14:00 15:00 16:00 17:00 18:00 19:00
19:00
08:00 09:00 10:00 11:00 12:00 13:00 14:00 15:00 16:00 17:00 18:00 19:00

Мы постараемся перезвонить в указанное время

Если вы не хотите ждать, то звоните нашим вежливым консультантам:

8 800 100-2-700
Подтвердите, что вы не робот
Подтвердите, что вы не робот
Спасибо!

Ваше сообщение успешно отправлено!

ЗакрытьПовторить попытку