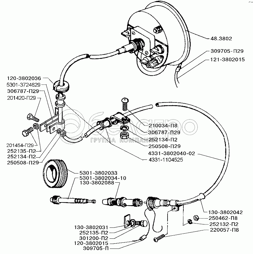
Каталог запасных частей к технике: ЗИЛ-5301 (2006). Установка гибкого вала привода спидометра

zoom-in zoom-out enlarge shrink circle-right circle-left file-text2 info cart arraw right arraw left zoom out zoom in arraw maximize arraw minimize
130-3802042
130-3802088
5301-3802034-10
252135-П2
252135-П2
252134-П2
252134-П2
252132-П2
5301-3802033
306787-П29
306787-П29
130-3802031
48.3802
121-3802015
120-3802015
120-3802015
309705-П29
309705-П29
201420-П29
5301-3724629
250508-П8
250508-П8
250462-П8
120-3802036
4331-1104525
220057-П8
4331-3802038-01
4331-3802040-02
210034-П8
301200-П2
201454-П29
130-3802042
Направляющая гибкого вала спидометра
В узле: 1
130-3802088
Штуцер ведомой шестерни привода спидометра
В узле: 1
5301-3802034-10
Шестерня ведомая привода спидометра в сборе
В узле: 1
252135-П2
Шайба пружинная
В узле: 2
252134-П2
Шайба пружинная
В узле: 2
252132-П2
Шайба пружинная
В узле: 1
5301-3802033
Червяк привода спидометра
В узле: 1
306787-П29
Хомут
В узле: 2
130-3802031
Стопор штуцера
В узле: 1
48.3802
Спидометр в сборе
В узле: 1
121-3802015
Проволока пломбы спидометра
В узле: 1
120-3802015
Проволока пломбы датчика спидометра
В узле: 1
309705-П29
Пломба
В узле: 2
201420-П29
Болт
В узле: 1
5301-3724629
Кронштейн крепления хомута
В узле: 1
250508-П8
Гайка
В узле: 2
250462-П8
Гайка
В узле: 1
120-3802036
Втулка гибкого вала спидометра проходная
В узле: 1
4331-1104525
Втулка защитная хомута крепления топливопровода
В узле: 2
220057-П8
Винт
В узле: 1
4331-3802038-01
Вал гибкий спидометра с направляющей в сборе
В узле: 1
4331-3802040-02
Вал гибкий спидометра
В узле: 1
210034-П8
Болт
В узле: 1
301200-П2
Болт
В узле: 1
201454-П29
Болт
В узле: 1
Содержащиеся в справочниках-каталогах запасные части и детали не предлагаются к продаже, а носят исключительно информационный характер

Ваша заявка была отправлена. В ближайшее время наши специалисты с Вами свяжутся по указанному Вами телефону.

Представьтесь
Поле обязательно для заполнения
Ваш телефон
Введите правильный номер телефона
E-mail
Введите правильный e-mail
Тема
Тема
применяемость финансирование доставка цена, наличие другое сервис и гарантия
Время для звонка
08:00
08:00 09:00 10:00 11:00 12:00 13:00 14:00 15:00 16:00 17:00 18:00 19:00
19:00
08:00 09:00 10:00 11:00 12:00 13:00 14:00 15:00 16:00 17:00 18:00 19:00

Мы постараемся перезвонить в указанное время

Если вы не хотите ждать, то звоните нашим вежливым консультантам:

8 800 100-2-700
Подтвердите, что вы не робот
Подтвердите, что вы не робот
Спасибо!

Ваше сообщение успешно отправлено!

ЗакрытьПовторить попытку