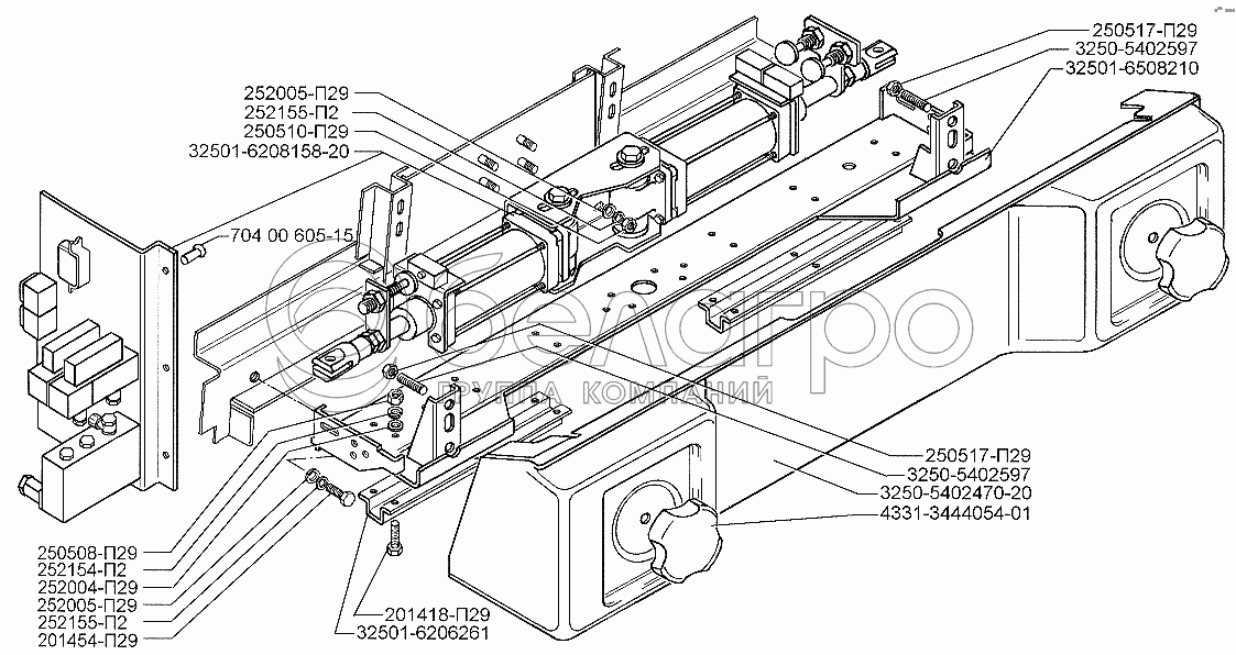
Каталог запасных частей к технике: ЗИЛ-5301 (2006). Установка привода двери

zoom-in zoom-out enlarge shrink circle-right circle-left file-text2 info cart arraw right arraw left zoom out zoom in arraw maximize arraw minimize
201454-П29
201418-П29
250510-П29
250517-П29
250517-П29
250508-П29
704 00 605-15
4331-3444054-01
32501-6206261
3250-5402470-20
32501-6508210
32501-6208158-20
252004-П29
252005-П29
252005-П29
252154-П2
252155-П2
252155-П2
3250-5402597
3250-5402597
201454-П29
Болт
В узле: 5
201418-П29
Болт
В узле: 12
250510-П29
Гайка
В узле: 4
250517-П29
Гайка
В узле: 2
250508-П29
Гайка
В узле: 12
704 00 605-15
Заклепка 4х13
В узле: 3
4331-3444054-01
Маховик колонки
В узле: 2
32501-6206261
Направляющая верхняя
В узле: 2
3250-5402470-20
Облицовка над дверью
В узле: 1
32501-6508210
Панель крепежная
В узле: 1
32501-6208158-20
Привод ППД 1Г-5
В узле: 1
252004-П29
Шайба
В узле: 12
252005-П29
Шайба
В узле: 9
252154-П2
Шайба пружинная
В узле: 12
252155-П2
Шайба пружинная
В узле: 9
3250-5402597
Шпилька маховика
В узле: 2
Содержащиеся в справочниках-каталогах запасные части и детали не предлагаются к продаже, а носят исключительно информационный характер

Ваша заявка была отправлена. В ближайшее время наши специалисты с Вами свяжутся по указанному Вами телефону.

Представьтесь
Поле обязательно для заполнения
Ваш телефон
Введите правильный номер телефона
E-mail
Введите правильный e-mail
Тема
Тема
применяемость финансирование доставка цена, наличие другое сервис и гарантия
Время для звонка
08:00
08:00 09:00 10:00 11:00 12:00 13:00 14:00 15:00 16:00 17:00 18:00 19:00
19:00
08:00 09:00 10:00 11:00 12:00 13:00 14:00 15:00 16:00 17:00 18:00 19:00

Мы постараемся перезвонить в указанное время

Если вы не хотите ждать, то звоните нашим вежливым консультантам:

8 800 100-2-700
Подтвердите, что вы не робот
Подтвердите, что вы не робот
Спасибо!

Ваше сообщение успешно отправлено!

ЗакрытьПовторить попытку