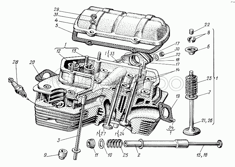
Каталог запасных частей к технике: ХТЗ Т-012. Головка цилиндров

zoom-in zoom-out enlarge shrink circle-right circle-left file-text2 info cart arraw right arraw left zoom out zoom in arraw maximize arraw minimize
1
1
1
1
1
1
2
3
4
5
6
7
8
9
10
11
12
13
14
15
16
17
17
18
19
20
21
22
23
24
25
26
27
28
29
30
31
32
33
34
1
СК-12-1021000
Головка цилиндров
В узле: 1
2
УД15-1021040
Кожух штанги
В узле: 4
3
УД15-1021046-01
Трубка маслосливная
В узле: 1
4
УД25-1021001
Крышка
В узле: 1
5
УД25-1021003
Прокладка
В узле: 1
6
УД15-1021008
Тарелка пружины
В узле: 4
7
УД15-1021009
Шайба
В узле: 4
8
УД15-1021011
Сухарь клапана
В узле: 8
9
УД15-1021033
Уплотнитель
В узле: 1
10
УД15-1021043
Шайба
В узле: 4
11
УД15-1021045
Прокладка
В узле: 4
12
УД15-1010018
Шпилька
В узле: 4
13
УД15-1010023
Шпилька
В узле: 2
14
УД15-1022002
Втулка
В узле: 4
15
УД15-1023030
Штанга
В узле: 3
16
УД15-1023040
Штанга открытая
В узле: 1
17
УД15-1050006
Прокладка
В узле: 2
18
УД15-1050007
Отражатель
В узле: 1
19
УД15-1062041
Прокладка
В узле: 4
20
254-1080003
Шпилька
В узле: 2
21
965-1007015-В6
Клапан выпускной
В узле: 2
22
965-1007017
Наконечник
В узле: 2
23
965-1007020Б
Пружина
В узле: 4
24
965-1007080А
Седло выпускного клапана
В узле: 2
25
965-1007208
Пружина
В узле: 4
26
966А-1007010
Клапан впускной
В узле: 2
27
966А-1007082
Седло впускного клапана
В узле: 2
28
А10Н
Свеча зажигания
В узле: 2
29
М6.5915
Гайка
В узле: 4
30
М8.5915
Гайка
В узле: 2
31
6.04.11371
Шайба
В узле: 4
32
8.04.11371
Шайба
В узле: 2
33
8х20.22038
Шпилька
В узле: 2
34
8х25.22038
Шпилька
В узле: 2
Содержащиеся в справочниках-каталогах запасные части и детали не предлагаются к продаже, а носят исключительно информационный характер

Ваша заявка была отправлена. В ближайшее время наши специалисты с Вами свяжутся по указанному Вами телефону.

Представьтесь
Поле обязательно для заполнения
Ваш телефон
Введите правильный номер телефона
E-mail
Введите правильный e-mail
Тема
Тема
применяемость финансирование доставка цена, наличие другое сервис и гарантия
Время для звонка
08:00
08:00 09:00 10:00 11:00 12:00 13:00 14:00 15:00 16:00 17:00 18:00 19:00
19:00
08:00 09:00 10:00 11:00 12:00 13:00 14:00 15:00 16:00 17:00 18:00 19:00

Мы постараемся перезвонить в указанное время

Если вы не хотите ждать, то звоните нашим вежливым консультантам:

8 800 100-2-700
Подтвердите, что вы не робот
Подтвердите, что вы не робот
Спасибо!

Ваше сообщение успешно отправлено!

ЗакрытьПовторить попытку