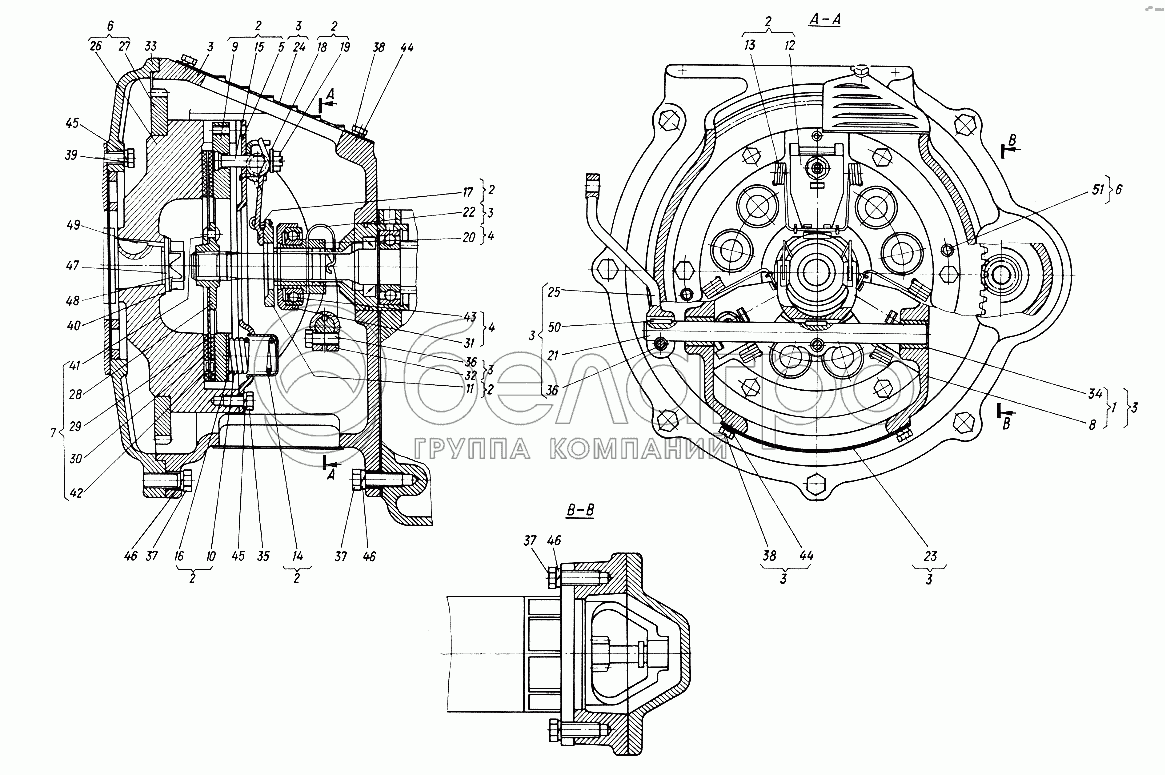
Каталог запасных частей к технике: ХТЗ Т-012. Муфта сцепления

zoom-in zoom-out enlarge shrink circle-right circle-left file-text2 info cart arraw right arraw left zoom out zoom in arraw maximize arraw minimize
010.21.001
1
2
2
2
2
2
2
2
3
3
3
3
3
3
3
3
4
4
5
6
6
7
8
9
10
11
12
13
14
15
16
17
18
19
20
21
22
23
24
25
26
27
28
29
30
31
32
33
34
35
36
36
37
37
37
38
38
39
40
41
42
43
44
44
45
45
46
46
46
47
48
49
50
51
010.21.001
Муфта сцепления
В узле: ---
1
010.21.011
Корпус муфты
В узле: 1
2
010.21.012
Кожух муфты
В узле: 1
3
010.21.013
Корпус муфты
В узле: 1
4
010.21.015
Корпус выключения
В узле: 1
5
010.21.017
Кожух
В узле: 1
6
010.21.019
Маховик
В узле: 1
7
08.21.014
Диск ведомый
В узле: 1
8
010.21.101
Корпус муфты
В узле: 1
9
010.21.104
Диск нажимной
В узле: 1
10
010.21.105
Пружина
В узле: 6
11
010.21.106
Кольцо упорное
В узле: 1
12
010.21.107
Рычаг
В узле: 3
13
010.21.108
Пружина
В узле: 3
14
010.21.109
Стакан
В узле: 6
15
010.21.110
Тяга
В узле: 3
16
010.21.111
Прокладка
В узле: 6
17
010.21.112
Клипса
В узле: 3
18
010.21.113
Шайба
В узле: 3
19
010.21.114
Гайка
В узле: 3
20
010.21.120
Корпус подшипника
В узле: 1
21
010.21.124
Валик
В узле: 1
22
010.71.125
Зажим
В узле: 1
23
010.21.126
Крышка
В узле: 1
24
010:21.127
Крышка
В узле: 1
25
010.21.128
Рычаг
В узле: 1
26
010.21.130
Маховик
В узле: 1
27
010.21.132
Венец
В узле: 1
28
08.21.115
Ступица
В узле: 1
29
08.21.116
Диск ведомый
В узле: 1
30
08.21.117
Накладка
В узле: 2
31
08.21.121
Обойма
В узле: 1
32
08.21.123
Вилка
В узле: 1
33
08.21.131
Картер маховика
В узле: 1
34
125.20.112
Втулка
В узле: 2
35
М8х16.7796
Болт
В узле: 6
36
М8х20.7796
Болт
В узле: 2
37
М10х30.7796
Болт
В узле: 14
38
М6х12.7798
Болт
В узле: 4
39
М8.5915
Гайка
В узле: 6
40
М20х1,5.5929
Гайка
В узле: 1
41
5х12.10299
Заклепка
В узле: 5
42
2-4х8.12642
Заклепка
В узле: 12
43
80106.7242
Подшипник
В узле: 1
44
6.65Г.6402
Шайба
В узле: 4
45
8.65Г.6402
Шайба
В узле: 12
46
10.65Г.6402
Шайба
В узле: 14
47
20.04.11371
Шайба
В узле: 1
48
20.04.13463
Шайба
В узле: 1
49
6х9.24071
Шпонка сегментная
В узле: 1
50
2-4х4х16.23360
Шпонка
В узле: 2
51
8h9х16.3128
Шпонка (d=8, L= 16)
В узле: 2
Содержащиеся в справочниках-каталогах запасные части и детали не предлагаются к продаже, а носят исключительно информационный характер

Ваша заявка была отправлена. В ближайшее время наши специалисты с Вами свяжутся по указанному Вами телефону.

Представьтесь
Поле обязательно для заполнения
Ваш телефон
Введите правильный номер телефона
E-mail
Введите правильный e-mail
Тема
Тема
применяемость финансирование доставка цена, наличие другое сервис и гарантия
Время для звонка
08:00
08:00 09:00 10:00 11:00 12:00 13:00 14:00 15:00 16:00 17:00 18:00 19:00
19:00
08:00 09:00 10:00 11:00 12:00 13:00 14:00 15:00 16:00 17:00 18:00 19:00

Мы постараемся перезвонить в указанное время

Если вы не хотите ждать, то звоните нашим вежливым консультантам:

8 800 100-2-700
Подтвердите, что вы не робот
Подтвердите, что вы не робот
Спасибо!

Ваше сообщение успешно отправлено!

ЗакрытьПовторить попытку