Каталог запасных частей к технике: ХТЗ Т-150. Бак и фильтр

zoom-in zoom-out enlarge shrink circle-right circle-left file-text2 info cart arraw right arraw left zoom out zoom in arraw maximize arraw minimize
1
1
2
7
8
11
13
14
15
16
20
23
25
30
31
32
33
35
36
37
37
38
39
41
42
43
46
47
47
48
52
52
53
55
55
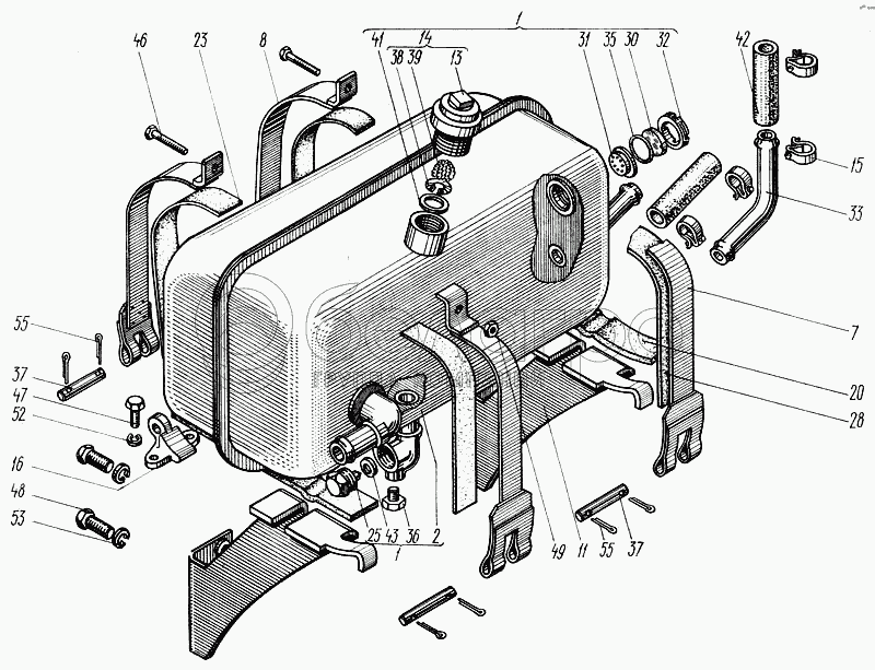
150.57.001-2
Бак и фильтр
В узле: 1
1
150.57.011-2
Бак гидросистемы
В узле: 1
2
150.57.012-2
Бак
В узле: 1
7
150.57.019
Лента левая
В узле: 2
8
150.57.020
Лента правая
В узле: 2
11
150.57.045
Кронштейн
В узле: 2
13
74.57.053-1
Корпус сапуна
В узле: 1
14
74.57.055А
Сапун
В узле: 1
15
хСВ-35Ц15Хр
Хомутик стяжной винтовой
В узле: 4
16
150.57.105
Кронштейн
В узле: 2
20
150.57.129
Прокладка
В узле: 2
23
150.57.167
Прокладка
В узле: 4
25
150.57.170-2
Пробка спускная
В узле: 1
30
150.57.181-1
Стекло смотровое
В узле: 1
31
150.57.182-1
Экран
В узле: 1
32
150.57.183
Гайка
В узле: 1
33
150.57.185-1
Труба
В узле: 1
35
150.57.196-1
Кольцо
В узле: 1
36
150.57.206
Пробка
В узле: 1
37
54.13.449
Палец
В узле: 4
38
74.57.426-2
Заглушка
В узле: 1
39
74.57.434-1
Набивка
В узле: 1
41
74.57.448
Прокладка
В узле: 1
42
75.54.142
Шланг
В узле: 2
43
80.16.107
Прокладка
В узле: 1
46
150.57.140
Болт М10-6gх55.66.019 ГОСТ 7795-70
В узле: 2
47
Болт М10-6gх25.88.35.019 ГОСТ 7796-70
Болт М10-6gх25.88.35.019 ГОСТ 7796-70
В узле: 4
47
Болт М10-6gх25.88.35.019 ГОСТ 7796-70
Болт М10-6gх25.88.35.019 ГОСТ 7796-70
В узле: 4
48
Болт М16-6gх35.88.35.019 ГОСТ 7796-70
Болт М16-6gх35.88.35.019 ГОСТ 7796-70
В узле: 4
52
Шайба 10 65Г 05 ГОСТ 6402-70
Шайба 10 65Г 05 ГОСТ 6402-70
В узле: 7
52
Шайба 10 65Г 05 ГОСТ 6402-70
Шайба 10 65Г 05 ГОСТ 6402-70
В узле: 4
53
Шайба 16 65Г 05 ГОСТ 6402-70
Шайба 16 65Г 05 ГОСТ 6402-70
В узле: 4
55
Шплинт 3,2х20.001 ГОСТ 379-79
Шплинт 3,2х20.001 ГОСТ 379-79
В узле: 8
118
151М.56.202
Кольцо СП-60-47-8 ГОСТ 6308-71
В узле: 2
Содержащиеся в справочниках-каталогах запасные части и детали не предлагаются к продаже, а носят исключительно информационный характер

Ваша заявка была отправлена. В ближайшее время наши специалисты с Вами свяжутся по указанному Вами телефону.

Представьтесь
Поле обязательно для заполнения
Ваш телефон
Введите правильный номер телефона
E-mail
Введите правильный e-mail
Тема
Тема
применяемость финансирование доставка цена, наличие другое сервис и гарантия
Время для звонка
08:00
08:00 09:00 10:00 11:00 12:00 13:00 14:00 15:00 16:00 17:00 18:00 19:00
19:00
08:00 09:00 10:00 11:00 12:00 13:00 14:00 15:00 16:00 17:00 18:00 19:00

Мы постараемся перезвонить в указанное время

Если вы не хотите ждать, то звоните нашим вежливым консультантам:

8 800 100-2-700
Подтвердите, что вы не робот
Подтвердите, что вы не робот
Спасибо!

Ваше сообщение успешно отправлено!

ЗакрытьПовторить попытку