Каталог запасных частей к технике: ХТЗ Т-150. Блок-картер

zoom-in zoom-out enlarge shrink circle-right circle-left file-text2 info cart arraw right arraw left zoom out zoom in arraw maximize arraw minimize
1
1
1
2
2
2
2
3
4
5
6
7
8
9
10
11
12
12
13
14
15
16
17
18
19
20
21
22
23
24
25
25
26
27
28
29
29
30
30
31
32
32
32
33
34
34
34
35
36
37
38
39
40
41
42
42
43
44
45
45
46
47
48
48
48
49
50
51
51
52
53
54
54
55
56
57
58
58
58
58
58
59
59
59
59
59
60
60
61
62
63
64
65
65
66
67
68
69
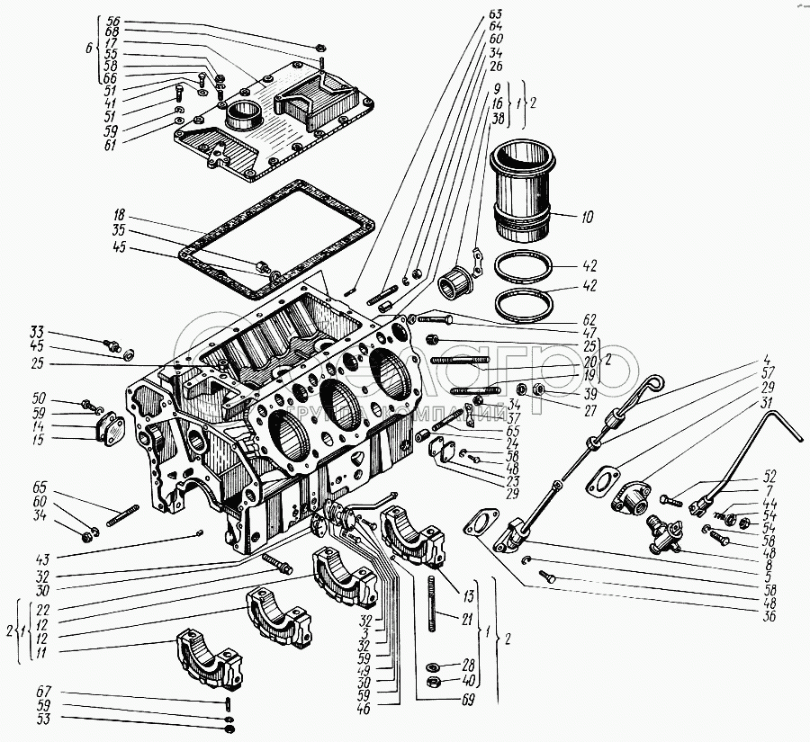
18
60-01113.01
Прокладка крышки
В узле: 1
60-01113.01 Прокладка клапанной крышки СМД-60 <10 шт. 39.02 р.
0-01013.00
Блок-картер
В узле: 1
1
60-01002.21
Блок-картер
В узле: 1
2
60-01003.02
Блок картер
В узле: ---
3
60-01006.50
Фланец
В узле: 1
4
60-01007.12
Стержень масло измерителя
В узле: 1
5
60-01008.20
Трубка маслоизмерителя
В узле: 1
6
60-01011.10
Крышка ресивера
В узле: 1
7
60-01012.00
Рукоятка краника
В узле: 2
8
01-176000
Кран 01-176
В узле: 2
9
72-01101.02
Блок-картер
В узле: 1
10
60-01102.10
Гильза цилиндра
В узле: 6
11
60-01104.01
Крышка подшипника передняя
В узле: 1
12
60-01105.01
Крышка подшипника средняя
В узле: 2
13
60-01106.01
Крышка подшипника задняя
В узле: 1
14
60-01107.00
Заглушка
В узле: 1
15
60-01108.00
Прокладка
В узле: 1
16
60-01109.00
Подшипник распределительного вала
В узле: 1
17
60-01112.11
Крышка ресивера
В узле: 1
19
60-01115.00
Шпилька крепления головки
В узле: 12
20
60-01115.00-01
Шпилька
В узле: 20
21
60-01117.00
Шпилька подшипника
В узле: 8
22
60-01120.00
Болт специальный
В узле: 8
23
60-01123.00
Фланец
В узле: 2
24
60-01129.10
Втулка направляющая
В узле: 1
25
60-01133.00
Втулка установочная
В узле: 5
26
60-01135.10
Втулка
В узле: 1
27
60-01150.00
Шайба
В узле: 32
28
60-01168.00
Шайба специальная
В узле: 8
29
60-01175.00
Прокладка фланца
В узле: 4
30
60-01195.10
Фланец
В узле: 2
31
60-01197.10
Фланец сливного краника
В узле: 2
32
60-01206.10
Прокладка фланца
В узле: 3
33
60-01216.11
Ниппель конечный
В узле: 1
34
60-01221.00
Гайка
В узле: 14
35
60-01237.01
Штуцер датчика
В узле: 1
36
60-01240.00
Прокладка
В узле: 1
37
60-01245.00
Шайба замковая
В узле: 2
38
60-01246.00
Шайба замковая
В узле: 2
39
14-0163
Гайка
В узле: 32
40
СМД1-0118
Гайка подшипника
В узле: 8
41
СМД7-1591Д
Прокладка
В узле: 2
42
СМД9-0128А
Кольцо уплотняющее
В узле: 12
43
СМД55-0410
Штифт установочный
В узле: 2
44
СМД55-0652
Пружина рукоятки
В узле: 2
45
СМД55У-0927
Прокладка
В узле: 2
46
Болт М10-6gх45.56.016 ГОСТ 7795-70
Болт М10-6gх45.56.016 ГОСТ 7795-70
В узле: 2
47
Болт М12-6gх70.56.016 ГОСТ 7795-70
Болт М12-6gх70.56.016 ГОСТ 7795-70
В узле: 2
48
Болт М8-6gх20.56.016 ГОСТ 7796-70
Болт М8-6gх20.56.016 ГОСТ 7796-70
В узле: 10
49
Болт М10-6gх20.56.016 ГОСТ 7796-70
Болт М10-6gх20.56.016 ГОСТ 7796-70
В узле: 2
50
Болт М10-6gх25.56.016 ГОСТ 7796-70
Болт М10-6gх25.56.016 ГОСТ 7796-70
В узле: 2
51
Болт М10-6gх30.56.016 ГОСТ 7796-70
Болт М10-6gх30.56.016 ГОСТ 7796-70
В узле: 16
52
Болт М6-6gх35.56.09 ГОСТ 7798-70
Болт М6-6gх35.56.09 ГОСТ 7798-70
В узле: 2
53
Гайка М10-6Н.6.016 ГОСТ 2524-70
Гайка М10-6Н.6.016 ГОСТ 2524-70
В узле: 4
54
Гайка М6-6Н.6.016 ГОСТ 5915-70
Гайка М6-6Н.6.016 ГОСТ 5915-70
В узле: 4
55
Гайка М8-6Н.6.086 ГОСТ 15523-70
Гайка М8-6Н.6.086 ГОСТ 15523-70
В узле: 2
56
Гайка М10-6Н.6.086 ГОСТ 15523-70
Гайка М10-6Н.6.086 ГОСТ 15523-70
В узле: 4
57
Кольцо СП-22-6-8 ГОСТ 6308-71
Кольцо СП-22-6-8 ГОСТ 6308-71
В узле: 1
58
Шайба 8 65Г 05 ГОСТ 6402-70
Шайба 8 65Г 05 ГОСТ 6402-70
В узле: 2
59
Шайба 10 65Г 05 ГОСТ 6402-70
Шайба 10 65Г 05 ГОСТ 6402-70
В узле: 24
60
Шайба 14 65Г 05 ГОСТ 6402-70
Шайба 14 65Г 05 ГОСТ 6402-70
В узле: 6
61
Шайба 10х1.5.04.05 ГОСТ 10450-78
Шайба 10х1.5.04.05 ГОСТ 10450-78
В узле: 14
62
Шайба 12х2.04.05 ГОСТ 11371-78
Шайба 12х2.04.05 ГОСТ 11371-78
В узле: 2
63
Шпилька М8(То/6g)х20.56.016 ГОСТ 22034-76
Шпилька М8(То/6g)х20.56.016 ГОСТ 22034-76
В узле: 2
64
Шпилька М14(То/6g)х90.109.40х.011 ГОСТ 22034-76
Шпилька М14(То/6g)х90.109.40х.011 ГОСТ 22034-76
В узле: 11
65
Шпилька М14(То/6g)х105.109.40х.011 ГОСТ 22034-76
Шпилька М14(То/6g)х105.109.40х.011 ГОСТ 22034-76
В узле: 3
66
Шпилька М8(То/6g)х20.56.016 ГОСТ 22036-76
Шпилька М8(То/6g)х20.56.016 ГОСТ 22036-76
В узле: 2
67
Шпилька М10(То/6g)х25.109.40х.05 ГОСТ 22036-76
Шпилька М10(То/6g)х25.109.40х.05 ГОСТ 22036-76
В узле: 4
68
Шпилька М10(То/6g)х28.56.016 ГОСТ 22036-76
Шпилька М10(То/6g)х28.56.016 ГОСТ 22036-76
В узле: 4
69
Штифт 5h 8х10 ГОСТ 3128-70
Штифт 5h 8х10 ГОСТ 3128-70
В узле: 4
Содержащиеся в справочниках-каталогах запасные части и детали не предлагаются к продаже, а носят исключительно информационный характер

Ваша заявка была отправлена. В ближайшее время наши специалисты с Вами свяжутся по указанному Вами телефону.

Представьтесь
Поле обязательно для заполнения
Ваш телефон
Введите правильный номер телефона
E-mail
Введите правильный e-mail
Тема
Тема
применяемость финансирование доставка цена, наличие другое сервис и гарантия
Время для звонка
08:00
08:00 09:00 10:00 11:00 12:00 13:00 14:00 15:00 16:00 17:00 18:00 19:00
19:00
08:00 09:00 10:00 11:00 12:00 13:00 14:00 15:00 16:00 17:00 18:00 19:00

Мы постараемся перезвонить в указанное время

Если вы не хотите ждать, то звоните нашим вежливым консультантам:

8 800 100-2-700
Подтвердите, что вы не робот
Подтвердите, что вы не робот
Спасибо!

Ваше сообщение успешно отправлено!

ЗакрытьПовторить попытку