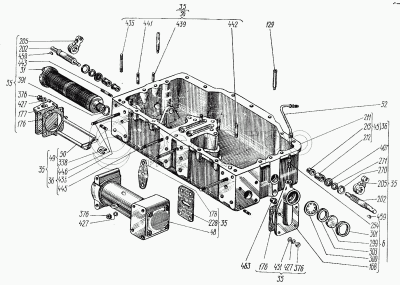
Каталог запасных частей к технике: ХТЗ Т-150. Коробка передач

zoom-in zoom-out enlarge shrink circle-right circle-left file-text2 info cart arraw right arraw left zoom out zoom in arraw maximize arraw minimize
6
31
35
35
35
35
35
35
36
36
36
45
48
49
50
52
129
168
176
176
176
177
178
202
202
205
205
211
212
213
228
254
270
270
270
271
271
271
299
300
301
303
338
376
376
376
376
391
391
391
407
412
427
427
427
427
427
427
427
427
427
427
427
427
427
431
431
431
431
439
439
439
439
441
441
441
441
443
445
446
459
459
459
459
463
Шайба 10.65Г.05 ГОСТ 6402-70
Шайба 10.65Г.05 ГОСТ 6402-70
В узле: 4
150.37.001-3
Коробка передач с тормозами
В узле: 1
6
150.37.015-1
Крышка
В узле: 1
31
150.37.052-1
Заборник
В узле: 1
35
150.37.062-4
Гидропанель
В узле: 1
36
150.37.063-4
Гидропанель со втулками
В узле: 1
45
150.37.083
Гидропанель со втулками
В узле: 1
48
150.37.086-2
Фильтр
В узле: 2
49
150.37.094
Кронштейн с магнитом
В узле: 1
50
150.37.095
Кронштейн
В узле: 1
52
150.37.098-3
Трубка
В узле: 1
129
150.37.222-1
Штифт
В узле: 2
168
150.37.330-1
Крышка
В узле: 1
176
150.37.346-2
Прокладка заборника
В узле: 2
176
150.37.346-2
Прокладка заборника
В узле: 1
177
150.37.347-3
Крышка заборника
В узле: 1
178
150.37.348-1
Прокладка
В узле: 2
202
150.37.387-2
Валик управления
В узле: 2
205
150.37.390-3
Поводок
В узле: 2
211
150.37.408-4
Гидропанель
В узле: 1
212
150.37.410-1
Втулка
В узле: 2
213
150.37.411-1
Втулка
В узле: 2
228
150.37.488-1
Прокладка фильтра
В узле: 2
254
150.37.589
Штуцер
В узле: 1
270
8.12.129
Обойма кольца
В узле: 1
270
8.12.129
Обойма кольца
В узле: 1
270
8.12.129
Обойма кольца
В узле: 2
271
8.12.130
Кольцо войлочное
В узле: 1
271
8.12.130
Кольцо войлочное
В узле: 1
271
8.12.130
Кольцо войлочное
В узле: 2
299
150.57.181-1
Стекло смотровое
В узле: 1
300
150.57.182-1
Экран
В узле: 1
301
150.57.183
Гайка
В узле: 1
303
150.57.196-1
Кольцо
В узле: 1
338
ПММ-3-39
Магнит
В узле: 1
376
Гайка М10-6Н.8.0112 ГОСТ 5915-70
Гайка М10-6Н.8.0112 ГОСТ 5915-70
В узле: 20
376
Гайка М10-6Н.8.0112 ГОСТ 5915-70
Гайка М10-6Н.8.0112 ГОСТ 5915-70
В узле: 20
391
150.37.386
Кольцо У-32х0-2 ГОСТ 9833-61
В узле: 1
391
150.37.386
Кольцо У-32х0-2 ГОСТ 9833-61
В узле: 1
391
150.37.386
Кольцо У-32х0-2 ГОСТ 9833-61
В узле: 1
407
Манжета 1.2-16х30-1 ГОСТ 8752-79
Манжета 1.2-16х30-1 ГОСТ 8752-79
В узле: 2
412
Шпилька М10(То/6g)х45.66.019 ГОСТ 22036-76
Шпилька М10(То/6g)х45.66.019 ГОСТ 22036-76
В узле: 1
427
Шайба 10.65Г.05 ГОСТ 6402-70
Шайба 10.65Г.05 ГОСТ 6402-70
В узле: 3
427
Шайба 10.65Г.05 ГОСТ 6402-70
Шайба 10.65Г.05 ГОСТ 6402-70
В узле: 4
427
Шайба 10.65Г.05 ГОСТ 6402-70
Шайба 10.65Г.05 ГОСТ 6402-70
В узле: 20
427
Шайба 10.65Г.05 ГОСТ 6402-70
Шайба 10.65Г.05 ГОСТ 6402-70
В узле: 8
427
Шайба 10.65Г.05 ГОСТ 6402-70
Шайба 10.65Г.05 ГОСТ 6402-70
В узле: 40
427
Шайба 10.65Г.05 ГОСТ 6402-70
Шайба 10.65Г.05 ГОСТ 6402-70
В узле: 8
427
Шайба 10.65Г.05 ГОСТ 6402-70
Шайба 10.65Г.05 ГОСТ 6402-70
В узле: 14
427
Шайба 10.65Г.05 ГОСТ 6402-70
Шайба 10.65Г.05 ГОСТ 6402-70
В узле: 14
427
Шайба 10.65Г.05 ГОСТ 6402-70
Шайба 10.65Г.05 ГОСТ 6402-70
В узле: 4
427
Шайба 10.65Г.05 ГОСТ 6402-70
Шайба 10.65Г.05 ГОСТ 6402-70
В узле: 16
427
Шайба 10.65Г.05 ГОСТ 6402-70
Шайба 10.65Г.05 ГОСТ 6402-70
В узле: 28
428
Шайба 12.65Г.05 ГОСТ 6402-70
Шайба 12.65Г.05 ГОСТ 6402-70
В узле: 27
428
Шайба 12.65Г.05 ГОСТ 6402-70
Шайба 12.65Г.05 ГОСТ 6402-70
В узле: 5
428
Шайба 12.65Г.05 ГОСТ 6402-70
Шайба 12.65Г.05 ГОСТ 6402-70
В узле: 41
428
Шайба 12.65Г.05 ГОСТ 6402-70
Шайба 12.65Г.05 ГОСТ 6402-70
В узле: 1
431
Шайба 10.04.0115 ГОСТ 11371-78
Шайба 10.04.0115 ГОСТ 11371-78
В узле: 4
431
Шайба 10.04.0115 ГОСТ 11371-78
Шайба 10.04.0115 ГОСТ 11371-78
В узле: 26
431
Шайба 10.04.0115 ГОСТ 11371-78
Шайба 10.04.0115 ГОСТ 11371-78
В узле: 8
431
Шайба 10.04.0115 ГОСТ 11371-78
Шайба 10.04.0115 ГОСТ 11371-78
В узле: 4
439
Шпилька М10(То/6g)х25.66.019 ГОСТ 22036-76
Шпилька М10(То/6g)х25.66.019 ГОСТ 22036-76
В узле: 4
439
Шпилька М10(То/6g)х25.66.019 ГОСТ 22036-76
Шпилька М10(То/6g)х25.66.019 ГОСТ 22036-76
В узле: 4
439
Шпилька М10(То/6g)х25.66.019 ГОСТ 22036-76
Шпилька М10(То/6g)х25.66.019 ГОСТ 22036-76
В узле: 2
439
Шпилька М10(То/6g)х25.66.019 ГОСТ 22036-76
Шпилька М10(То/6g)х25.66.019 ГОСТ 22036-76
В узле: 8
441
Шпилька М10(То/6g)х35.66.019 ГОСТ 22036-76
Шпилька М10(То/6g)х35.66.019 ГОСТ 22036-76
В узле: 4
441
Шпилька М10(То/6g)х35.66.019 ГОСТ 22036-76
Шпилька М10(То/6g)х35.66.019 ГОСТ 22036-76
В узле: 2
441
Шпилька М10(То/6g)х35.66.019 ГОСТ 22036-76
Шпилька М10(То/6g)х35.66.019 ГОСТ 22036-76
В узле: 2
441
Шпилька М10(То/6g)х35.66.019 ГОСТ 22036-76
Шпилька М10(То/6g)х35.66.019 ГОСТ 22036-76
В узле: 2
443
Шпилька М10(То/6g)х50.66.019 ГОСТ 22036-76
Шпилька М10(То/6g)х50.66.019 ГОСТ 22036-76
В узле: 2
445
Шпилька М10(То/6g)х90.66.019 ГОСТ 22036-76
Шпилька М10(То/6g)х90.66.019 ГОСТ 22036-76
В узле: 4
446
Шпилька М10(То/6g)х110.88.35.019
Шпилька М10(То/6g)х110.88.35.019
В узле: ---
459
Шпонка 4х6,5 ГОСТ 24071-80
Шпонка 4х6,5 ГОСТ 24071-80
В узле: 1
459
Шпонка 4х6,5 ГОСТ 24071-80
Шпонка 4х6,5 ГОСТ 24071-80
В узле: 1
459
Шпонка 4х6,5 ГОСТ 24071-80
Шпонка 4х6,5 ГОСТ 24071-80
В узле: 2
463
Пробка КГ 3/8" 40 ОСТ 23.1.117-83
Пробка КГ 3/8" 40 ОСТ 23.1.117-83
В узле: 1
Содержащиеся в справочниках-каталогах запасные части и детали не предлагаются к продаже, а носят исключительно информационный характер

Ваша заявка была отправлена. В ближайшее время наши специалисты с Вами свяжутся по указанному Вами телефону.

Представьтесь
Поле обязательно для заполнения
Ваш телефон
Введите правильный номер телефона
E-mail
Введите правильный e-mail
Тема
Тема
применяемость финансирование доставка цена, наличие другое сервис и гарантия
Время для звонка
08:00
08:00 09:00 10:00 11:00 12:00 13:00 14:00 15:00 16:00 17:00 18:00 19:00
19:00
08:00 09:00 10:00 11:00 12:00 13:00 14:00 15:00 16:00 17:00 18:00 19:00

Мы постараемся перезвонить в указанное время

Если вы не хотите ждать, то звоните нашим вежливым консультантам:

8 800 100-2-700
Подтвердите, что вы не робот
Подтвердите, что вы не робот
Спасибо!

Ваше сообщение успешно отправлено!

ЗакрытьПовторить попытку