Каталог запасных частей к технике: ХТЗ Т-150. Насос гидросистемы

zoom-in zoom-out enlarge shrink circle-right circle-left file-text2 info cart arraw right arraw left zoom out zoom in arraw maximize arraw minimize
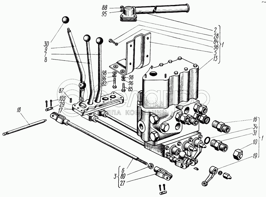
1
1
2
3
5
6
7
8
9
10
13
16
17
18
19
27
28
29
30
31
34
82
82
84
85
85
87
88
88
89
89
95
95
96
96
96
96
96
96
96
98
98
98
103
150.53.001-3
Насос гидросистемы
В узле: 1
1
150.53.012-1
Установка распределителя
В узле: 1
2
150.53.013-3
Патрубок распределителя
В узле: 1
3
150.53.020А
Тяга
В узле: 3
5
150.53.051А
Кронштейн распределителя
В узле: 1
6
150.53.052
Тяга
В узле: 1
7
150.53.054
Рычаг правый
В узле: 1
8
150.53.055
Рычаг средний
В узле: 1
9
150.53.056
Рычаг левый
В узле: 1
10
Н.036.12.040
Заглушка в сборе
В узле: 4
13
Р80-2/1-222-001-10
Распределитель
В узле: 1
16
150.53.101
Штуцер удлиненный
В узле: 2
17
150.53.118-1
Корте
В узле: 1
18
150.53.121-1
Ось
В узле: 1
19
150.53.125
Рычаг
В узле: 3
26
150.53.135
Втулка
В узле: 1
27
14.38.528А
Вилка тяги блокировки
В узле: 1
28
54.53.402А
Прокладка
В узле: 1
29
74.20.410
Палец
В узле: 6
30
А13.03.000А
Рукоятка
В узле: 3
31
Н.036.04.005
Штуцер
В узле: 4
34
НШ10-0101034
Кольцо уплотнительное
В узле: 6
82
Болт М10-6gх65.66.019 ГОСТ 7795-70
Болт М10-6gх65.66.019 ГОСТ 7795-70
В узле: 2
82
Болт М10-6gх65.66.019 ГОСТ 7795-70
Болт М10-6gх65.66.019 ГОСТ 7795-70
В узле: 4
84
Болт М10-6gх20.66.019 ГОСТ 7796-70
Болт М10-6gх20.66.019 ГОСТ 7796-70
В узле: 4
85
Болт М10-6gх25.66.019 ГОСТ 7796-70
Болт М10-6gх25.66.019 ГОСТ 7796-70
В узле: 4
85
Болт М10-6gх25.66.019 ГОСТ 7796-70
Болт М10-6gх25.66.019 ГОСТ 7796-70
В узле: 2
87
Винт М6-6gх8.66.019 ГОСТ 1477-75
Винт М6-6gх8.66.019 ГОСТ 1477-75
В узле: 1
88
Гайка М8-6Н.6.0112 ГОСТ 5915-70
Гайка М8-6Н.6.0112 ГОСТ 5915-70
В узле: 4
88
Гайка М8-6Н.6.0112 ГОСТ 5915-70
Гайка М8-6Н.6.0112 ГОСТ 5915-70
В узле: 3
89
Гайка М10.6.0112 ГОСТ 5915-70
Гайка М10.6.0112 ГОСТ 5915-70
В узле: 8
89
Гайка М10.6.0112 ГОСТ 5915-70
Гайка М10.6.0112 ГОСТ 5915-70
В узле: 1
95
Шайба 8 65Г 05 ГОСТ 6402-70
Шайба 8 65Г 05 ГОСТ 6402-70
В узле: 3
95
Шайба 8 65Г 05 ГОСТ 6402-70
Шайба 8 65Г 05 ГОСТ 6402-70
В узле: 25
96
Шайба 10 65Г 05 ГОСТ 6402-70
Шайба 10 65Г 05 ГОСТ 6402-70
В узле: 8
96
Шайба 10 65Г 05 ГОСТ 6402-70
Шайба 10 65Г 05 ГОСТ 6402-70
В узле: 4
96
Шайба 10 65Г 05 ГОСТ 6402-70
Шайба 10 65Г 05 ГОСТ 6402-70
В узле: 8
96
Шайба 10 65Г 05 ГОСТ 6402-70
Шайба 10 65Г 05 ГОСТ 6402-70
В узле: 2
96
Шайба 10 65Г 05 ГОСТ 6402-70
Шайба 10 65Г 05 ГОСТ 6402-70
В узле: 4
98
Шайба 10.04.0115 ГОСТ 11371-78
Шайба 10.04.0115 ГОСТ 11371-78
В узле: 8
98
Шайба 10.04.0115 ГОСТ 11371-78
Шайба 10.04.0115 ГОСТ 11371-78
В узле: 4
103
Шплинт 3,2х20.001 ГОСТ 397-79
Шплинт 3,2х20.001 ГОСТ 397-79
В узле: 12
Содержащиеся в справочниках-каталогах запасные части и детали не предлагаются к продаже, а носят исключительно информационный характер

Ваша заявка была отправлена. В ближайшее время наши специалисты с Вами свяжутся по указанному Вами телефону.

Представьтесь
Поле обязательно для заполнения
Ваш телефон
Введите правильный номер телефона
E-mail
Введите правильный e-mail
Тема
Тема
применяемость финансирование доставка цена, наличие другое сервис и гарантия
Время для звонка
08:00
08:00 09:00 10:00 11:00 12:00 13:00 14:00 15:00 16:00 17:00 18:00 19:00
19:00
08:00 09:00 10:00 11:00 12:00 13:00 14:00 15:00 16:00 17:00 18:00 19:00

Мы постараемся перезвонить в указанное время

Если вы не хотите ждать, то звоните нашим вежливым консультантам:

8 800 100-2-700
Подтвердите, что вы не робот
Подтвердите, что вы не робот
Спасибо!

Ваше сообщение успешно отправлено!

ЗакрытьПовторить попытку