Каталог запасных частей к технике: ХТЗ Т-150. Насос гидросистемы

zoom-in zoom-out enlarge shrink circle-right circle-left file-text2 info cart arraw right arraw left zoom out zoom in arraw maximize arraw minimize
4
4
4
11
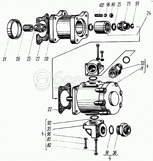
20
21
22
22
23
23
24
25
32
35
36
82
82
85
85
89
89
91
92
93
96
96
96
96
96
96
102
150.53.001-3
Насос гидросистемы
В узле: 1
4
150.53.021-1
Гидравлический насос
В узле: 1
11
НШ50-3-Л-00
Насос шестеренный
В узле: 1
20
150.53.127
Корпус переходной
В узле: 1
21
150.53.128
Кольцо проставочное
В узле: 1
22
150.53.130
Прокладка
В узле: 9
23
150.53.131-1
Втулка муфты
В узле: 2
24
150.53.132
Муфта предохранительная
В узле: 1
25
150.53.133
Кольцо упорное
В узле: 2
32
Н.036.04.015
Штуцер ввертным
В узле: 1
35
НШ46-0505035В
Муфта
В узле: 2
36
НШ46-0505036В
Штуцер
В узле: 1
82
Болт М10-6gх65.66.019 ГОСТ 7795-70
Болт М10-6gх65.66.019 ГОСТ 7795-70
В узле: 2
82
Болт М10-6gх65.66.019 ГОСТ 7795-70
Болт М10-6gх65.66.019 ГОСТ 7795-70
В узле: 4
85
Болт М10-6gх25.66.019 ГОСТ 7796-70
Болт М10-6gх25.66.019 ГОСТ 7796-70
В узле: 4
85
Болт М10-6gх25.66.019 ГОСТ 7796-70
Болт М10-6gх25.66.019 ГОСТ 7796-70
В узле: 2
89
Гайка М10.6.0112 ГОСТ 5915-70
Гайка М10.6.0112 ГОСТ 5915-70
В узле: 8
89
Гайка М10.6.0112 ГОСТ 5915-70
Гайка М10.6.0112 ГОСТ 5915-70
В узле: 1
91
Кольцо 035-040-30-2-2 ГОСТ 9833-73
Кольцо 035-040-30-2-2 ГОСТ 9833-73
В узле: 2
92
Кольцо 036-042-36-2-2 ГОСТ 9833-78
Кольцо 036-042-36-2-2 ГОСТ 9833-78
В узле: 2
93
Кольцо 1Б25 ГОСТ 13940-80
Кольцо 1Б25 ГОСТ 13940-80
В узле: 1
96
Шайба 10 65Г 05 ГОСТ 6402-70
Шайба 10 65Г 05 ГОСТ 6402-70
В узле: 8
96
Шайба 10 65Г 05 ГОСТ 6402-70
Шайба 10 65Г 05 ГОСТ 6402-70
В узле: 4
96
Шайба 10 65Г 05 ГОСТ 6402-70
Шайба 10 65Г 05 ГОСТ 6402-70
В узле: 8
96
Шайба 10 65Г 05 ГОСТ 6402-70
Шайба 10 65Г 05 ГОСТ 6402-70
В узле: 2
96
Шайба 10 65Г 05 ГОСТ 6402-70
Шайба 10 65Г 05 ГОСТ 6402-70
В узле: 4
102
Шпилька М10(То/6g)х25(16/18)66.019 ГОСТ 11765-66
Шпилька М10(То/6g)х25(16/18)66.019 ГОСТ 11765-66
В узле: 4
Содержащиеся в справочниках-каталогах запасные части и детали не предлагаются к продаже, а носят исключительно информационный характер

Ваша заявка была отправлена. В ближайшее время наши специалисты с Вами свяжутся по указанному Вами телефону.

Представьтесь
Поле обязательно для заполнения
Ваш телефон
Введите правильный номер телефона
E-mail
Введите правильный e-mail
Тема
Тема
применяемость финансирование доставка цена, наличие другое сервис и гарантия
Время для звонка
08:00
08:00 09:00 10:00 11:00 12:00 13:00 14:00 15:00 16:00 17:00 18:00 19:00
19:00
08:00 09:00 10:00 11:00 12:00 13:00 14:00 15:00 16:00 17:00 18:00 19:00

Мы постараемся перезвонить в указанное время

Если вы не хотите ждать, то звоните нашим вежливым консультантам:

8 800 100-2-700
Подтвердите, что вы не робот
Подтвердите, что вы не робот
Спасибо!

Ваше сообщение успешно отправлено!

ЗакрытьПовторить попытку